×
Buy Suzuki DR Parts Online
home
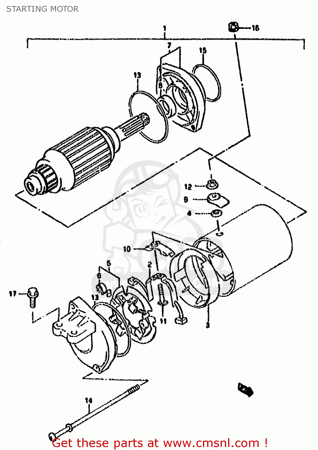
STARTING MOTOR
DR800SU 1991 (M) GERMANY (E22)
Starting motor diagram DR800SU 1991 (M) GERMANY (E22)
STARTING MOTOR DR800SU 1991 (M) GERMANY (E22)
×
prices are in EUR
ref
part #
description
quantity
1-1
3110031D00
ref: 1-1
MODEL M/N/P
MOTOR ASSY,STARTING (BLACK)
€ 711.50
1-2
3110031D01
ref: 1-2
MODEL R/S/T
MOTOR ASSY, STARTING
€ 711.50
2
3113148B00
ref: 2
TERMINAL SET,BRUSH
€ 35.00
3
3117338A00
ref: 3
INSULATOR
€ 14.00
4
3114348B00
ref: 4
GASKET (NAS)
€ 6.50
5
3113248B00
ref: 5
HOLDER SET,BRUSH(-)
€ 51.00
6
3113565010
ref: 6
SPRING
€ 3.50
7
3115044B00
ref: 7
BRACKET SET
€ 107.00
8
3115349210
ref: 8
SEAL,OIL
€ 16.50
9
3117248B10
ref: 9
BUSHING
€ 3.00
10
3117248B20
ref: 10
BUSHING
€ 8.50
11
3113048B00
ref: 11
BOLT
€ 4.50
12
3114548B00
ref: 12
NUT
€ 1.50
13
3126444110
ref: 13
O RING
€ 8.50
14-1
3128138A00
ref: 14-1
MODEL M/N/P
BOLT
€ 8.00
14-2
3128131D00
ref: 14-2
MODEL R/S/T
BOLT
€ 8.00
15
3115624B00
ref: 15
O-RING (D:2.0)
€ 11.00
16
0836135066
ref: 16
NUT
€ 2.00
17-1
0154706207
ref: 17-1
MODEL M/N/P
BOLT
€ 2.50
17-2
0154706203
ref: 17-2
MODEL R/S/T
SCREW
€ 3.00
up
all assemblies
* COLOR CHART *
* COLOR CHART *
* CATALOG PREFACE *
* CONVERSION CHART *
CYLINDER HEAD
CYLINDER
CRANKCASE
CRANKCASE COVER
CRANKSHAFT
STARTER CLUTCH
CRANK BALANCER
BALANCER CHAIN
CAM SHAFT-VALVE
CAM CHAIN
CARBURETOR (MODEL P/R/S/T)
AIR CLEANER
MUFFLER (MODEL N/P/R/S/T)
OIL PUMP-FUEL PUMP
OIL COOLER
SECOND AIR (E18,E39)
CLUTCH
TRANSMISSION
GEAR SHIFTING
STARTING MOTOR
MAGNETO
BATTERY (MODEL T)
ELECTRICAL
SPEEDOMETER (MODEL S/T)
HEADLAMP (MODEL R/S/T)
TURN SIGNAL LAMP (MODEL T)
REAR COMBINATION LAMP (MODEL T)
WIRING HARNESS (MODEL T)
HANDLE SWITCH (MODEL T)
FRAME
STAND-REAR BRAKE
FOOTREST
SPORT CARRIER
FUEL TANK
FUEL COCK
FRAME COVER (MODEL R/S/T)
FRONT FENDER (MODEL T)
HANDLEBAR (MODEL T)
RIGHT HANDLE LEVER
LEFT HANDLE LEVER
REAR FENDER (MODEL T)
COWLING BODY (MODEL T)
COWLING FITTING SET
SEAT
FRONT FORK
STEERING STEM
FRONT WHEEL
FRONT CALIPER (MODEL T)
FRONT CALIPER (MODEL M/N/P/R/S).
FRONT BRAKE HOSE
FRONT MASTER CYLINDER
REAR SWINGING ARM
REAR CUSHION LEVER
REAR WHEEL
REAR CALIPER
REAR MASTER CYLINDER
OPTIONAL
up