×
Buy Suzuki GP Parts Online
home
GP100 1983 (D) UNITED KINGDOM (E02)
* COLOR CHART *
0 products
* CATALOG PREFACE *
0 products
* CATALOG PREFACE *
0 products
* CONVERSION CHART *
0 products
CYLINDER
14 products
CRANKCASE
14 products
CRANKCASE COVER (MODEL L)
23 products
CRANKSHAFT
34 products
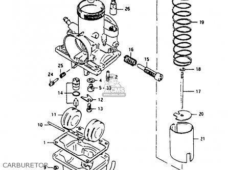
CARBURETOR
45 products
AIR CLEANER
28 products
MUFFLER
9 products
OIL PUMP
28 products
CLUTCH
32 products
TRANSMISSION
35 products
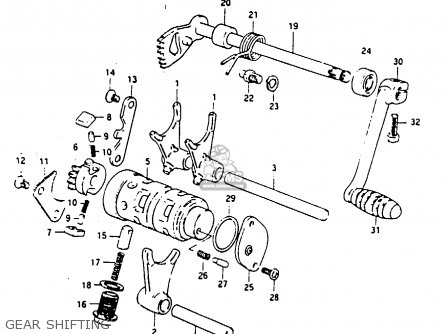
GEAR SHIFTING
34 products
KICK STARTER
18 products
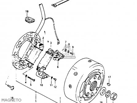
MAGNETO
22 products
BATTERY
11 products
SPEEDOMETER - TACHOMETER
24 products
HEADLAMP (E2)
16 products
TURN SIGNAL LAMP (GP100UD/UL E2 F.NO. 107351-)
23 products
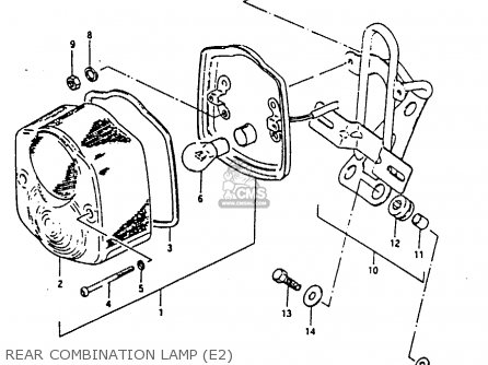
REAR COMBINATION LAMP (E2)
21 products
ELECTRICAL
35 products
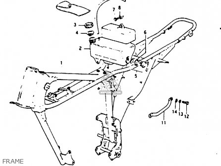
FRAME
16 products
STAND - FOOTREST
30 products
REAR BRAKE
12 products
FUEL TANK (GP100UL)
30 products
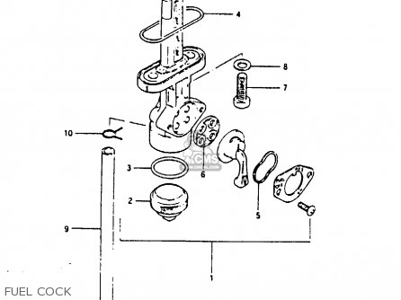
FUEL COCK
10 products
SEAT (E2)
13 products
SEAT TAIL COVER (MODEL D/L E2)
23 products
FRAME COVER (GP100UL E2)
16 products
FRONT FORK
37 products
HEADLAMP HOUSING - FRONT FENDER
14 products
FRONT WHEEL (GP100UX/UD/UL)
34 products
HANDLEBAR
27 products
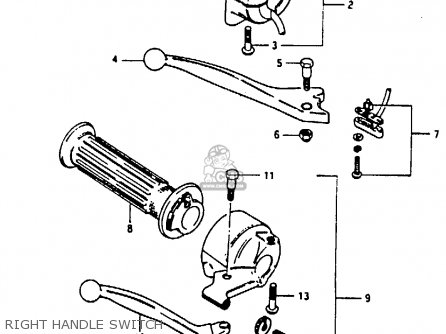
RIGHT HANDLE SWITCH
16 products
LEFT HANDLE SWITCH
19 products
REAR SWINGING ARM
19 products
CHAIN CASE
8 products
REAR FENDER
21 products
REAR WHEEL (GP100X/UX/D/UD/UL)
38 products
OPTIONAL
31 products
up
popular products
2751127100
SPROCKET,ENGINE(NT:15)
Suzuki
2144136200
PLATE,CLUTCH DRIVE (MCA)
Suzuki
0928707001
SEAL,DUST(7X16X75)
Suzuki
1326839110
SPRING
Suzuki