×
Buy Suzuki GS Parts Online
home
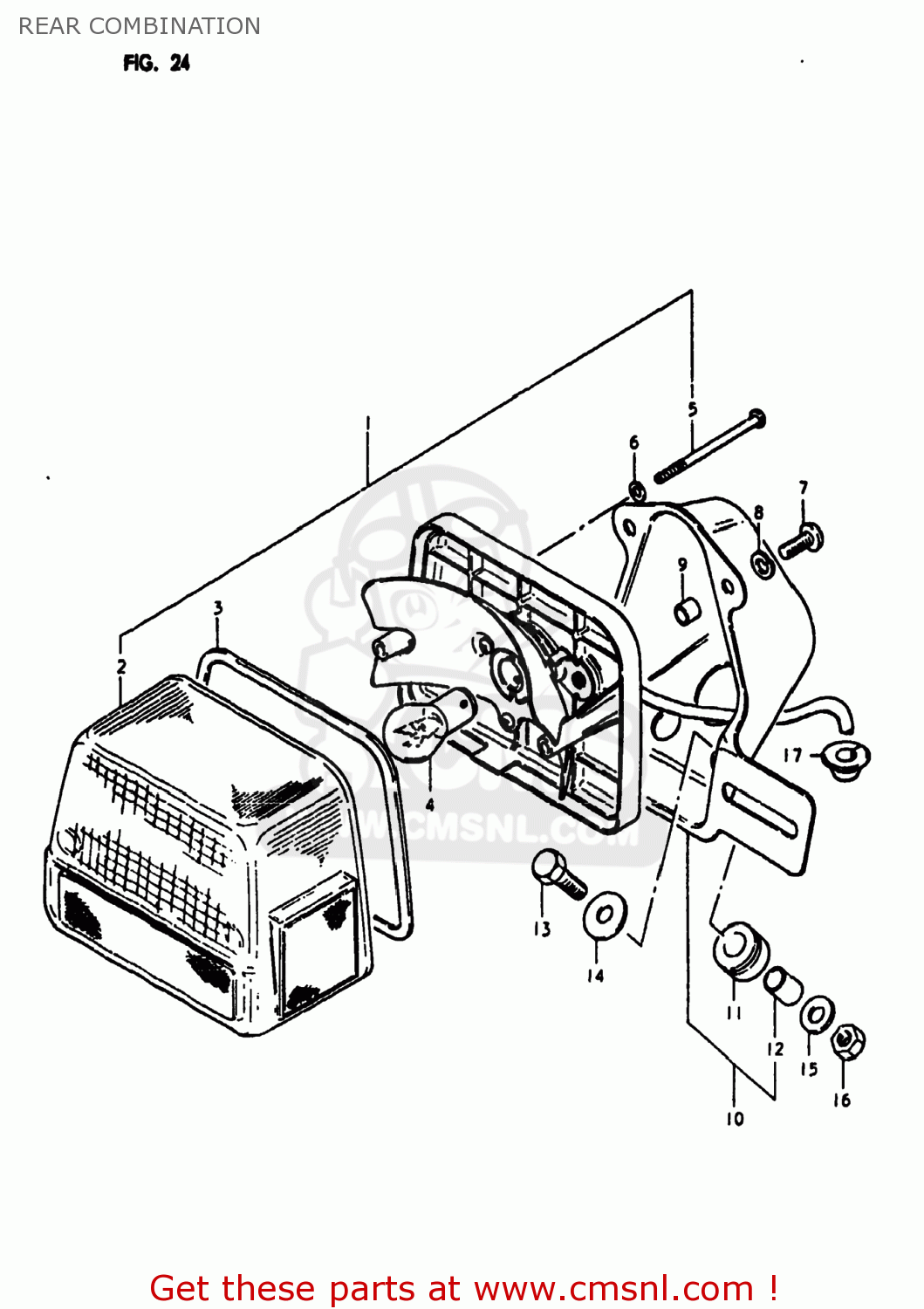
REAR COMBINATION
GS1100LT 1980 (T) USA (E03)
Rear combination diagram GS1100LT 1980 (T) USA (E03)
REAR COMBINATION GS1100LT 1980 (T) USA (E03)
×
prices are in EUR
ref
part #
description
quantity
1
3572049130
ref: 1
35720-49130-999
LAMP UNIT,REAR COMBINATION
€ 130.50
2
3571249130
ref: 2
LENS
€ 49.00
3
3571349130
ref: 3
GASKET (NAS)
€ 5.50
4
0947112035
ref: 4
BULB(12V23W)
€ 5.50
5
3572344130
ref: 5
SCREW
€ 2.00
6
3562743010
ref: 6
GASKET (NAS)
€ 2.00
7
0211205168
ref: 7
02112-05167
SCREW
€ 2.50
8
0832121058
ref: 8
08321-0105A
LOCK WASHER
€ 2.00
9
3576639210
ref: 9
SPACER
€ 0.00
10
3573049130
ref: 10
BRACKET UNIT,TAIL LAMP
€ 0.00
11
3576522210
ref: 11
CUSHION
€ 4.50
12
3576637120
ref: 12
SPACER
€ 2.50
13
0110706258
ref: 13
01500-06257
BOLT
€ 2.50
14
0916006027
ref: 14
09160-06077
WASHER (6.5X20X1.2)
€ 2.00
15
0832221068
ref: 15
08322-01067
WASHER
€ 2.50
16
0831011068
ref: 16
08310-00067
NUT
€ 2.50
17
0930807004
ref: 17
GROMMET
€ 2.50
up
all assemblies
AIR CLEANER
BATTERY
CAM CHAIN
CAM SHAFT - VALVE
CARBURETOR
CHAIN CASE
CLUTCH
CRANKCASE
CRANKCASE COVER
CRANKSHAFT
CYLINDER
CYLINDER HEAD
CYLINDER HEAD COVER
ELECTRICAL
FOOTREST
FRAME
FRAME COVER
FRONT BRAKE HOSE
FRONT CALIPERS
FRONT FORK
FRONT MASTER CYLINDER
FRONT WHEEL
FUEL TANK
GEAR SHIFTING
GENERATOR
HANDLEBAR - FRONT FENDER
HEADLAMP
LEFT HANDLE SWITCH
MUFFLER
OIL PUMP - OIL FILTER
REAR CARIPERS
REAR COMBINATION
REAR FENDER
REAR MASTER CYLINDER
REAR SWINGING ARM
REAR WHEEL
RIGHT HANDLE SWITCH
SEAT
SIGNAL GENERATOR
SPEEDOMETER - TACHOMETER
STAND
STARTER CLUTCH
STARTING MOTOR
STEERING STEM
TRANSMISSION
TURN SIGNAL LAMP
WIRING HARNESS
up