×
Buy Suzuki GS Parts Online
home
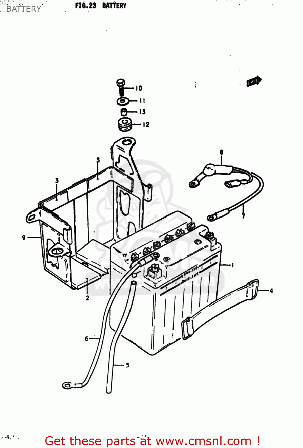
BATTERY
GS425E 1979 (N) USA (E03)
Battery diagram GS425E 1979 (N) USA (E03)
BATTERY GS425E 1979 (N) USA (E03)
×
prices are in EUR
ref
part #
description
quantity
1
3361044010
ref: 1
BATTERY ASSY (12V)
€ 74.50
2
3365125001
ref: 2
94268-24A00
CUSHION,BATTERY
€ 4.00
3
3365229100
ref: 3
33651-37000
PROTECTOR,20X9
€ 5.50
4
0946200007
ref: 4
BAND
€ 6.00
5
3368031003
ref: 5
33680-16A10
HOSE,BATTERY EXHAUST
€ 5.00
6
3385044000
ref: 6
33860-44501
CORD,BATTERY MINUS
€ 13.50
7
3382044000
ref: 7
33820-08200
WIRE,BATTERY PLUS
€ 13.00
8
3362445000
ref: 8
CAP,TERMINAL
€ 6.00
9
4154044001
ref: 9
HOLDER,BATTERY
€ 0.00
10
0110706208
ref: 10
01500-06207
BOLT
€ 2.50
11
0916006007
ref: 11
09160-06084
WASHER
€ 2.00
12
0932008001
ref: 12
CUSHION
€ 4.00
13
0918006011
ref: 13
09180-06263
SPACER (6.1X9X9)
€ 2.00
up
all assemblies
AIR CLEANER
BATTERY
BRAKE HOSE
CALIPERS
CAM CHAIN
CAM SHAFT - VALVE
CARBURETOR
CHAIN CASE - SHOCK ABSORBER
CLUTCH
CONTACT BRAKER
CRANKCASE
CRANKCASE LH COVER
CRANKCASE RH COVER
CRANKSHAFT
CRANKSHAFT BALANCER
CYLINDER
CYLINDER HEAD
CYLINDER HEAD COVER
ELECTRICAL
FOOTREST
FRAME
FRAME COVER
FRONT FORK
FRONT WHEEL (GS425EN)
FRONT WHEEL (GS425N)
FUEL COCK
FUEL TANK
GEAR SHIFTING
GENERATOR
HANDLEBAR - FRONT FENDER
HEADLAMP
KICK STARTER
LH HANDLE SWITCH
MASTER CYLINDER
MUFFLER
OIL PUMP
REAR COMBINATION LAMP
REAR FENDER
REAR SWINGING ARM
REAR WHEEL (GS425EN)
REAR WHEEL (GS425N)
RH HANDLE SWITCH
SEAT
SPEEDOMETER - TACHOMETER
STAND - REAR BRAKE
STARTER CLUTCH
STARTING MOTOR
STEERING STEM
TRANSMISSION
TURN SIGNAL LAMP
WIRING HARNESS
up