×
Buy Suzuki GS Parts Online
home
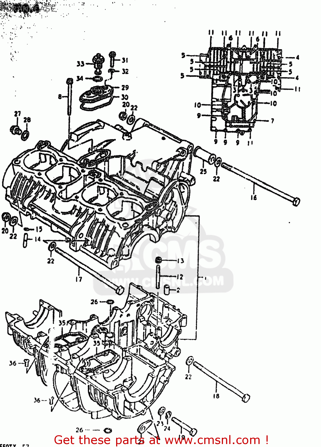
CRANKCASE
GS550T 1981 (X) USA (E03)
Crankcase diagram GS550T 1981 (X) USA (E03)
CRANKCASE GS550T 1981 (X) USA (E03)
×
prices are in EUR
ref
part #
description
quantity
1
1130047812
ref: 1
11300-34880
CRANKCASE SET
€ 1,791.50
2
0920613001
ref: 2
04211-13189
PIN
€ 2.50
3
0910308026
ref: 3
09103-08109
BOLT
€ 4.00
4
0151708908
ref: 4
01550-08907
BOLT 8X90
€ 4.00
5
0151708708
ref: 5
01550-08707
BOLT (8X70)
€ 2.50
6
0151708558
ref: 6
01550-08557
BOLT 8X55
€ 3.00
7
0151708458
ref: 7
01550-08457
BOLT (8X45)
€ 3.00
8
0151706908
ref: 8
01550-06907
BOLT (6X90)
€ 3.00
9
0151706608
ref: 9
01550-06607
BOLT (6X60)
€ 3.00
10
0151706508
ref: 10
01550-06507
BOLT ,6X50
€ 2.00
11
0151706408
ref: 11
01550-06407
BOLT
€ 3.00
12
0142106408
ref: 12
01421-0640A
STUD BOLT
€ 1.50
13
0831616068
ref: 13
08319-31067
NUT
€ 2.50
14
0936405005
ref: 14
UNION
€ 3.00
15
0928003003
ref: 15
O RING(D:1.05,ID:3.1)
€ 2.50
16
0910010074
ref: 16
BOLT 10X270
€ 15.50
17
0910010111
ref: 17
09103-10138
BOLT
€ 12.00
18
0910010076
ref: 18
BOLT
€ 3.00
19
0151710558
ref: 19
01550-10557
BOLT 10X55
€ 3.50
20
0915910011
ref: 20
NUT
€ 3.50
21
0915910020
ref: 21
NUT
€ 8.00
22
0832211108
ref: 22
08322-01107
WASHER
€ 2.50
23
0916010005
ref: 23
WASHER(10.5X20X3.2)
€ 2.00
24
0832121108
ref: 24
08321-01107
LOCK WASHER
€ 2.50
25
1161045000
ref: 25
11610-44010
SPACER,ENGINE MOUNT
€ 12.00
26
0928013001
ref: 26
O RING(D:3.2,ID:12.9)
€ 4.50
27
0924714012
ref: 27
09247-14026
PLUG (14X12)
€ 4.00
28
0916814004
ref: 28
GASKET(14X19.2X2) (NAS)
€ 2.50
29
1644545000
ref: 29
HOUSING,OIL PRESSURE SWITCH
€ 28.00
30
1644845000
ref: 30
O RING,PRESSURE SWITCH HOUSING
€ 11.50
31
0151706258
ref: 31
01550-06257
BOLT
€ 2.50
32
0916806009
ref: 32
09168-06023
GASKET (NAS)
€ 2.00
33
3782045050
ref: 33
37820-45061
SWITCH ASSEMBLY
€ 32.50
34
0928019001
ref: 34
O RING(D:1.9,ID:18.8)
€ 2.00
35
1152147000
ref: 35
PLATE,OIL SEPARATOR
€ 2.00
36
0211206088
ref: 36
02112-06087
SCREW
€ 2.00
up
all assemblies
AIR CLEANER
BATTERY
CAM CHAIN
CAM SHAFT - VALVE
CARBURETOR
CHAIN CASE - SHOCK ABSORBER
CLUTCH
CRANKCASE
CRANKCASE COVER
CRANKSHAFT
CYLINDER
CYLINDER HEAD
CYLINDER HEAD COVER
ELECTRICAL
FOOTREST
FRAME
FRAME COVER
FRONT BRAKE HOSE
FRONT CALIPERS
FRONT FORK
FRONT MASTER CYLINDER
FRONT WHEEL
FUEL COCK
FUEL TANK
GEAR SHIFTING
GENERATOR
HANDLEBAR - FRONT FENDER
HEADLAMP
HEADLAMP HOUSING - FRONT FENDER
LEFT HANDLE SWITCH
MUFFLER
OIL PUMP - OIL FILTER
REAR BRAKE
REAR CARIPERS
REAR COMBINATION LAMP
REAR FENDER
REAR MASTER CYLINDER
REAR SWINGING ARM
REAR WHEEL
RIGHT HANDLE SWITCH
SEAT
SIGNAL GENERATOR
SPEEDOMETER - TACHOMETER
STAND
STARTER CLUTCH
STARTING MOTOR
STEERING STEM
TRANSMISSION
TURN SIGNAL LAMP
WIRING HARNESS
up