×
Buy Suzuki GS Parts Online
home
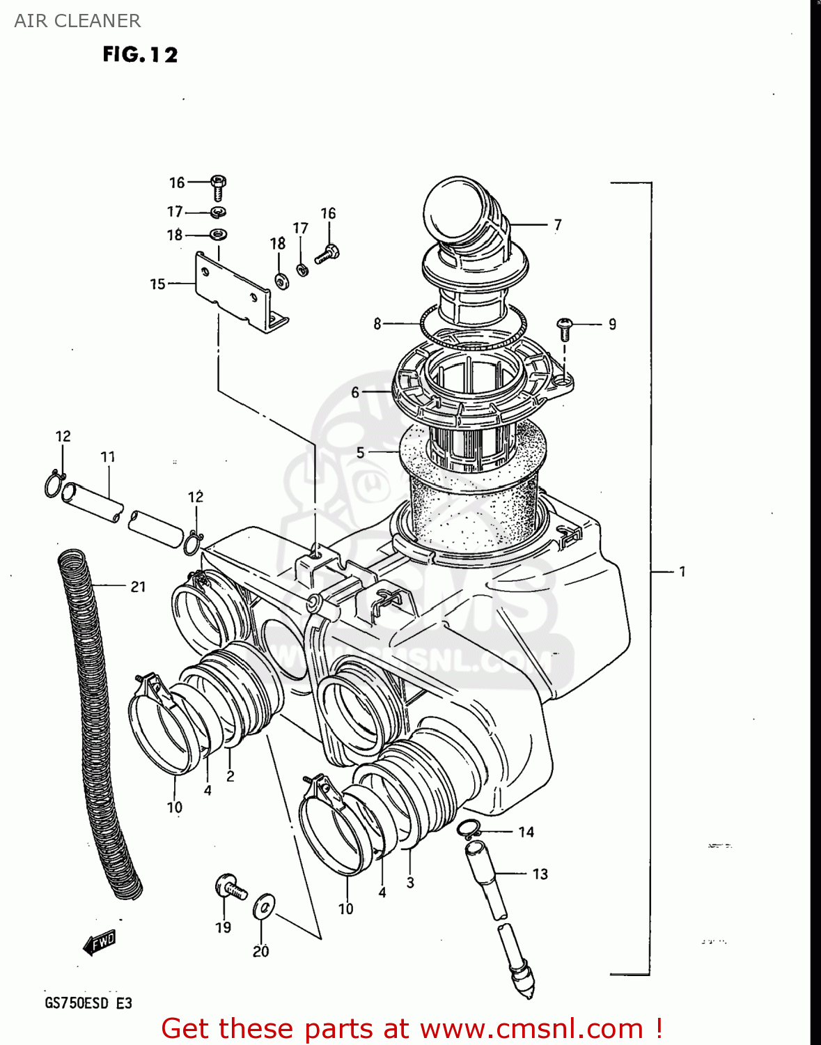
AIR CLEANER
GS750E 1983 (D) USA (E03)
Air cleaner diagram GS750E 1983 (D) USA (E03)
AIR CLEANER GS750E 1983 (D) USA (E03)
×
prices are in EUR
ref
part #
description
quantity
1
1370031300
ref: 1
13700-31310
CLEANER ASSEMBLY,AIR
€ 205.50
2
1388131300
ref: 2
TUBE,AIR CLEANER OUTLET
€ 27.00
3
1388231300
ref: 3
TUBE,AIR CLEANER OUTLET
€ 15.00
4
1388547030
ref: 4
RING,CARBURETOR AIR INLET HOSE
€ 8.00
5
1378031300
ref: 5
13780-31310
FILTER,AIR CLEANER
€ 38.00
6
1379131300
ref: 6
HOLDER,AIR FILTER
€ 10.50
7
1389131300
ref: 7
TUBE,AIR CLEANER INLET
€ 25.50
8
1382631300
ref: 8
CLAMP,INLET TUBE AIR CLEANER
€ 0.00
9
0214205128
ref: 9
02142-05127
SCREW
€ 1.50
10
0940260306
ref: 10
09402-60208
CLAMP
€ 5.00
11
0934311005
ref: 11
09352-11153-00B
HOSE
€ 37.00
12
0940114301
ref: 12
CLIP
€ 2.00
13
1387031301
ref: 13
DRAIN TUBE
€ 0.00
14
0940114301
ref: 14
CLIP
€ 2.00
15
1376131300
ref: 15
BRACKET,HOLDER
€ 8.50
16
0912806011
ref: 16
SCREW(6X12)
€ 2.50
17
0832121068
ref: 17
08321-01067
LOCK WASHER
€ 2.50
18
0832221068
ref: 18
08322-01067
WASHER
€ 2.50
19
0214206167
ref: 19
SCREW
€ 2.00
20
0916006007
ref: 20
09160-06084
WASHER
€ 2.00
21
0944010009
ref: 21
SPRING
€ 11.50
up
all assemblies
AIR CLEANER
BATTERY
CAM CHAIN
CAM SHAFT - VALVE
CARBURETOR
CHAIN LOCK
CLUTCH
COWLING (GS750ED)
COWLING (GS750ESD)
CRANKCASE
CRANKCASE COVER
CRANKSHAFT
CUSHION LEVER
CYLINDER
CYLINDER HEAD
CYLINDER HEAD COVER
ELECTRICAL
FOOTREST
FRAME
FRAME COVER (GS750ED)
FRAME COVER (GS750ESD)
FRONT BRAKE HOSE
FRONT CALIPERS
FRONT DAMPER (GS750ED)
FRONT DAMPER (GS750ESD)
FRONT FENDER
FRONT MASTER CYLINDER (GS750ED)
FRONT MASTER CYLINDER (GS750ESD)
FRONT WHEEL
FUEL COCK
FUEL TANK (GS750ED)
FUEL TANK (GS750ESD)
GEAR SHIFTING
GENERATOR
HANDLE BAR (GS750ED)
HANDLE BAR (GS750ESD)
HEADLAMP (GS750ED)
HEADLAMP (GS750ESD)
LEFT HANDLE SWITCH
MUFFLER
OIL COOLER
OIL PUMP - OIL FILTER
REAR BRAKE HOSE
REAR CALIPERS
REAR COMBINATION LAMP
REAR FENDER
REAR MASTER CYLINDER
REAR SWINGING ARM
REAR WHEEL
RIGHT HANDLE SWITCH
SEAT
SEAT TAIL COVER (GS750ED)
SEAT TAIL COVER (GS750ESD)
SHOCK ABSORBER
SIGNAL GENERATOR
SPEEDOMETER - TACHOMETER
STAND
STARTER CLUTCH
STARTING MOTOR
STEERING STEM (GS750ED)
STEERING STEM (GS750ESD)
TRANSMISSION
TURN SIGNAL LAMP
WIRING HARNESS
up