×
Buy Suzuki GS Parts Online
home
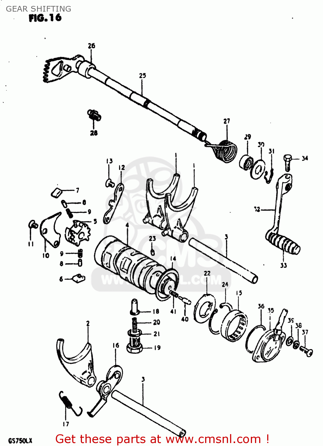
GEAR SHIFTING
GS750L 1980 (T) USA (E03)
Gear shifting diagram GS750L 1980 (T) USA (E03)
GEAR SHIFTING GS750L 1980 (T) USA (E03)
×
prices are in EUR
ref
part #
description
quantity
1
2521134000
ref: 1
FORK,GEAR SHIFT NO.1
€ 54.50
2
2523134000
ref: 2
25231-34X00
FORK,GEAR SHIFT NO.3
€ 72.50
3
2541149200
ref: 3
25411-33301
SHAFT,GEAR SHIFT FORK
€ 13.00
4
2531045400
ref: 4
CAM,GEAR SHIFT
€ 82.00
5
2532211000
ref: 5
25322-31310
RETAINER,GEAR SHIFT CAM
€ 15.50
6
2532311000
ref: 6
25323-34201
PAWL,GEAR SHIFT NO.1
€ 7.00
7
2532411000
ref: 7
25324-34201
PAWL,GEAR SHIFT NO.2
€ 7.00
8
0926105003
ref: 8
PIN(5X8)
€ 2.00
9
0944004003
ref: 9
SPRING
€ 2.00
10
2533149200
ref: 10
25331-49201
LIFTER,GEAR SHIFT PAWL
€ 43.50
11
0212206128
ref: 11
02122-06127
SCREW
€ 3.50
12
2534118000
ref: 12
GUIDE,GEAR SHIFT CAM
€ 51.50
13
0212206128
ref: 13
02122-06127
SCREW
€ 3.50
14
0916040001
ref: 14
WASHER(40X45X1)
€ 2.50
15
0926325018
ref: 15
BEARING(25X32X12)
€ 19.00
16
2535045400
ref: 16
STOPPER,GEAR SHIFTING
€ 8.50
17
0944308019
ref: 17
SPRING
€ 2.50
18
2535130010
ref: 18
STOPPER,GEAR SHIFT CAM NO.2
€ 7.00
19
2535430000
ref: 19
HOLDER,GEAR SHIFT CAM STOP SPR
€ 7.00
20
0944006018
ref: 20
SPRING
€ 1.50
21
0916814004
ref: 21
GASKET(14X19.2X2) (NAS)
€ 2.50
22
2538145400
ref: 22
PLATE,GEAR SHIFT CAM STOPPER
€ 11.50
23
0621104063
ref: 23
04221-04069
PIN 4X6
€ 2.00
24
0833111258
ref: 24
08331-3125A
CIRCLIP
€ 2.50
25
2551045400
ref: 25
SHAFT,GEAR SHIFT
€ 88.00
26
0918012068
ref: 26
SPACER(12X20X15.3)
€ 3.50
27
0944426017
ref: 27
SPRING
€ 6.00
28
2567101000
ref: 28
25671-01011
STOPPER,GEAR SHIFT CAM
€ 3.50
29
0928512002
ref: 29
09285-12006
OIL SEAL
€ 7.00
30
0916012020
ref: 30
09160-12089
WASHER (12.5X27X1.6)
€ 2.00
31
0938412001
ref: 31
08331-3112A
SPRING,RETAINER
€ 2.00
32
2560033003
ref: 32
25600-44000
LEVER ASSEMBLY,GEAR SHIFTING
€ 149.50
33
2565216500
ref: 33
RUBBER,GEAR SHIFT PEDAL
€ 4.50
34
0110708208
ref: 34
01500-08207
BOLT
€ 3.50
35
3772045100
ref: 35
TERMINAL BASE ASSY,GEAR SHIFT
€ 100.50
36
0928026003
ref: 36
09280-26005
O-RING (D:2.4 ID:26.2)
€ 3.00
37
0211205208
ref: 37
02112-05207
SCREW 5X20
€ 3.00
38
0832121058
ref: 38
08321-0105A
LOCK WASHER
€ 2.00
39
0832221058
ref: 39
08322-01057
WASHER
€ 2.50
40
0920905011
ref: 40
PIN(5X15.5)
€ 2.00
41
0944004010
ref: 41
SPRING
€ 2.00
up
all assemblies
AIR CLEANER
BATTERY
CAM CHAIN
CAM SHAFT - VALVE
CARBURETOR
CHAIN CASE
CLUTCH
CRANKCASE
CRANKCASE COVER
CRANKSHAFT
CYLINDER
CYLINDER HEAD
CYLINDER HEAD COVER
ELECTRICAL
FOOTREST
FRAME
FRAME COVER (GS750LT)
FRAME COVER (GS750LX)
FRONT BRAKE HOSE
FRONT CALIPERS
FRONT FORK
FRONT MASTER CYLINDER
FRONT WHEEL
FUEL TANK (GS750LT)
FUEL TANK (GS750LX)
GEAR SHIFTING
GENERATOR
HANDLEBAR
HEADLAMP
HEADLAMP HOUSING - FRONT FENDER
LEFT HANDLE SWITCH
MUFFLER
OIL PUMP - OIL FILTER
REAR BRAKE HOSE
REAR CALIPER
REAR COMBINATION LAMP
REAR FENDER
REAR MASTER CYLINDER
REAR SWINGING ARM
REAR WHEEL
RIGHT HANDLE SWITCH
SEAT
SIGNAL GENERATOR
SPEEDOMETER - TACHOMETER
STAND
STARTER CLUTCH
STARTING MOTOR
STEERING STEM
TRANSMISSION
TURN SIGNAL LAMP
WIRING HARNESS
up