×
Buy Suzuki GS Parts Online
home
FRAME
GS850G 1979 (N) USA (E03)
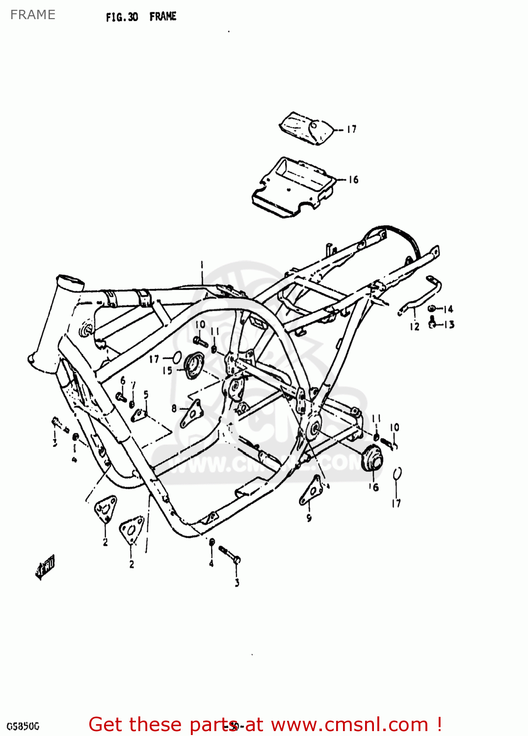
Frame diagram GS850G 1979 (N) USA (E03)
FRAME GS850G 1979 (N) USA (E03)
×
prices are in EUR
ref
part #
description
quantity
1
4110045100019
ref: 1
FRAME
€ 0.00
2
4191045100019
ref: 2
41910-45101-019
PLATE,ENGINE MOUNTING
€ 8.50
3
0110708658
ref: 3
01500-0865B
BOLT
€ 3.00
4
0832121088
ref: 4
08321-01087
LOCK WASHER
€ 2.50
5
4199345000019
ref: 5
PLATE,ENGINE MOUNTING
€ 5.50
6
0110708168
ref: 6
01500-0816B
BOLT
€ 2.00
7
0832121088
ref: 7
08321-01087
LOCK WASHER
€ 2.50
8
4197045100019
ref: 8
PLATE,ENGINE MOUNTING
€ 0.00
9
4198045100019
ref: 9
PLATE,ENGINE MOUNTING
€ 0.00
10
0110708408
ref: 10
01500-0840A
BOLT 8X40
€ 3.50
11
0832121088
ref: 11
08321-01087
LOCK WASHER
€ 2.50
12
4161049000
ref: 12
41610-34200
GRIP,FRAME
€ 38.50
13
0110708168
ref: 13
01500-0816B
BOLT
€ 2.00
14
0832221088
ref: 14
08322-01087
WASHER
€ 2.50
15
4719145100
ref: 15
COVER,REAR SWING ARM PIVOT
€ 11.50
16
4729145100
ref: 16
47291-45101
COVER,REAR SWING ARM PIVOT
€ 13.50
17
6814345100
ref: 17
68143-45101
EMBLEM,FRAME COVER
€ 3.50
18
4155145100
ref: 18
41551-45102
HOLDER,TOOL
€ 25.00
19
0980000199
ref: 19
09800-21025
TOOL SET
€ 43.00
up
all assemblies
AIR CLEANER
BATTERY
CAM CHAIN
CAM SHAFT-VALVE
CARBURETOR
CLUTCH
CONTACT BREAKER
CRANKCASE
CRANKCASE COVER
CRANKSHAFT
CYLINDER
CYLINDER HEAD
CYLINDER HEAD COVER
ELECTRICAL
FOOTREST
FRAME
FRAME COVER
FRONT BRAKE HOSE
FRONT CARIPERS
FRONT FORK
FRONT MASTER CYLINDER
FRONT WHEEL
FUEL COCK
FUEL TANK
GEAR SHIFTING
GENERATOR
HANDLE SWITCH
HANDLEBAR-FRONT FENDER
HEADLAMP
KICK STARTER
MUFFLER
OIL PUMP-OIL FILTER
PROPELLER SHAFT-FINAL DRIVE GEAR
REAR CARIPERS
REAR COMBINATION LAMP
REAR FENDER
REAR MASTER CYLINDER
REAR SWINGING ARM
REAR WHEEL
SEAT
SECONDARY DRIVE GEAR
SPEEDOMETER-TACHOMETER
STAND
STARTER CLUTCH
STARTING MOTOR
STEERING STEM
TRANSMISSION
TURN SIGNAL LAMP
WIRING HARNESS
up