×
Buy Suzuki GSX Parts Online
home
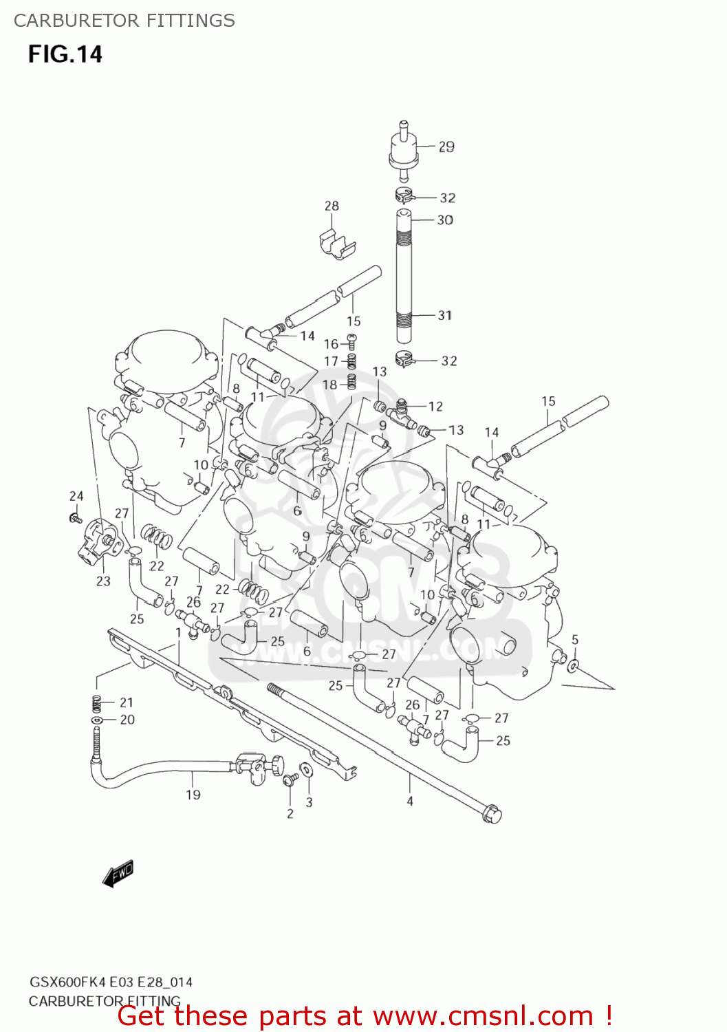
CARBURETOR FITTINGS
GSX600F KATANA 2004 (K4) USA (E03)
Carburetor fittings diagram GSX600F KATANA 2004 (K4) USA (E03)
CARBURETOR FITTINGS GSX600F KATANA 2004 (K4) USA (E03)
×
prices are in EUR
ref
part #
description
quantity
1
1341319E00
ref: 1
LEVER
€ 41.00
2
0214204083
ref: 2
02142-0408B
SCREW
€ 1.50
3
1355733E00
ref: 3
PACKING
€ 3.50
4
1361233E00
ref: 4
BOLT
€ 20.00
5
0832201063
ref: 5
08322-0106B
WASHER
€ 2.50
6
1368519E20
ref: 6
PIPE
€ 12.00
7
1368534E00
ref: 7
PIPE
€ 10.00
8
1368519E00
ref: 8
ROD
€ 8.00
9
1368519E10
ref: 9
ROD
€ 8.00
10
1368519E30
ref: 10
ROD
€ 7.50
11
1368531310
ref: 11
NIPPLE,CARBURETOR
€ 20.00
12
1368516E00
ref: 12
NIPPLE
€ 14.50
13
1367344B00
ref: 13
SEAL
€ 6.00
14
1368301DB0
ref: 14
HOSE
€ 15.00
15
1368440C00
ref: 15
HOSE(7X10.2X475)
€ 24.00
16
1326744B00
ref: 16
SCREW
€ 3.50
17
1327144B00
ref: 17
SPRING
€ 4.50
18
1326896111
ref: 18
SPRING,THROTTLE SCREW
€ 5.50
19
1326719E00
ref: 19
SCREW,ADJUST
€ 82.50
20
1361543010
ref: 20
WASHER,STARTER SHAFT
€ 2.50
21
1327119E00
ref: 21
SPRING
€ 4.00
22
1357306C10
ref: 22
SPRING
€ 8.00
23
1355013D60
ref: 23
SENSOR ASSY,THROTTLE
€ 129.50
24
1360520C00
ref: 24
SCREW,SENSOR
€ 4.00
25
1368448B10
ref: 25
HOSE
€ 21.50
26
1368548B00
ref: 26
NIPPLE
€ 10.00
27
0940110410
ref: 27
09401-10401
CLIP
€ 2.00
28
0940800100
ref: 28
CLIP
€ 2.00
29
1541019E10
ref: 29
STRAINER,FUEL
€ 13.50
30
0935570125600
ref: 30
44421-12FR0
HOSE(7X12X600)
€ 28.50
31
0944014030
ref: 31
SPRING
€ 27.00
32
0940111407
ref: 32
09401-11415
CLIP
€ 2.50
up
all assemblies
2ND AIR (MODEL K4/K5 E33
AIR CLEANER
ALTERNATOR
BATTERY
CAM CHAIN
CAMSHAFT - VALVE
CANISTER (E33)
CARBURETOR
CARBURETOR FITTINGS
CLUTCH
COOLING FAN (E33)
COWLING BODY (MODEL K4)
COWLING BODY (MODEL K5)
COWLING BODY (MODEL K6)
COWLING BODY INSTALLATION PARTS
CRANKCASE
CRANKCASE COVER
CRANKSHAFT
CYLINDER
CYLINDER HEAD
CYLINDER HEAD COVER
ELECTRICAL
FOOTREST
FRAME
FRAME COVER (MODEL K4)
FRAME COVER (MODEL K5)
FRAME COVER (MODEL K6)
FRONT BRAKE HOSE
FRONT CALIPER
FRONT DAMPER
FRONT FENDER
FRONT MASTER CYLINDER
FRONT WHEEL
FUEL COCK
FUEL TANK (MODEL K4)
FUEL TANK (MODEL K5/K6)
GASKET SET
GEAR SHIFTING
HANDLE LEVER
HANDLE SWITCH
HANDLEBAR
HEADLAMP
LABEL
MUFFLER
OIL COOLER
OIL PAN
OIL PUMP
REAR CALIPER
REAR CUSHION LEVER
REAR FENDER
REAR MASTER CYLINDER
REAR SWINGING ARM
REAR WHEEL
SEAT
SIGNAL GENERATOR
SPEEDOMETER
STAND
STARTER CLUTCH
STARTING MOTOR
STEERING STEM
TAIL LAMP
TRANSMISSION
TURNSIGNAL LAMP (MODEL K4/K5)
TURNSIGNAL LAMP (MODEL K6)
UNDER COWLING (MODEL K4/K5)
UNDER COWLING (MODEL K6)
WIRING HARNESS
up