×
Buy Suzuki GSX Parts Online
home
GSX750 1999 (X) (E02 E04 E17 E18 E22 E25 E34)
* COLOR CHART *
0 products
* CATALOG PREFACE *
0 products
CYLINDER HEAD COVER
18 products
CAM SHAFT / VALVE
20 products
CAM CHAIN
12 products
CARBURETOR
62 products
CARBURETOR FITTINGS
24 products
AIR CLEANER
16 products
MUFFLER
14 products
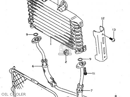
OIL COOLER
16 products
SECOND AIR (E18)
20 products
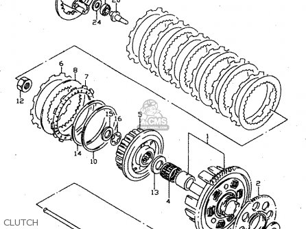
CLUTCH
29 products
TRANSMISSION
50 products
CYLINDER HEAD
33 products
GEAR SHIFTING
49 products
STARTING MOTOR
13 products
ALTERNATOR
31 products
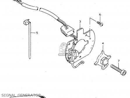
SIGNAL GENERATOR
7 products
BATTERY
6 products
ELECTRICAL
15 products
SPEEDOMETER
34 products
HEADLAMP
17 products
TURN SIGNAL LAMP
14 products
TAIL LAMP
24 products
CYLINDER
13 products
WIRING HARNESS
22 products
HANDLE SWITCH
9 products
FRAME
17 products
STAND
18 products
FOOTREST
26 products
FUEL TANK
26 products
FUEL TANK
13 products
FRAME COVER
18 products
FRONT FENDER
14 products
HANDLE BAR
13 products
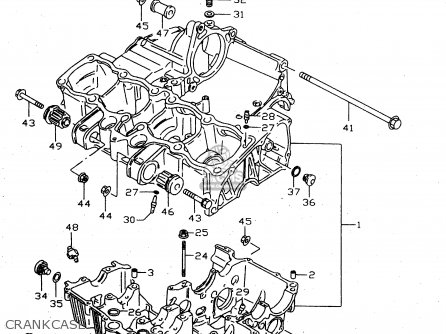
CRANKCASE
56 products
HANDLE LEVER
21 products
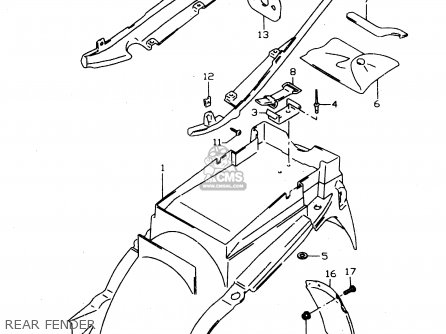
REAR FENDER
20 products
LABEL
14 products
SEAT
12 products
SEAT TAIL COVER
23 products
FRONT DAMPER
23 products
STEERING STEM
20 products
FRONT WHEEL
14 products
FRONT CALIPER
16 products
FRONT BRAKE HOSE
12 products
CRANKCASE COVER
30 products
FRONT MASTER CYLINDER
10 products
REAR SWINGING ARM
20 products
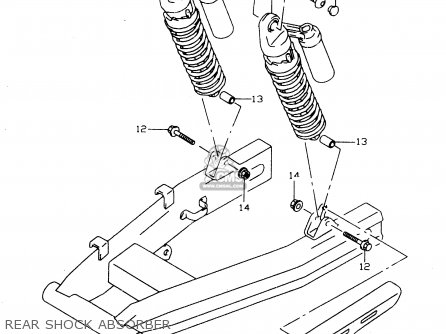
REAR SHOCK ABSORBER
14 products
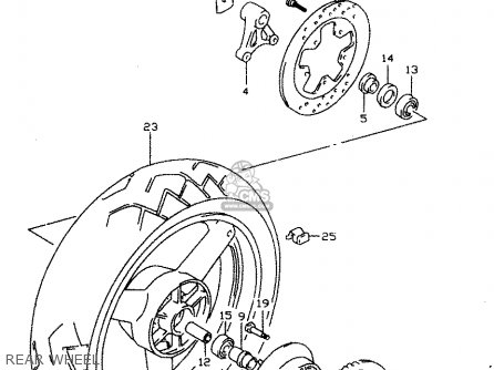
REAR WHEEL
27 products
REAR CALIPER
14 products
REAR MASTER CYLINDER
23 products
OPTIONAL
17 products
OIL PAN
19 products
OIL PUMP
17 products
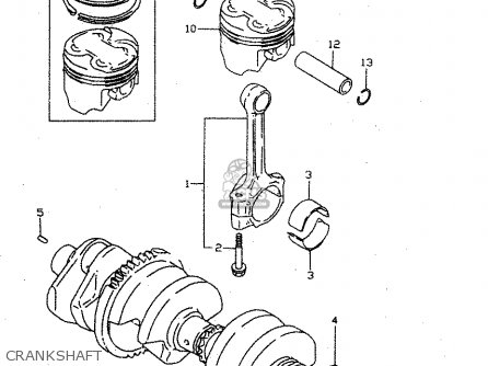
CRANKSHAFT
31 products
STARTER CLUTCH
4 products
up
popular products
0918006092
SPACER(6.2X8.3X6.1)
Suzuki
1357503F00
O RING
Suzuki
3382003F00
WIRE,BATTERY PLUS LEAD
Suzuki
6431003F00019
TORQUELINK,RR
Suzuki