×
Buy Suzuki GV Parts Online
home
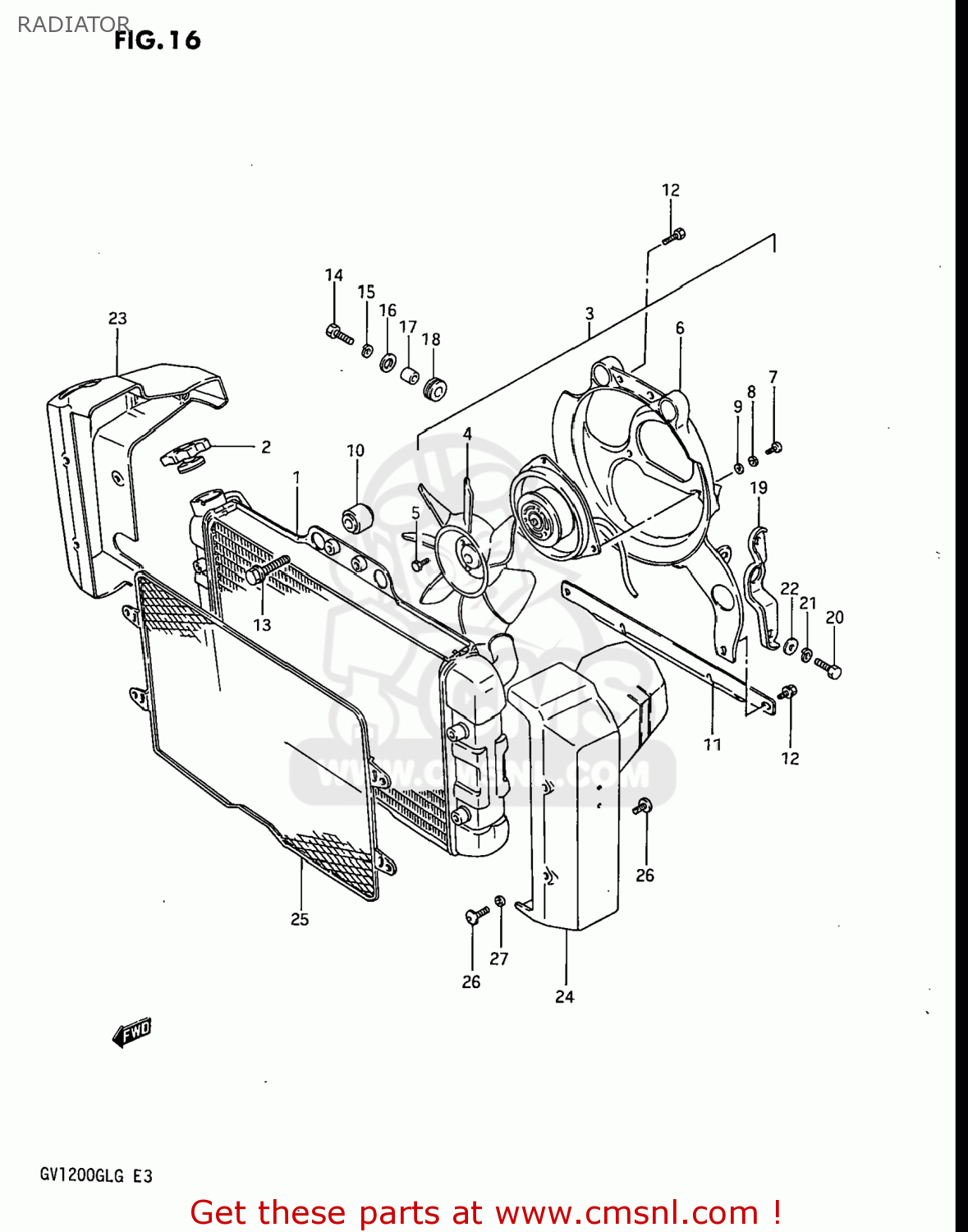
RADIATOR
GV1200GLF2 MADURA 1985 (F) USA (E03)
Radiator diagram GV1200GLF2 MADURA 1985 (F) USA (E03)
RADIATOR GV1200GLF2 MADURA 1985 (F) USA (E03)
×
prices are in EUR
ref
part #
description
quantity
1
1771005A00
ref: 1
17710-05A01
RADIATOR ASSEMBLY,WATER
€ 969.50
2
1773001A01
ref: 2
17730-19D11
CAP,RADIATOR
€ 33.50
3
1780005A00
ref: 3
FAN ASSEMBLY,RADIATOR (ASB)
€ 213.00
4
1782005A00
ref: 4
17820-38A00
FAN
€ 51.00
5
1780105A00
ref: 5
02112-0406B
BOLT
€ 2.00
6
1777005A00
ref: 6
17800-05A00
SHROUD,FAN
€ 213.00
7
0211205106
ref: 7
02112-0510A
SCREW 5X10
€ 2.00
8
0832121056
ref: 8
08321-0105A
LOCK WASHER
€ 3.00
9
0832221056
ref: 9
08322-0105A
WASHER
€ 2.50
10
1778005A00
ref: 10
CUSHION,RADIATOR NO.1
€ 7.50
11
1783505A00
ref: 11
PLATE,MUD GUARD
€ 13.00
12
1770105A00
ref: 12
BOLT,RADIATOR FAN
€ 2.00
13
0151708358
ref: 13
01550-08357
BOLT
€ 3.50
14
0110706165
ref: 14
01500-0616A
BOLT 6X16
€ 2.00
15
0832121064
ref: 15
08321-0106A
WASHER,LOCK
€ 2.00
16
0916006039
ref: 16
09160-06109
WASHER (6.5X18X1.6)
€ 2.00
17
0918007005
ref: 17
09180-06259
SPACER (7X9X7)
€ 2.50
18
0932008032
ref: 18
09320-08021
CUSHION
€ 3.00
19
1774105A00
ref: 19
BRACKET,RADIATOR
€ 4.00
20
0110706165
ref: 20
01500-0616A
BOLT 6X16
€ 2.00
21
0832121064
ref: 21
08321-0106A
WASHER,LOCK
€ 2.00
22
0832221064
ref: 22
08322-0106B
WASHER
€ 2.00
23
1776105A00
ref: 23
COVER,RADIATOR,RIGHT
€ 95.50
24
1776205A00
ref: 24
COVER,RADIATOR,LEFT
€ 87.00
25
1779005A00
ref: 25
NET,RADIATOR
€ 30.50
26
0913906031
ref: 26
09139-06078
SCREW
€ 3.00
27
0918007016
ref: 27
SPACER (7X9X4)
€ 2.00
up
all assemblies
AIR CLEANER
BATTERY
CAM CHAIN
CAMSHAFT - VALVE
CANISTER (FOR CALIFORNIA)
CARBURETOR
CARBURETOR (FOR CALIFORNIA)
CARBURETOR FITTINGS
CLUTCH
CLUTCH HOSE
CLUTCH MASTER CYLINDER
CRANKCASE
CRANKCASE COVER
CRANKSHAFT
CUSHION LEVER
CYLINDER HEAD (FRONT)
CYLINDER HEAD (REAR)
CYLINDER HEAD COVER
ELECTRICAL
FOOTREST
FRAME
FRAME COVER
FRONT BRAKE HOSE
FRONT CALIPERS
FRONT FORK
FRONT MASTER CYLINDER
FRONT WHEEL
FUEL COCK
FUEL TANK
GEAR SHIFTING
GENERATOR
HANDLEBAR - CONTROL CABLE
HEADLAMP
HEADLAMP HOUSING - FRONT FENDER
LEFT HANDLE SWITCH
MUFFLER
OIL PUMP - FUEL PUMP
PILLION RIDER HANDLE
PILOT LAMP BOX
PROPELLER SHAFT - FINAL DRIVE GEAR
RADIATOR
RADIATOR HOSE - RESERVE TANK
REAR BRAKE
REAR CALIPER
REAR COMBINATION LAMP
REAR FENDER
REAR MASTER CYLINDER
REAR SHOCK ABSORBER
REAR SWINGING ARM
REAR WHEEL
RIGHT HANDLE SWITCH
SEAT
SECONDARY DRIVE GEAR (MODEL F/F2)
SECONDARY DRIVE GEAR (MODEL G)
SPEEDOMETER - TACHOMETER
STAND
STARTING MOTOR
STEERING STEM
TRANSMISSION (MODEL F/F2)
TRANSMISSION (MODEL G)
TURN SIGNAL LAMP
WATER PUMP
WIRING HARNESS
up