×
Buy Suzuki LS Parts Online
home
ELECTRICAL
LS650F SAVAGE 1988 (J) USA (E03)
Electrical diagram LS650F SAVAGE 1988 (J) USA (E03)
ELECTRICAL LS650F SAVAGE 1988 (J) USA (E03)
×
prices are in EUR
ref
part #
description
quantity
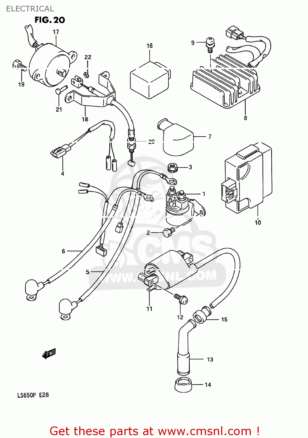
1
3180049100
ref: 1
RELAY ASSY,STARTING MOTOR
€ 97.00
2
0110706106
ref: 2
01500-0610B
BOLT
€ 2.00
3
0836135066
ref: 3
08361-3506A
NUT
€ 2.00
4
3685224B00
ref: 4
WIRE,STARTER RELAY LEAD
€ 0.00
5
3385024B00
ref: 5
WIRE,STARTER MOTOR
€ 0.00
6
3385024B10
ref: 6
WIRE,STARTER MOTOR
€ 27.00
7-1
3362449400
ref: 7-1
33624-49401
CAP,STARTER RELAY TERMINAL
€ 6.00
7-2
3362449420
ref: 7-2
33624-49401
CAP,STARTER RELAY TERMINAL
€ 6.00
8
3280024B00
ref: 8
32800-24B11
RECTIFIER ASSY
€ 243.50
9
0211216166
ref: 9
02142-0616A
SCREW
€ 3.00
10
3290024B00
ref: 10
IGNITOR ASSY
€ 359.00
11
3341024B00
ref: 11
COIL ASSY,IGNITION
€ 132.00
12
0215205125
ref: 12
02112-0512A
SCREW
€ 1.50
13
3351045010
ref: 13
CAP ASSY,SPARK PLUG
€ 25.00
14
3354124510
ref: 14
33541-47D00
SEAL,SPARK PLUG CAP
€ 8.00
15
3354238B00
ref: 15
SEAL,HIGH TENSION CORD
€ 5.00
16
3291024B00
ref: 16
CONTROL UNIT,DECOMP
€ 92.50
17
3397024B00
ref: 17
SOLENOID ASSY,DECOMP
€ 184.00
18
3397124B00
ref: 18
BRACKET,DECOMP SOLENOID
€ 10.00
19
0110706165
ref: 19
01500-0616A
BOLT 6X16
€ 2.00
20
5890024B00
ref: 20
58900-24B01
CABLE ASSEMBLY,DECOMPRESSION
€ 23.00
21
0920904020
ref: 21
PIN(4X12.5)
€ 6.50
22
0833211036
ref: 22
08332-11033
E RING
€ 1.50
up
all assemblies
AIR CLEANER
BATTERY
CAM CHAIN
CAM SHAFT - VALVE
CARBURETOR
CLUTCH
CRANK BALANCER
CRANKCASE
CRANKCASE COVER
CRANKSHAFT
CYLINDER
CYLINDER HEAD
ELECTRICAL
FOOTREST
FRAME
FRAME COVER
FRONT BRAKE HOSE
FRONT CALIPER
FRONT FORK
FRONT MASTER CYLINDER (LS650FG/FJ/FK/FL)
FRONT MASTER CYLINDER (LS650PG/PJ/PK/PL
FRONT WHEEL
FUEL COCK
FUEL TANK
GEAR SHIFTING
HANDLE SWITCH (MODEL G/J)
HANDLE SWITCH (MODEL K/L/M/N/P)
HANDLEBAR - CONTROL CABLE (LS650FG/FJ/FK/FL)
HANDLEBAR - CONTROL CABLE (LS650PG/PJ/PK/PL
HEADLAMP
HEADLAMP HOUSING - FRONT FENDER
MAGNETO
MUFFLER
OIL PUMP
PILLION RIDER HANDLE
PROP STAND - REAR BRAKE
REAR COMBINATION LAMP
REAR FENDER
REAR SWINGING ARM
REAR WHEEL
SEAT
SPEEDOMETER
STARTER CLUTCH
STARTING MOTOR
STEERING STEM
TRANSMISSION
TURN SIGNAL LAMP
WIRING HARNESS
up