×
Buy Suzuki OR Parts Online
home
OR50 1979 1980 (N) (T) USA (E03)
CYLINDER
18 products
CRANKCASE
13 products
CRANKCASE COVER
13 products
CRANKSHAFT
24 products
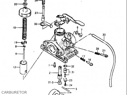
CARBURETOR
36 products
AIR CLEANER
14 products
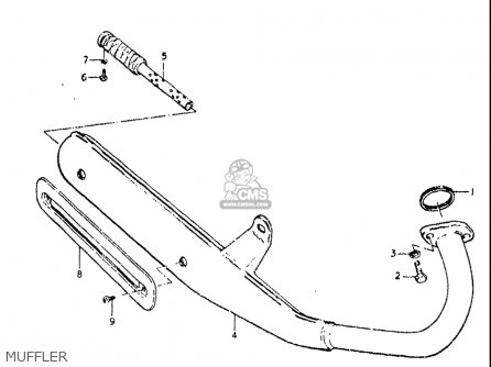
MUFFLER
6 products
OIL PUMP
19 products
CLUTCH
21 products
TRANSMISSION
34 products
GEAR SHIFTING
37 products
KICK STARTER
10 products
MAGNETO
17 products
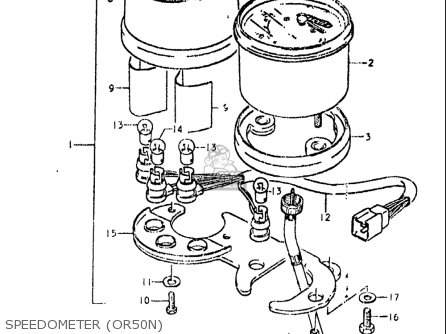
SPEEDOMETER (OR50N)
9 products
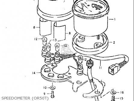
SPEEDOMETER (OR50T)
9 products
HEADLAMP
16 products
TURN SIGNAL LAMP
17 products
REAR COMBINATION LAMP
18 products
ELECTRICAL (1)
17 products
ELECTRICAL (2)
14 products
FRAME
8 products
BRAKE PEDAL
9 products
FUEL TANK
8 products
FUEL COCK
7 products
OIL TANK - FRAME COVER
12 products
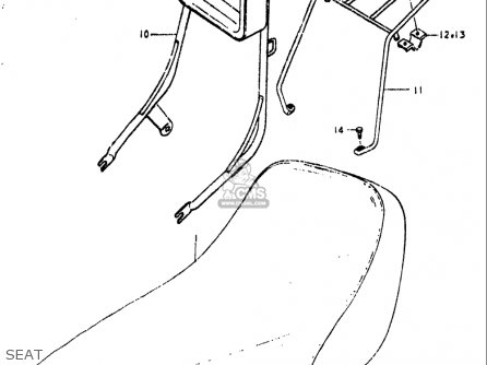
SEAT
11 products
SEAT TEAL COVER
8 products
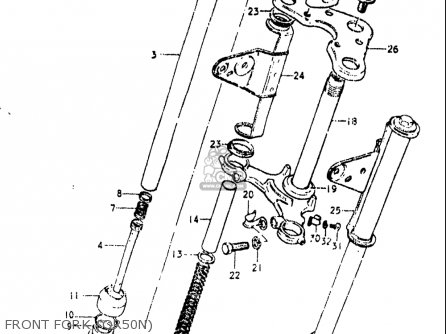
FRONT FORK (OR50N)
24 products
FRONT FORK (OR50T)
24 products
FENDER
15 products
FRONT WHEEL
29 products
HANDLEBAR - CABLE
25 products
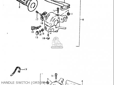
HANDLE SWITCH (OR50N)
18 products
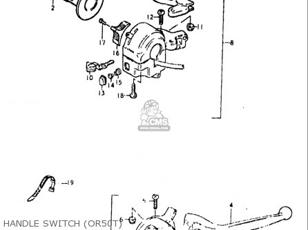
HANDLE SWITCH (OR50T)
17 products
REAR SWINGING ARM
19 products
REAR WHEEL
40 products
OPTIONAL
7 products
up
popular products
3561328620
GASKET (NAS)
Suzuki
0918020059
SPACER(20X26X14)
Suzuki
0947106011
BULB(6V17W,STANLEY,A4513A)
Suzuki
2326141301
PINION,CLUTCH RELEASE
Suzuki