×
Buy Suzuki PE Parts Online
home
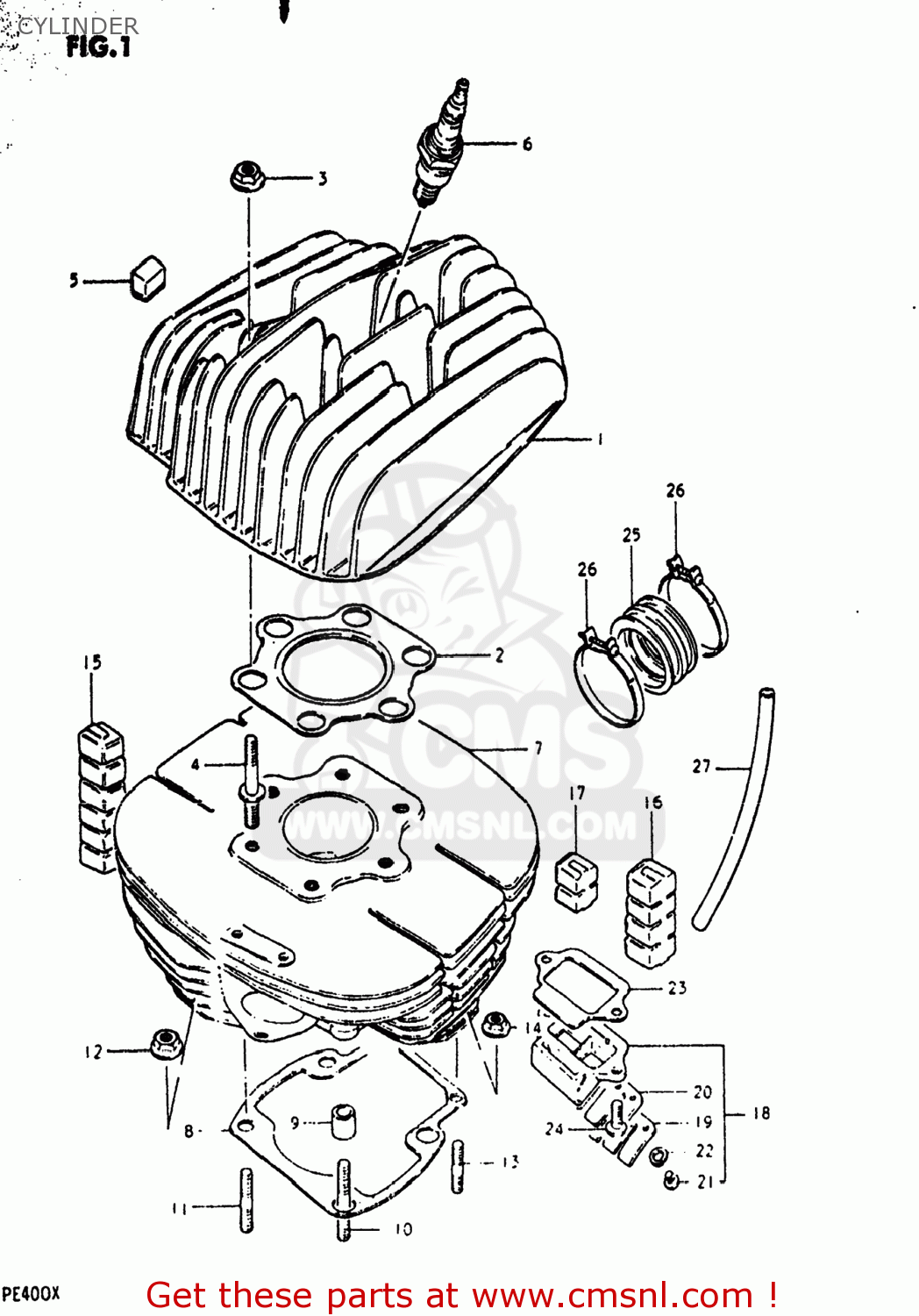
CYLINDER
PE400 1980 (T) USA (E03)
Cylinder diagram PE400 1980 (T) USA (E03)
CYLINDER PE400 1980 (T) USA (E03)
×
prices are in EUR
ref
part #
description
quantity
1-1
1111140901
ref: 1-1
11111-40902
HEAD,CYLINDER
€ 0.00
1-2
1111140902
ref: 1-2
HEAD,CYLINDER
€ 0.00
2-1
1114140900
ref: 2-1
11141-40902
GASKET,CYLINDER HEAD (NAS)
€ 10.00
2-2
1114140902
ref: 2-2
GASKET,CYLINDER HEAD (MCA)
€ 10.00
3
0831616088
ref: 3
08316-10087
NUT
€ 2.50
4
0910808018
ref: 4
BOLT,STUD
€ 4.50
5
1115140900
ref: 5
PAD,CYLINDER HEAD
€ 4.50
6-1
0948200209
ref: 6-1
PLUG,SPARK(NGK B-8EN)
€ 19.50
6-2
0948200213
ref: 6-2
SPARK PLUG N-2G CHMP
€ 0.00
7
1121040900
ref: 7
CYLINDER
€ 0.00
8
1124140900
ref: 8
11241-40901
GASKET,CYLINDER (MCA)
€ 7.00
9
0920613001
ref: 9
04211-13189
PIN
€ 2.50
10
0142110408
ref: 10
01421-1040A
STUD BOLT (L:40)
€ 2.50
11
0142110258
ref: 11
01421-1025B
STUD 10X25
€ 3.50
12
0831616108
ref: 12
08316-10107
NUT
€ 2.00
13
0142106208
ref: 13
01421-0620A
STUD 6X20
€ 2.50
14
0831616068
ref: 14
08319-31067
NUT
€ 2.50
15
1125140900
ref: 15
11251-11300
PAD,CYLINDER
€ 12.50
16
1125129310
ref: 16
11251-11300
PAD,CYLINDER
€ 12.50
17
1125211300
ref: 17
11251-11300
PAD,CYLINDER
€ 12.50
18
1315040400
ref: 18
VALVE ASSEMBLY,REED
€ 184.50
19
1315240400
ref: 19
STOPPER,REED VALVE
€ 6.50
20
1315340400
ref: 20
VALVE,REED
€ 184.50
21
0211203088
ref: 21
02112-03087
SCREW
€ 2.00
22
0832121038
ref: 22
09162-03001
LOCK WASHER
€ 1.50
23
1315640400
ref: 23
13156-40400-H17
GASKET,REED VALVE (MCA)
€ 6.50
24
0211206168
ref: 24
02112-06167
SCREW
€ 2.50
25
1311140401
ref: 25
PIPE,INTAKE
€ 99.00
26
0940256306
ref: 26
09402-56901
CLAMP
€ 4.00
27
0934304010
ref: 27
09352-40703-600
HOSE
€ 4.00
up
all assemblies
AIR CLEANER
CARBURETOR
CHAIN CASE
CHAIN GUIDE (PE400T)
CHAIN GUIDE (PE400X)
CLUTCH
CRANKCASE
CRANKCASE COVER
CRANKSHAFT
CYLINDER
ELECTRICAL
FRAME - SEAT
FRAME COVER (PE400T)
FRAME COVER (PE400X)
FRONT FORK
FRONT WHEEL
FUEL COCK
FUEL TANK (PE400T)
FUEL TANK (PE400X)
GEAR SHIFTING
HANDLEBAR
HEADLAMP
HEADLAMP HOUSING - FRONT FENDER
KICK STARTER
LH HANDLE GRIP (PE400T)
LH HANDLE GRIP (PE400X)
MAGNETO
MUFFLER
OPTIONAL (SPEEDOMETER)
REAR BRAKE
REAR FENDER
REAR SWINGING ARM
REAR WHEEL
RH HANDLE GRIP (PE400T)
RH HANDLE GRIP (PE400X)
STAND - FOOTREST
TAIL LAMP
TRANSMISSION
TRIP METER
up