×
Buy Suzuki PE Parts Online
home
MAGNETO
PE400 1980 (T) USA (E03)
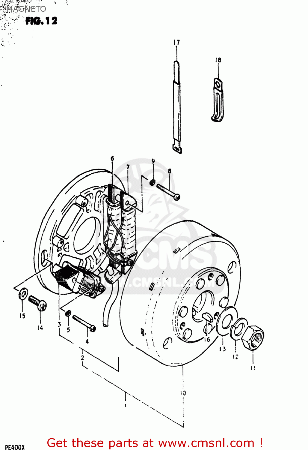
Magneto diagram PE400 1980 (T) USA (E03)
MAGNETO PE400 1980 (T) USA (E03)
×
prices are in EUR
ref
part #
description
quantity
1
3210040920
ref: 1
MAGNETO ASSEMBLY
€ 0.00
2
3210140920
ref: 2
STATOR ASSEMBLY
€ 0.00
3
3212040620
ref: 3
32101-40620
COIL,LIGHTING
€ 349.00
4
0211204308
ref: 4
09125-04023
SCREW (4X30)
€ 1.50
5
0832121048
ref: 5
08321-0104A
LOCK WASHER
€ 2.50
6
3214040620
ref: 6
COIL,PRIMARY
€ 72.00
7
3215040620
ref: 7
COIL,PULSER
€ 60.00
8
0211204358
ref: 8
02112-0435B
SCREW
€ 2.00
9
0832121048
ref: 9
08321-0104A
LOCK WASHER
€ 2.50
10
3210240920
ref: 10
32102-40930
ROTOR ASSEMBLY
€ 333.50
11
0914010003
ref: 11
09140-10041
NUT (10MM)
€ 4.50
12
0832121108
ref: 12
08321-01107
LOCK WASHER
€ 2.50
13
0832221108
ref: 13
08322-01107
WASHER
€ 2.50
14
0211206168
ref: 14
02112-06167
SCREW
€ 2.50
15
0832221068
ref: 15
08322-01067
WASHER
€ 2.50
16
0834131049
ref: 16
09420-04008
KEY 4MM
€ 4.00
17
0940711301
ref: 17
09407-18301
CLAMP L:110
€ 7.00
18
0940406412
ref: 18
09404-06432
CLAMP
€ 3.00
up
all assemblies
AIR CLEANER
CARBURETOR
CHAIN CASE
CHAIN GUIDE (PE400T)
CHAIN GUIDE (PE400X)
CLUTCH
CRANKCASE
CRANKCASE COVER
CRANKSHAFT
CYLINDER
ELECTRICAL
FRAME - SEAT
FRAME COVER (PE400T)
FRAME COVER (PE400X)
FRONT FORK
FRONT WHEEL
FUEL COCK
FUEL TANK (PE400T)
FUEL TANK (PE400X)
GEAR SHIFTING
HANDLEBAR
HEADLAMP
HEADLAMP HOUSING - FRONT FENDER
KICK STARTER
LH HANDLE GRIP (PE400T)
LH HANDLE GRIP (PE400X)
MAGNETO
MUFFLER
OPTIONAL (SPEEDOMETER)
REAR BRAKE
REAR FENDER
REAR SWINGING ARM
REAR WHEEL
RH HANDLE GRIP (PE400T)
RH HANDLE GRIP (PE400X)
STAND - FOOTREST
TAIL LAMP
TRANSMISSION
TRIP METER
up