×
Buy Suzuki PE Parts Online
home
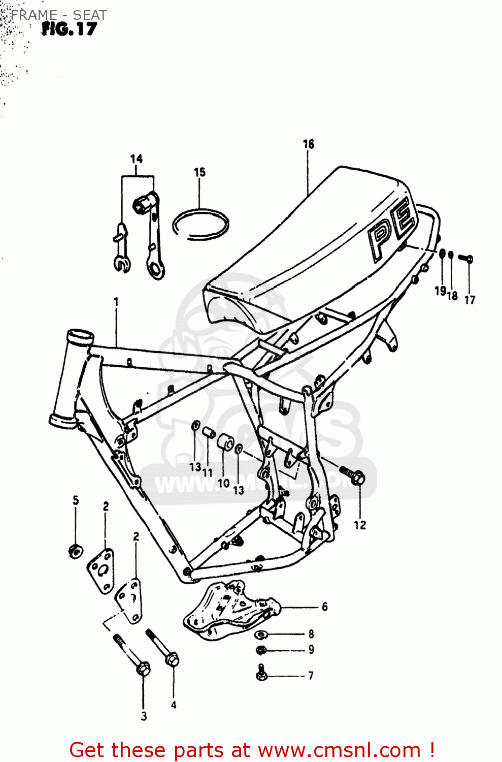
FRAME - SEAT
PE400 1980 (T) USA (E03)
Frame - seat diagram PE400 1980 (T) USA (E03)
FRAME - SEAT PE400 1980 (T) USA (E03)
×
prices are in EUR
ref
part #
description
quantity
1-1
4110040600019
ref: 1-1
41100-40611-019
FRAME
€ 363.00
1-2
4110040601019
ref: 1-2
41100-40611-019
FRAME
€ 363.00
2
4199140300
ref: 2
PLATE,ENGINE MOUNTING
€ 11.50
3
0910308037
ref: 3
BOLT(8X67)
€ 7.00
4
0910308017
ref: 4
09103-08099
BOLT
€ 6.50
5
0831931088
ref: 5
08319-3108A
NUT
€ 3.00
6
4251140600
ref: 6
PROTECTOR,ENGINE
€ 0.00
7
0110708168
ref: 7
01500-0816B
BOLT
€ 2.00
8
0916008010
ref: 8
09160-08054
WASHER (8.2X20X1.6)
€ 1.50
9
0832121088
ref: 9
08321-01087
LOCK WASHER
€ 2.50
10-1
4391140410
ref: 10-1
43911-14200
ROLLER,CHAIN CONTROL
€ 18.50
10-2
4391114200
ref: 10-2
ROLLER,CHAIN LENGTH CONTROL
€ 18.50
11
4391340400
ref: 11
SPACER,CHAIN LENGTH ROLLER
€ 8.00
12
0910308043
ref: 12
BOLT(8X45)
€ 5.00
13
0916008035
ref: 13
09160-08130
WASHER
€ 2.50
14
9651040500
ref: 14
SPARK PLUG WRENCH
€ 40.50
15
9643140500
ref: 15
O RING TOOL FITTING
€ 3.50
16
4510040600865
ref: 16
45100-40620-48F
SEAT ASSEMBLY
€ 215.00
17
0110708258
ref: 17
01500-08257
BOLT
€ 3.00
18
0832121088
ref: 18
08321-01087
LOCK WASHER
€ 2.50
19
0916008010
ref: 19
09160-08054
WASHER (8.2X20X1.6)
€ 1.50
up
all assemblies
AIR CLEANER
CARBURETOR
CHAIN CASE
CHAIN GUIDE (PE400T)
CHAIN GUIDE (PE400X)
CLUTCH
CRANKCASE
CRANKCASE COVER
CRANKSHAFT
CYLINDER
ELECTRICAL
FRAME - SEAT
FRAME COVER (PE400T)
FRAME COVER (PE400X)
FRONT FORK
FRONT WHEEL
FUEL COCK
FUEL TANK (PE400T)
FUEL TANK (PE400X)
GEAR SHIFTING
HANDLEBAR
HEADLAMP
HEADLAMP HOUSING - FRONT FENDER
KICK STARTER
LH HANDLE GRIP (PE400T)
LH HANDLE GRIP (PE400X)
MAGNETO
MUFFLER
OPTIONAL (SPEEDOMETER)
REAR BRAKE
REAR FENDER
REAR SWINGING ARM
REAR WHEEL
RH HANDLE GRIP (PE400T)
RH HANDLE GRIP (PE400X)
STAND - FOOTREST
TAIL LAMP
TRANSMISSION
TRIP METER
up