Buy Suzuki RF Parts Online

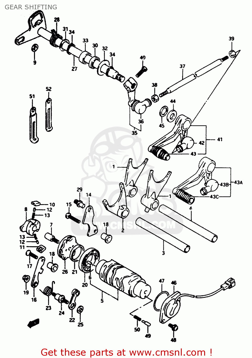
GEAR SHIFTING

RF600R 1993 (P) (E02 E04 E15 E17 E18 E21 E22 E24 E25 E34 E53)

Gear shifting diagram RF600R 1993 (P) (E02 E04 E15 E17 E18 E21 E22 E24 E25 E34 E53)

GEAR SHIFTING RF600R 1993 (P) (E02 E04 E15 E17 E18 E21 E22 E24 E25 E34 E53)
GEAR SHIFTING RF600R 1993 (P) (E02 E04 E15 E17 E18 E21 E22 E24 E25 E34 E53)
GEAR SHIFTING RF600R 1993 (P) (E02 E04 E15 E17 E18 E21 E22 E24 E25 E34 E53)
prices are in EUR
ref
part #
description
quantity
1
2521117E00
ref: 1
FORK,GEAR SHIFT NO.1
2521117E00
€ 70.00

2
2523117E00
ref: 2
FORK,GEAR SHIFT NO.3
€ 108.50

3
2541126D01
ref: 3
SHAFT,GEAR SHIFT FORK
2541126D01
€ 17.50

4
2541127A00
ref: 4
SHAFT,GEAR SHIFT FORK(L:128)
2541127A00
€ 26.00

5
2531017E01
ref: 5
CAM,GEAR SHIFT
2531017E01
€ 147.00

6
0422104089
ref: 6
PIN
0422104089
€ 1.50

7
2531212C00
ref: 7
PIN,SHIFT CAM DRIVEN GEAR
2531212C00
€ 6.50

8
2532233C01
ref: 8

<25322-33C00
SHIFTER,GEAR SHIFT CAM
2532233C01
€ 49.50

9
0918007014
ref: 9
SPACER(7X10X5)
0918007014
€ 4.50

10
2532334201
ref: 10
PAWL,GEAR SHIFT NO.1
2532334201
€ 7.00

11
2532434201
ref: 11
PAWL,GEAR SHIFT NO.2
2532434201
€ 7.00

12
0926105003
ref: 12
PIN(5X8)
0926105003
€ 2.00

13
0944004003
ref: 13
SPRING
0944004003
€ 2.00

14
2533126D00
ref: 14
LIFTER,GEAR SHIFT PAWL
2533126D00
€ 6.00

15
0211206303
ref: 15
SCREW 6X30
0211206303
€ 2.50

16
2534117E00
ref: 16
GUIDE,GEAR SHIFT CAM
€ 7.50

17
0212206303
ref: 17
SCREW
0212206303
€ 2.00

18
0918006202
ref: 18
SPACER(6.1X10X16)
0918006202
€ 4.00

19-1
0915906017
ref: 19-1

MODEL P
NUT
0915906017
€ 2.50

19-2
0831610063
ref: 19-2

MODEL R/S/T/V
NUT
0831610063
€ 2.50

20-1
0926225002
ref: 20-1

MODEL P
BEARING
€ 27.50

20-2
0926225006
ref: 20-2

MODEL R/S/T/V
BEARING(25X47X8)
0926225006
€ 27.50

21
0916025059
ref: 21
WASHER(25X32X3)
0916025059
€ 5.50

22
2535026D01
ref: 22
STOPPER,GEAR SHIFT CAM
2535026D01
€ 9.50

23-1
2535526D10
ref: 23-1

MODEL P/R/S
SPRING,STOPPER ARM
€ 12.00

23-2
2535526D21
ref: 23-2

MODEL T/V
SPRING,STOPPER ARM
2535526D21
€ 12.00

24
2535612C00
ref: 24
SUPPORT,CAM STOPPER ARM
2535612C00
€ 10.50

25
0821106141
ref: 25
WASHER
0821106141
€ 2.50

26
2538012B00
ref: 26
PLATE,GEAR SHIFT CAM
2538012B00
€ 10.00

27
2551017E10
ref: 27
SHAFT,GEAR SHIFT
2551017E10
€ 66.00

28
0944420003
ref: 28

<09444-20002
SPRING
0944420003
€ 6.50

29
2567101000
ref: 29
STOPPER,GEAR SHIFT CAM
2567101000
€ 3.50

30
0928314006
ref: 30
SEAL,OIL(14X22X6)
0928314006
€ 6.50

31-1
0821114221
ref: 31-1

MODEL P/R/S/T
WASHER,THRUST
€ 4.00

31-2
0918114167
ref: 31-2

MODEL V
SHIM(14X22X1)
0918114167
€ 4.00

32-1
0916014034
ref: 32-1

MODEL P
WASHER
0916014034
€ 3.50

32-2
0916014016
ref: 32-2

MODEL R/S/T/V
WASHER(14X29X0.8)
0916014016
€ 2.00

33
0926314027
ref: 33
BEARING(14X20X12)
0926314027
€ 12.00

34
0833131146
ref: 34
CIRCLIP
0833131146
€ 2.00

35
2552019C02
ref: 35
ARM,GEAR SHIFT LINK
2552019C02
€ 58.00

36
2552647000
ref: 36
COVER,DUST
2552647000
€ 4.00

37
2552521E10
ref: 37

<25525-21E00
ROD,GEAR SHIFT LINK
2552521E10
€ 17.00

38
0914006011
ref: 38
NUT
0914006011
€ 2.00

39-1
0831011067
ref: 39-1

MODEL P
NUT 6MM
€ 2.50

39-2
0831000067
ref: 39-2

MODEL R/S/T/V
NUT
0831000067
€ 2.50

40-1
0110706257
ref: 40-1

MODEL P
BOLT
€ 2.50

40-2
0150006257
ref: 40-2

MODEL R/S/T/V
BOLT
0150006257
€ 2.50

41
2560017C03
ref: 41

MODEL P/R/S/T
LEVER ASSEMBLY,GEAR SHIFTING
2560017C03
€ 106.00

42
2552647000
ref: 42

MODEL P/R/S/T
COVER,DUST
2552647000
€ 4.00

43
2565216500
ref: 43

MODEL P/R/S/T
RUBBER,GEAR SHIFT PEDAL
2565216500
€ 4.50

43A
2560033E00
ref: 43A

MODEL V
LEVER ASSY,GEAR SHIFT
2560033E00
€ 106.00

43B
2552647000
ref: 43B

MODEL V
COVER,DUST
2552647000
€ 4.00

43C
2565220C00
ref: 43C

MODEL V
RUBBER,GEAR SHIFT PEDAL
2565220C00
€ 8.50

44
0916014052
ref: 44
WASHER(14X27X4)
0916014052
€ 4.50

45
0916018022
ref: 45
WASHER(18X24X1)
0916018022
€ 3.00

46
3772048B00
ref: 46
TERMINAL BASE ASSY,NEUTRAL
3772048B00
€ 62.00

47-1
0928036001
ref: 47-1

MODEL P
O RING(D:2.4,ID:36.5)
0928036001
€ 5.50

47-2
0928035006
ref: 47-2

MODEL R/S/T/V
O RING(D:2.4,ID:35.5)
0928035006
€ 4.50

48-1
0211275168
ref: 48-1

MODEL P
SCREW
0211275168
€ 2.50

48-2
0211275163
ref: 48-2

MODEL R/S/T/V
SCREW
0211275163
€ 2.50

49
0920905011
ref: 49
PIN(5X15.5)
0920905011
€ 2.00

50
0944004010
ref: 50
SPRING
0944004010
€ 2.00

51
0940406402
ref: 51

MODEL P/R
CLAMP
€ 3.00

52-1
0940406422
ref: 52-1

MODEL P/R
CLAMP
0940406422
€ 3.00

52-3
0940406429
ref: 52-3

MODEL S/T/V
CLAMP(L:45)
€ 3.00

52-4
0940406433
ref: 52-4

MODEL S/T/V
CLAMP(L:80)
0940406433
€ 3.50