Buy Suzuki RF Parts Online

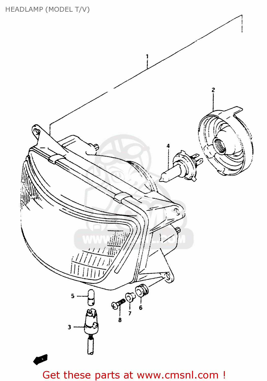
HEADLAMP (MODEL T/V)

RF600R 1995 (S) (E02 E04 E18 E22 E24 E25 E34 E37)

Headlamp (model t/v) diagram RF600R 1995 (S) (E02 E04 E18 E22 E24 E25 E34 E37)

HEADLAMP (MODEL T/V) RF600R 1995 (S) (E02 E04 E18 E22 E24 E25 E34 E37)
HEADLAMP (MODEL T/V) RF600R 1995 (S) (E02 E04 E18 E22 E24 E25 E34 E37)
HEADLAMP (MODEL T/V) RF600R 1995 (S) (E02 E04 E18 E22 E24 E25 E34 E37)
prices are in EUR
ref
part #
description
quantity
1-1
3510021E20999
ref: 1-1
HEADLAMP ASSY
€ 310.00

1-2
3510021E50999
ref: 1-2

E4,E18,E22,E25,E34,E
HEADLAMP ASSY
€ 334.50

1-3
3510021E00999
ref: 1-3

E24
HEADLAMP ASSY
€ 273.00

2
3517348B00
ref: 2
COVER,SOCKET
3517348B00
€ 10.50

3
3611821E50
ref: 3
CORD ASSY
€ 10.00

4
0947112060
ref: 4
BULB(12V60/55W,H4)
0947112060
€ 8.00

5
0947112063
ref: 5
BULB(12V4W)
0947112063
€ 6.00

6
0932007014
ref: 6
CUSHION
0932007014
€ 3.50

7
0916905018
ref: 7
WASHER
0916905018
€ 2.50

8
0211205163
ref: 8
SCREW
0211205163
€ 2.00

9
3595014A00
ref: 9

E18,E39
REFLECTOR,REFLEX FR
3595014A00
€ 15.00

10
3595421E00
ref: 10

E18,E39
BRACKET
€ 0.00

11-1
0836115055
ref: 11-1

MODEL P E18
NUT
€ 2.50

11-2
0831000053
ref: 11-2

MODEL R E18,E39
NUT
€ 2.50