×
Buy Suzuki RG Parts Online
home
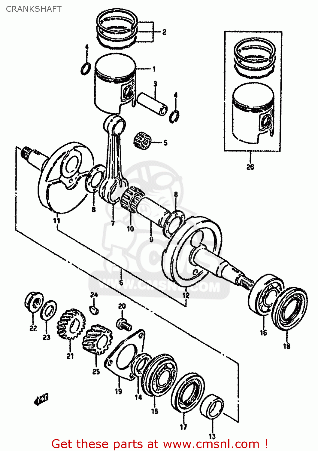
CRANKSHAFT
RG80 1988 (J) FRANCE GERMANY (E04 E22)
Crankshaft diagram RG80 1988 (J) FRANCE GERMANY (E04 E22)
CRANKSHAFT RG80 1988 (J) FRANCE GERMANY (E04 E22)
×
prices are in EUR
ref
part #
description
quantity
1-1
12110137030J0
ref: 1-1
PISTON (47.00MM)
€ 43.00
1-2
12110137030K0
ref: 1-2
PISTON
€ 40.00
1-3
12110137030L0
ref: 1-3
PISTON
€ 0.00
2
1214013731
ref: 2
RING SET,PISTON
€ 38.50
3
1215135400
ref: 3
PIN,PISTON
€ 9.00
4
0938112001
ref: 4
RING,SNAP
€ 2.00
5
0926312020
ref: 5
ROLLER BEARING (12X16X1
€ 9.50
6
1220013702
ref: 6
CRANKSHAFT ASSY
€ 438.50
7
1216135500
ref: 7
CONNECTING ROD
€ 51.00
8
0916020010
ref: 8
WASHER (20X34X1)
€ 4.50
9
12211354010E0
ref: 9
PIN,CRANK
€ 26.50
10
0926320052
ref: 10
BEARING(20X26X16)
€ 17.50
11
1222113701
ref: 11
CRANKSHAFT,RH
€ 0.00
12
12261137020A0
ref: 12
CRANKSHAFT,LH
€ 0.00
13
0918020089
ref: 13
SPACER(20X28X10)
€ 7.00
14
0918016029
ref: 14
SPACER(16X27X7)
€ 6.50
15
0926220064
ref: 15
BEARING(20X47X14)
€ 23.00
16
0926220121
ref: 16
BEARING(20X47X14)
€ 28.00
17
0928328013
ref: 17
SEAL,OIL(28X47X7.3)
€ 9.00
18
0928320034
ref: 18
SEAL,OIL(19.6X37X8)
€ 6.00
19
1254113700
ref: 19
RETAINER
€ 6.00
20
0211206127
ref: 20
SCREW
€ 2.50
21
2111104700
ref: 21
GEAR,PRIMARY DRIVE
€ 31.00
22
0915912005
ref: 22
NUT
€ 4.00
23
0916412016
ref: 23
WASHER
€ 5.00
24
0834131039
ref: 24
KEY
€ 2.00
25
2642104712
ref: 25
GEAR,TACHOMETER DRIVE
€ 28.00
26-1
1210013700050
ref: 26-1
OPT
PISTON SET(OS:0.5)
€ 90.50
26-2
1210013700100
ref: 26-2
OPT
PISTON SET(OS:1.0)
€ 76.00
up
all assemblies
* COLOR CHART *
* COLOR CHART *
* CATALOG PREFACE *
* CONVERSION CHART *
CYLINDER (E4)
CYLINDER (E22)
CRANKCASE
CRANKCASE COVER
CRANKSHAFT
CARBURETOR
AIR CLEANER
MUFFLER
OIL PUMP
WATER PUMP
RADIATOR
CLUTCH
TRANSMISSION
GEAR SHIFTING
KICK STARTER
MAGNETO
ELECTRICAL
SPEEDOMETER-TACHOMETER
HEADLAMP
TURN SIGNAL LAMP (E4)
TURN SIGNAL LAMP (E22)
REAR COMBINATION LAMP
WIRING HARNESS
FRAME
STAND-REAR BRAKE
FOOTREST
FUEL TANK (MODEL M E22 AG3,1ZX)
FUEL COCK
OIL TANK
SEAT TAIL COVER (MODEL M)
FRAME COVER (MODEL M E22 AG3,1ZX)
FRONT DAMPER
STEERING STEM
FRONT FENDER
FRONT WHEEL
HANDLEBAR
RIGHT HANDLE SWITCH
LEFT HANDLE SWITCH
FRONT CALIPER
FRONT BRAKE HOSE
FRONT MASTER CYLINDER
REAR SWINGING ARM
REAR FENDER
REAR WHEEL
COWLING (MODEL F)
COWLING (MODEL M AG3,1ZX)
OPTIONAL
up