×
Buy Suzuki RM Parts Online
home
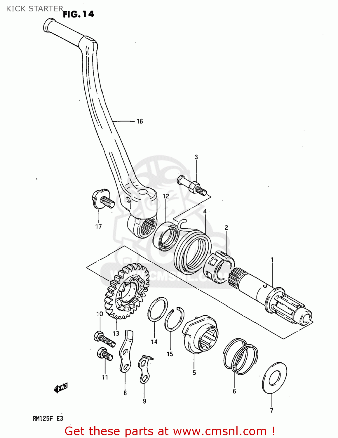
KICK STARTER
RM125 1984 (E) USA (E03)
Kick starter diagram RM125 1984 (E) USA (E03)
KICK STARTER RM125 1984 (E) USA (E03)
×
prices are in EUR
ref
part #
description
quantity
1
2621114500
ref: 1
SHAFT,KICK STARTER
€ 95.50
2
2622114500
ref: 2
GUIDE,KICK SHAFT SPRING
€ 10.00
3
2623714500
ref: 3
BOLT,KICK SHAFT SPRING
€ 3.50
4
0944848005
ref: 4
SPRING
€ 6.00
5
2623130002
ref: 5
26231-22A10
STARTER,KICK
€ 47.50
6
0944032002
ref: 6
SPRING
€ 2.50
7
0821117341
ref: 7
WASHER
€ 2.50
8
2623240200
ref: 8
GUIDE,KICK STARTER
€ 3.50
9
2623340200
ref: 9
26233-40201
STOPPER,KICK STARTER
€ 3.00
10
0110706168
ref: 10
01500-06167
BOLT, UPPER
€ 3.00
11
0110706108
ref: 11
01500-06107
BOLT
€ 2.00
12
0928320031
ref: 12
SEAL,OIL(20X27X5)
€ 5.50
13
2624014100
ref: 13
GEAR,KICK STARTER DRIVE
€ 57.00
14
0821122281
ref: 14
09181-22139
SHIM
€ 4.50
15
0938022006
ref: 15
CIRCLIP
€ 3.50
16
2630014500
ref: 16
26300-28E20
LEVER ASSEMBLY,KICK STARTER
€ 309.50
17
0910308069
ref: 17
BOLT(8X14)
€ 8.00
up
all assemblies
AIR CLEANER
CARBURETOR
CHAIN GUIDE
CLUTCH
CRANKCASE
CRANKCASE COVER
CRANKSHAFT
CUSHION LEVER
CYLINDER
DISC COVER (OPTIONAL) MODEL F
ELECTRICAL
FRAME - SEAT
FRAME COVER
FRONT CALIPER (MODEL F)
FRONT FENDER
FRONT FORK (MODEL E)
FRONT FORK (MODEL F)
FRONT HOSE (MODEL F)
FRONT MASTER CYLINDER (MODEL F)
FRONT WHEEL (MODEL E)
FRONT WHEEL (MODEL F)
FUEL COCK
FUEL TANK
GEAR SHIFTING
HANDLEBAR (MODEL E)
HANDLEBAR (MODEL F)
KICK STARTER
LEFT HANDLE GRIP (MODEL F)
LEFT HANDLE SWITCH (MODEL E)
MAGNETO
MUFFLER
PANEL COVER (OPTIONAL) (MODEL E)
RADIATOR
REAR BRAKE
REAR FENDER
REAR SWINGING ARM
REAR WHEEL (MODEL E)
REAR WHEEL (MODEL F)
RIGHT HANDLE SWITCH (MODEL E)
RIGHT HANDLE SWITCH (MODEL F)
SHOCK ABSORBER (MODEL E)
SHOCK ABSORBER (MODEL F)
STAND - FOOTREST
STEERING STEM (MODEL F)
TRANSMISSION (MODEL E)
TRANSMISSION (MODEL F)
WATER PUMP
up