×
Buy Suzuki RM Parts Online
home
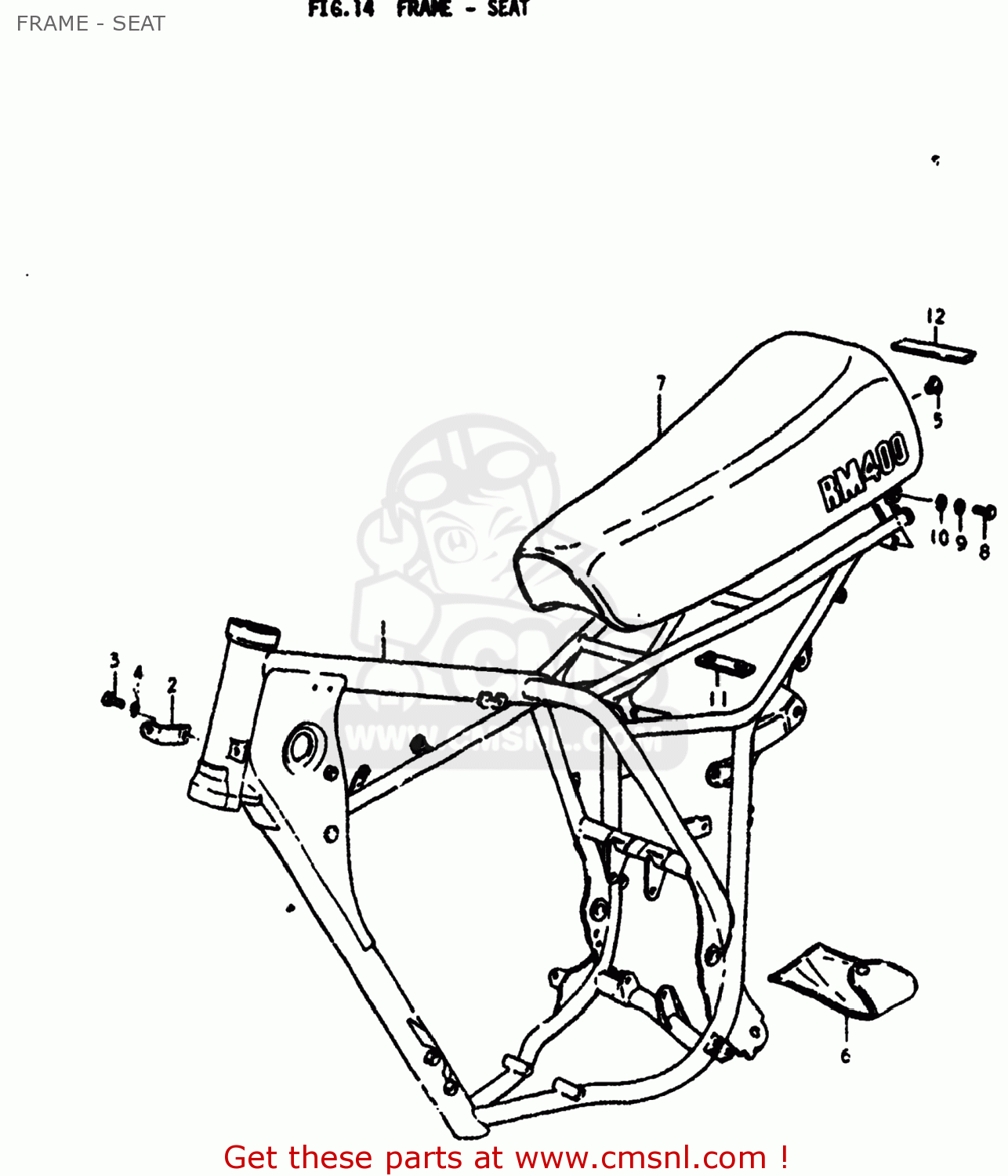
FRAME - SEAT
RM400 1978 (C) USA (E03)
Frame - seat diagram RM400 1978 (C) USA (E03)
FRAME - SEAT RM400 1978 (C) USA (E03)
×
prices are in EUR
ref
part #
description
quantity
1
4110041104019
ref: 1
FRAME
€ 264.50
2
4189041100
ref: 2
PLATE,ENGINE MOUNTING
€ 1.50
3
0110706128
ref: 3
01500-06127
BOLT
€ 2.50
4
0832121068
ref: 4
08321-01067
LOCK WASHER
€ 2.50
5
0925011003
ref: 5
CAP(OD:17)
€ 2.50
6
0980000170
ref: 6
09800-08800
TOOL SET
€ 10.50
7
4510041640865
ref: 7
45100-41622-865
SEAT ASSEMBLY
€ 131.00
8
0110708168
ref: 8
01500-0816B
BOLT
€ 2.00
9
0832121088
ref: 9
08321-01087
LOCK WASHER
€ 2.50
10
0832221088
ref: 10
08322-01087
WASHER
€ 2.50
11
0932108009
ref: 11
CUSHION
€ 4.50
12
4529941000
ref: 12
CUSHION,FRAME
€ 1.50
up
all assemblies
AIR CLEANER
CARBURETOR
CLUTCH
CRANKCASE
CRANKCASE COVER
CRANKSHAFT
CYLINDER
ELECTRICAL
FENDER
FRAME - SEAT
FRAME COVER
FRONT FORK
FRONT WHEEL
FUEL COCK
FUEL TANK
GEAR SHIFTING
HANDLE GRIP - LEVER
HANDLEBAR
KICK STARTER
MAGNETO
MUFFLER
REAR SWINGING ARM
REAR WHEEL
STAND - FOOTREST
TRANSMISSION
up