×
Buy Suzuki RM Parts Online
home
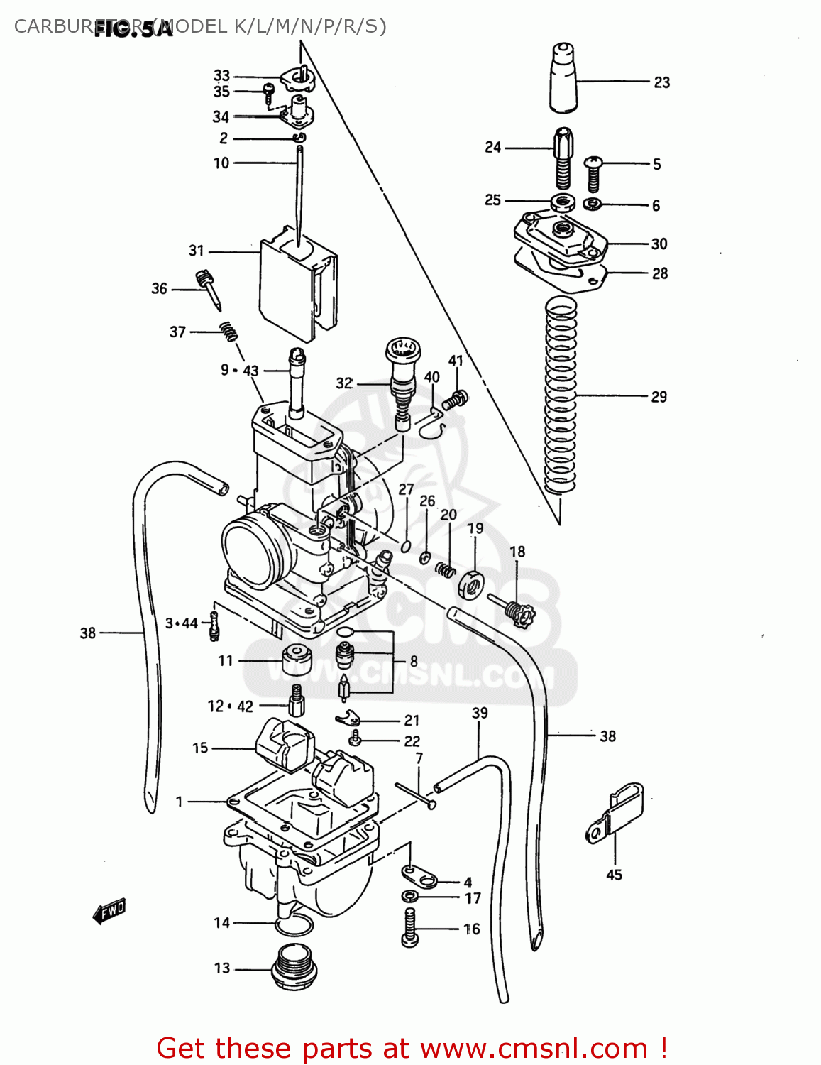
CARBURETOR (MODEL K/L/M/N/P/R/S)
RM80 1987 (H) USA (E03)
Carburetor (model k/l/m/n/p/r/s) diagram RM80 1987 (H) USA (E03)
CARBURETOR (MODEL K/L/M/N/P/R/S) RM80 1987 (H) USA (E03)
×
prices are in EUR
ref
part #
description
quantity
1320002B40
ref:
13200-03B00
CARBURETOR ASSEMBLY
€ 232.50
1320002B50
ref:
13200-03B00
CARBURETOR ASSEMBLY
€ 232.50
1320003B00
ref:
CARBURETOR ASSY
€ 232.50
1-1
1325129630
ref: 1-1
GASKET,FLOAT CHAMBER (NAS)
€ 7.00
1-2
1325102B40
ref: 1-2
GASKET,FLOAT CAHMBER (NAS)
€ 6.50
2
1339410010
ref: 2
CLIP
€ 5.00
3
0949230006
ref: 3
JET,PILOT(30)
€ 9.00
4
1369336500
ref: 4
PLATE,CARBURETOR
€ 4.50
5
0211204123
ref: 5
02112-0412A
SCREW
€ 1.50
6
0832101043
ref: 6
08321-0104A
WASHER,LOCK
€ 2.50
7
1325492311
ref: 7
PIN,FLOAT
€ 2.00
8-1
1337046900
ref: 8-1
VALVE ASSY,NEEDLE
€ 59.50
8-2
1337002B50
ref: 8-2
VALVE ASSY,NEEDLE
€ 59.50
9
0949400523
ref: 9
JET,NEEDLE(P-4)
€ 14.50
10
1338346900
ref: 10
NEEDLE,JET(5DP39-4)
€ 11.50
11
1333128710
ref: 11
RING
€ 8.50
12-1
0949140006
ref: 12-1
JET,MAIN(200)
€ 11.50
12-2
0949142001
ref: 12-2
09491-42005
JET,MAIN (210)
€ 11.00
13
1324746900
ref: 13
PLUG
€ 12.50
14
1324629630
ref: 14
O RING
€ 5.50
15-1
1325229630
ref: 15-1
FLOAT
€ 24.50
15-2
1325202B50
ref: 15-2
FLOAT
€ 26.00
16
0211204203
ref: 16
02112-0420A
SCREW
€ 1.00
17
0832101043
ref: 17
08321-0104A
WASHER,LOCK
€ 2.50
18
1326716700
ref: 18
ADJUSTER,THROTTLE STOP
€ 12.00
19
1366102B00
ref: 19
NUT
€ 4.50
20
1326835010
ref: 20
SPRING
€ 3.00
21
1337339110
ref: 21
PLATE
€ 7.00
22
0211204087
ref: 22
SCREW
€ 1.50
23
1368133010
ref: 23
CAP,CABLE ADJUSTER
€ 8.50
24
1357741612
ref: 24
ADJUSTER,CABLE
€ 8.50
25
1366116600
ref: 25
NUT
€ 5.50
26
1329135010
ref: 26
WASHER
€ 2.50
27
1329533010
ref: 27
O RING
€ 5.00
28
1326616700
ref: 28
GASKET,CARBURETOR TOP (NAS)
€ 6.00
29
1357316700
ref: 29
SPRING
€ 6.00
30
1326116700
ref: 30
CAP,CARBURETOR TOP
€ 14.50
31
1355120910
ref: 31
VALVE,THROTTLE
€ 56.50
32-1
1340020910
ref: 32-1
13410-26410
VALVE ASSEMBLY,STARTER
€ 36.00
32-2
1341026410
ref: 32-2
PLUNGER ASSY,STARTER
€ 36.00
33
1362916700
ref: 33
RING
€ 11.50
34
1339816700
ref: 34
JOINT
€ 7.00
35
0211233103
ref: 35
SCREW
€ 2.00
36-1
1326916700
ref: 36-1
SCREW,AIR
€ 10.00
36-2
1326916700
ref: 36-2
SCREW,AIR
€ 10.00
37
1326801010
ref: 37
SPRING
€ 4.00
38
0935135653600
ref: 38
HOSE(3.5X6.5X600)
€ 6.50
39
0935230503600
ref: 39
HOSE(3X5X600)
€ 9.50
40
1369214500
ref: 40
CLIP
€ 4.00
41
1360104148
ref: 41
SCREW
€ 3.00
42-1
0949134002
ref: 42-1
JET,MAIN(170)
€ 7.00
42-2
0949136006
ref: 42-2
JET,MAIN(180)
€ 15.00
42-3
0949138009
ref: 42-3
JET,MAIN(190)
€ 11.50
42-4
0949140006
ref: 42-4
JET,MAIN(200)
€ 11.50
42-5
0949142001
ref: 42-5
09491-42005
JET,MAIN (210)
€ 11.00
42-6
0949144001
ref: 42-6
09491-44007
JET,MAIN (220)
€ 9.50
42-7
0949146001
ref: 42-7
JET,MAIN(230)
€ 7.00
43-1
0949400519
ref: 43-1
JET,NEEDLE(P-0)
€ 15.50
43-2
0949400522
ref: 43-2
JET,NEEDLE,P-2
€ 14.50
43-3
0949400585
ref: 43-3
JET,NEEDLE,P-6
€ 18.50
43-4
0949400584
ref: 43-4
JET,NEEDLE (P-8)
€ 25.00
44-1
0949225005
ref: 44-1
JET,PILOT(25)
€ 7.00
44-2
0949235004
ref: 44-2
JET,PILOT(35)
€ 7.50
45
0940306307
ref: 45
CLAMP
€ 5.00
up
all assemblies
AIR CLEANER (MODEL G)
AIR CLEANER (MODEL H/J/K/L/M/N/P/R/S)
CARBURETOR (MODEL G/H/J)
CARBURETOR (MODEL K/L/M/N/P/R/S)
CDI UNIT - IGNITION COIL
CLUTCH (MODEL G/H/J)
CLUTCH (MODEL K/L/M/N/P/R/S)
CRANKCASE (MODEL G/H/J)
CRANKCASE (MODEL K)
CRANKCASE (MODEL L/M/N/P/R/S)
CRANKCASE COVER - WATER PUMP (MODEL G/H/J)
CRANKCASE COVER- WATER PUMP (MODEL K/L/M/N/P/R/S)
CRANKSHAFT (MODEL G/H)
CRANKSHAFT (MODEL J)
CRANKSHAFT (MODEL K)
CRANKSHAFT (MODEL L)
CRANKSHAFT (MODEL M/N/P/R/S)
CUSHION LEVER (MODEL G)
CUSHION LEVER (MODEL H/J/K)
CUSHION LEVER (MODEL L/M/N/P/R/S)
CYLINDER (MODEL G/H/J)
CYLINDER (MODEL K)
CYLINDER (MODEL L)
CYLINDER (MODEL M/N/P/R/S)
EXHAUST VALVE (MODEL K/L/M/N/P/R/S)
FRAME - SEAT (MODEL G)
FRAME - SEAT (MODEL H/J/K/L)
FRAME - SEAT (MODEL M/N)
FRAME - SEAT (MODEL P/R/S)
FRAME COVER (MODEL G/H/J/K/L)
FRAME COVER (MODEL M/N)
FRAME COVER (MODEL P/R/S)
FRONT BRAKE HOSE
FRONT CALIPER
FRONT FENDER
FRONT FORK (MODEL G/H/J)
FRONT FORK (MODEL K)
FRONT FORK (MODEL L/M/N/P/R)
FRONT FORK (MODEL S)
FRONT MASTER CYLINDER (MODEL G/H/J)
FRONT MASTER CYLINDER (MODEL K/L/M/N/P/R/S)
FRONT NUMBER PLATE
FRONT WHEEL (MODEL G/H/J/K)
FRONT WHEEL (MODEL L/M/N/P/R/S)
FUEL COCK
FUEL TANK (MODEL G/H)
FUEL TANK (MODEL J/K)
FUEL TANK (MODEL L/M)
FUEL TANK (MODEL N/P)
FUEL TANK (MODEL R/S)
GEAR SHIFTING (MODEL G/H/J)
GEAR SHIFTING (MODEL K/L/M/N/P/R/S)
HANDLE SWITCH (MODEL K/L/M/N/P/R/S)
HANDLEBAR - CONTROL CABLE
KICK STARTER
LABEL
LEFT HANDLE GRIP (MODEL G/H/J)
MAGNETO
MUFFLER (MODEL G/H/J)
MUFFLER (MODEL K/L/M/N/P/R/S)
RADIATOR (MODEL G/H/J/K/L/M/N/P)
RADIATOR (MODEL R/S)
REAR BRAKE (MODEL G/H/J/K)
REAR BRAKE (MODEL L/M/N/P/R/S)
REAR CALIPERS (MODEL L/M/N/P/R/S)
REAR FENDER (MODEL G/H/J/K/L/M)
REAR FENDER (MODEL N/P/R/S)
REAR MASTER CYLINDER (MODEL L)
REAR MASTER CYLINDER (MODEL M/N/P/R/S)
REAR SHOCK ABSORBER (MODEL G)
REAR SHOCK ABSORBER (MODEL H/J)
REAR SHOCK ABSORBER (MODEL K)
REAR SWINGING ARM (MODEL G/H/J)
REAR SWINGING ARM (MODEL K)
REAR SWINGING ARM (MODEL L)
REAR SWINGING ARM (MODEL M/N/P/R/S)
REAR WHEEL (MODEL G/H/J/K)
REAR WHEEL (MODEL L/M/N/P/R/S)
RIGHT HANDLE SWITCH (MODEL G/H/J)
SHOCK ABSORBER (MODEL L)
SHOCK ABSORBER (MODEL M/N/P/R/S)
STAND
STEERING STEM (MODEL G/H/J)
STEERING STEM (MODEL K)
STEERING STEM (MODEL L/M/N/P/R/S)
TRANSMISSION
up