×
Buy Suzuki TL Parts Online
home
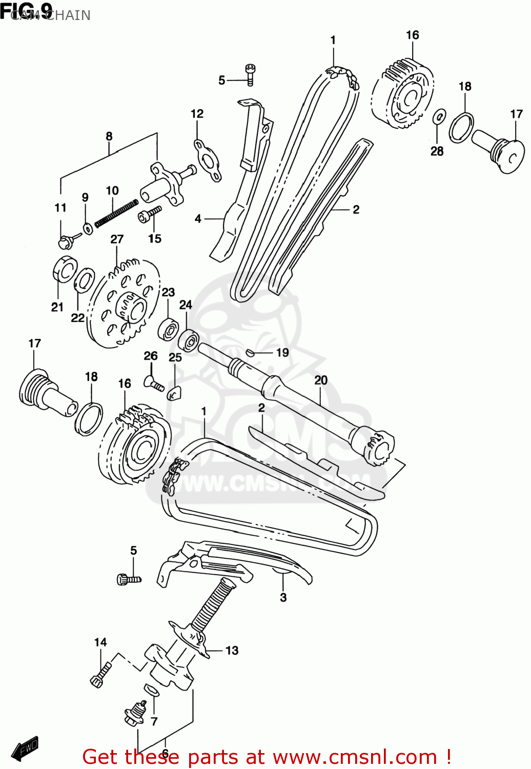
CAM CHAIN
TL1000S 2000 (Y) USA (E03)
Cam chain diagram TL1000S 2000 (Y) USA (E03)
CAM CHAIN TL1000S 2000 (Y) USA (E03)
×
prices are in EUR
ref
part #
description
quantity
1
1276002F00
ref: 1
CHAIN,CAMSHAFT DRIVE
€ 117.50
2
1277102F00
ref: 2
GUIDE,CAM CHAIN
€ 42.00
3-1
1281002F00
ref: 3-1
12810-02F10
TENSIONER COMP,CAM CHAIN
€ 45.00
3-2
1281002F10
ref: 3-2
TENSIONER,CAM CHAIN FR
€ 45.00
4-1
1281502F00
ref: 4-1
12815-02F10
TENSIONER COMP,CAM CHAIN
€ 50.50
4-2
1281502F10
ref: 4-2
TENSIONER,CAM CHAIN RR
€ 50.50
5-1
0713006163
ref: 5-1
07130-0616B
BOLT,OIL FILLE
€ 3.50
5-2
0712006123
ref: 5-2
07120-0612B
BOLT
€ 4.00
6
1283224A01
ref: 6
ADJUSTER ASSY,RR TENSIONER
€ 134.50
7
0916812018
ref: 7
GASKET(12X21X2) (NAS)
€ 2.50
8
1283030A01
ref: 8
ADJUSTER ASSY,TENSIONER
€ 59.50
9
1283202A00
ref: 9
O RING
€ 2.00
10
1283330A01
ref: 10
SPRING
€ 2.00
11
1283402A00
ref: 11
PLUG,ADJUSTER
€ 9.00
12
1283719B10
ref: 12
GASKET,TENSIONER ADJUSTER (NAS)
€ 3.50
13
1283724A10
ref: 13
GASKET,TENSIONER ADJUSTER (NAS)
€ 4.00
14
0713006253
ref: 14
07130-0625B
BOLT,CL.COVER
€ 3.50
15
0713006203
ref: 15
07130-0620B
BOLT,CRKCASE,R
€ 3.50
16-1
1275002F00
ref: 16-1
12750-02F10
GEAR COMP,CAM CHAIN ID
€ 91.00
16-1
1275002F00
ref: 16-1
12750-02F10
GEAR COMP,CAM CHAIN ID
€ 91.00
16-2
1275002F10
ref: 16-2
GEAR,CAM CHAIN IDLER NO.2
€ 99.00
16-2
1275002F10
ref: 16-2
GEAR,CAM CHAIN IDLER NO.2
€ 99.00
17
1275502F01
ref: 17
SHAFT,IDLER NO.2
€ 37.00
18
0916826001
ref: 18
GASKET(26.5X30.5X1) (NAS)
€ 5.50
19
0942104004
ref: 19
KEY
€ 4.00
20
1271602F00
ref: 20
SHAFT,IDLER
€ 110.00
21
0914016005
ref: 21
NUT
€ 5.00
22
0918116212
ref: 22
SHIM(16X26X1.5)
€ 2.50
23
0811363030
ref: 23
BEARING
€ 17.00
24-1
0811360050
ref: 24-1
BEARING
€ 16.50
24-1
0811360050
ref: 24-1
BEARING
€ 16.50
24-2
0926225123
ref: 24-2
BEARING(25X47X10)
€ 32.50
24-2
0926225123
ref: 24-2
BEARING(25X47X10)
€ 32.50
25
2474120A00
ref: 25
RETAINER,COUNTER BEARING,R
€ 2.50
26
0212206123
ref: 26
02122-0612A
SCREW
€ 3.50
27-1
1273102F00
ref: 27-1
12731-02F10
SPROCKET,IDLER NO.1
€ 69.50
27-2
1273102F10
ref: 27-2
SPROCKET,IDLER NO.1
€ 69.50
28-1
0918115164
ref: 28-1
SHIM(15X24X0.9)
€ 3.00
28-2
0918115166
ref: 28-2
SHIM(15X24X1)
€ 4.00
28-3
0918115172
ref: 28-3
SHIM(15X24X1.1)
€ 3.00
28-4
0918115176
ref: 28-4
SHIM(15X24X1.2)
€ 3.00
28-5
0918115181
ref: 28-5
SHIM(15X24X1.3)
€ 3.00
28-6
0918115182
ref: 28-6
SHIM(15X24X1.4)
€ 3.00
up
all assemblies
2ND AIR (MODEL W/X/Y/K1)
AIR CLEANER
BATTERY
CAM CHAIN
CAM SHAFT / VALVE
CANISTER (E33)
CLUTCH (MODEL V/W)
CLUTCH (MODEL X/Y/K1)
COWLING BODY (MODEL K1)
COWLING BODY (MODEL V)
COWLING BODY (MODEL W)
COWLING BODY (MODEL X)
COWLING BODY (MODEL Y)
CRANKCASE
CRANKCASE COVER
CRANKSHAFT
CYLINDER
ELECTRICAL
FOOTREST
FRAME
FRAME COVER (MODEL K1)
FRAME COVER (MODEL V/W)
FRAME COVER (MODEL X/Y)
FRONT BRAKE HOSE
FRONT CALIPERS
FRONT CYLINDER HEAD
FRONT DAMPER (MODEL V)
FRONT DAMPER (MODEL W/X/Y/K1)
FRONT FENDER
FRONT MASTER CYLINDER
FRONT WHEEL (MODEL K1)
FRONT WHEEL (MODEL V/W/X/Y)
FUEL TANK (MODEL V/W/X)
FUEL TANK (MODEL Y/K1)
GEAR SHIFTING (MODEL V/W)
GEAR SHIFTING (MODEL X/Y/K1)
HANDLE LEVER
HANDLE SWITCH
HANDLEBAR
HEADLAMP
INSTALLATION PARTS
LABEL (MODEL K1)
LABEL (MODEL V/W/X/Y)
MAGNETO
MUFFLER
OIL COOLER
OIL PUMP / FUEL PUMP
PILLION RIDER HANDLE SET (OPTIONAL)
RADIATOR
RADIATOR HOSE
REAR CALIPER
REAR CUSHION LEVER
REAR CYLINDER HEAD
REAR DAMPER
REAR FENDER
REAR MASTER CYLINDER
REAR SWINGING ARM
REAR WHEEL
SEAT
SPEEDOMETER
STAND
STARTER CLUTCH
STARTING MOTOR
STEERING DAMPER (MODEL V)
STEERING DAMPER (MODEL W/X/Y/K1)
STEERING STEM (MODEL V)
STEERING STEM (MODEL W/X/Y/K1)
TAIL LAMP
THROTTLE BODY
THROTTLE BODY FITTING PARTS
TRANSMISSION (MODEL V/W)
TRANSMISSION (MODEL X/Y/K1)
TURNSIGNAL LAMP
WATER PUMP
WIRING HARNESS
up