×
Buy Suzuki TS Parts Online
home
TS125R 1989 (K) (E02 E04 E15 E17 E18 E21 E24 E34 E53)
* COLOR CHART *
0 products
* COLOR CHART *
0 products
* CATALOG PREFACE *
0 products
* CONVERSION CHART *
0 products
CYLINDER
34 products
EXHAUST VALVE
35 products
CRANKCASE
36 products
CRANKCASE COVER
27 products
CRANKSHAFT
44 products
CRANK BALANCER
16 products
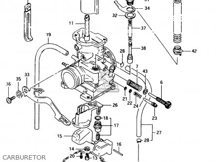
CARBURETOR
64 products
AIR CLEANER
22 products
MUFFLER
38 products
OIL PUMP
22 products
WATER PUMP
22 products
RADIATOR (MODEL P/R)
63 products
CLUTCH
27 products
TRANSMISSION
43 products
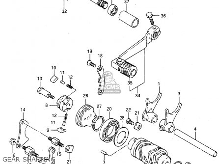
GEAR SHAFTING
49 products
KICK STARTER
20 products
MAGNETO
7 products
BATTERY
12 products
ELECTRICAL
11 products
SPEEDOMETER
58 products
SPEEDOMETER (E24)
35 products
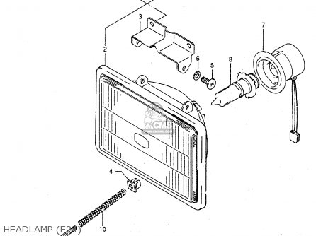
HEADLAMP
27 products
HEADLAMP (E24)
12 products
TURNSIGNAL LAMP
28 products
TURNSIGNAL LAMP (E24)
19 products
REAR COMBINATION LAMP
27 products
WIRING HARNESS
36 products
FRAME (MODEL R)
27 products
STAND - FOOTREST (MODEL R)
42 products
REAR BRAKE
11 products
FUEL TANK (MODEL R)
24 products
FUEL COCK
10 products
OIL TANK
13 products
SEAT (MODEL R)
31 products
FRAME COVER (MODEL P/R)
40 products
FRONT DAMPER
43 products
STEERING STEM
24 products
HEADLAMP COVER (MODEL M/N/P/R)
36 products
FRONT WHEEL (MODEL L/M/N/P/R)
23 products
HANDLEBAR
14 products
RIGHT HANDLE SWITCH
29 products
LEFT HANDLE SWITCH
25 products
FRONT CALIPER
17 products
FRONT MASTER CYLINDER
19 products
REAR SWINGING ARM (MODEL R)
24 products
REAR SHOCK ABSORBER
14 products
REAR CUSHION LEVER
18 products
REAR FENDER
55 products
REAR WHEEL
33 products
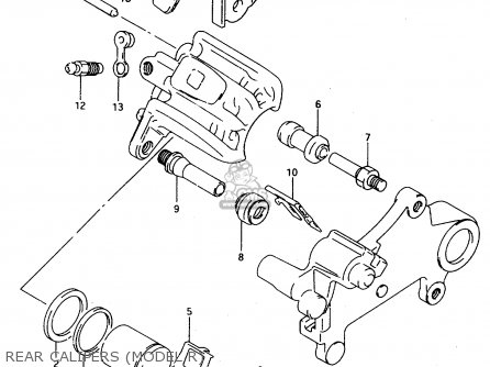
REAR CALIPERS (MODEL R)
23 products
REAR MASTER CYLINDER (MODEL L/M/N/P/R)
33 products
OPTIONAL
22 products
up
popular products
2474112B00
RETAINER,CNTR SHAFT BEARING
Suzuki
5821003D01
CABLE,CLUTCH
Suzuki
3515430B00
SPRING,HEAD LAMP ADJUSTER
Suzuki
5910700B20
SEAL,PISTON
Suzuki