Buy Suzuki VL Parts Online

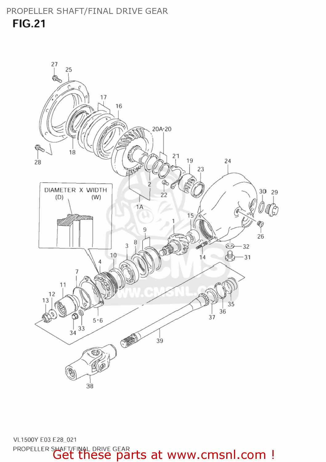
PROPELLER SHAFT/FINAL DRIVE GEAR

VL1500 INTRUDER 1999 (X) USA (E03)

Propeller shaft/final drive gear diagram VL1500 INTRUDER 1999 (X) USA (E03)

PROPELLER SHAFT/FINAL DRIVE GEAR VL1500 INTRUDER 1999 (X) USA (E03)
PROPELLER SHAFT/FINAL DRIVE GEAR VL1500 INTRUDER 1999 (X) USA (E03)
PROPELLER SHAFT/FINAL DRIVE GEAR VL1500 INTRUDER 1999 (X) USA (E03)
prices are in EUR
ref
part #
description
quantity
 
2730010810
ref:  

27300-10812
GEAR & CASE SET,FINAL BEVEL
€ 1,521.50

1
2731124A03
ref: 1
GEAR,FINAL DRIVE BEVEL
2731124A03
€ 198.00

1A
2732038B00
ref: 1A
GEAR,FINAL DRIVEN BEVEL
2732038B00
€ 360.00

2
0833131526
ref: 2
.CIRCLIP
€ 3.50

3
0926228023
ref: 3
BEARING(28X68X18)
0926228023
€ 77.00

4
2731224A02
ref: 4
STOPPER,FINAL DRIVE BEARING
2731224A02
€ 42.00

5
2731338B00
ref: 5
PLATE,BEARING STOPPER
2731338B00
€ 4.50

6
2731338B10
ref: 6
PLATE,BEARING STOPPER
2731338B10
€ 4.50

7
0928064003
ref: 7
O RING(D:3.1,ID:63.9)
0928064003
€ 6.00

8
0916054001
ref: 8
WASHER(54X68X1.5)
0916054001
€ 7.00

9
2744524810
ref: 9
SHIM SET,FINAL DRIVE GEAR
2744524810
€ 16.00

10
0928347002
ref: 10
SEAL,OIL
0928347002
€ 11.50

11
2717224A00
ref: 11
COUPLING,FINAL DRIVE GEAR
2717224A00
€ 39.00

12
0916016029
ref: 12
WASHER(16X29X4)
0916016029
€ 7.00

13
0915916003
ref: 13
NUT
0915916003
€ 4.00

14
0142110253
ref: 14

01421-1025B
BOLT
0142110253
€ 3.50

15
0926320062
ref: 15
BEARING(20X34X18)
0926320062
€ 29.00

16
0926285001
ref: 16
BEARING(85X130X14)
0926285001
€ 114.00

17
2732738810
ref: 17
SHIM SET,FINAL DRIVEN GEAR
2732738810
€ 67.50

18
0928970002
ref: 18
SEAL,OIL(70X110X14.7)
0928970002
€ 62.50

19
0926335004
ref: 19
BEARING(35X48X23.7)
0926335004
€ 63.00

20
0916035008
ref: 20
WASHER(35X46X0.95)
0916035008
€ 5.00

20A
2732645811
ref: 20A
SHIM SET,FINAL DRIVEN GEAR
€ 20.00

20A
2732645811
ref: 20A
SHIM SET,FINAL DRIVEN GEAR
€ 20.00

21
2732945100
ref: 21
RETAINER,FINAL DRIVEN GEAR BRG
€ 5.00

22
0211206123
ref: 22

02112-0612A
SCREW
0211206123
€ 1.50

23
0928335033
ref: 23
SEAL,OIL(35X43X5)
0928335033
€ 15.00

24
2745038B10
ref: 24
CASE,FINAL GEAR
€ 628.50

25
2746138B00
ref: 25
CASE,FINAL GEAR BEARING
2746138B00
€ 156.00

26-1
0924816010
ref: 26-1

09248-16012
PLUG
0924816010
€ 5.00

26-2
0924816012
ref: 26-2
PLUG,16X8
0924816012
€ 5.00

27
0155008253
ref: 27

01550-0825A
BOLT
0155008253
€ 2.50

28
0155010253
ref: 28

01550-1025A
BOLT
0155010253
€ 3.50

29
0925930007
ref: 29
PLUG,30X9
0925930007
€ 16.00

30
0928026006
ref: 30
O RING(D:3.1,ID:26.4)
0928026006
€ 3.00

31-1
0924714001
ref: 31-1

09247-14002
PLUG
0924714001
€ 5.50

31-2
0924714002
ref: 31-2
PLUG(MAGNETO)
0924714002
€ 5.50

32
0916814002
ref: 32

09168-14004
GASKET(13.8X18.8X4.8) (NAS)
0916814002
€ 2.50

33
0916410008
ref: 33
WASHER
0916410008
€ 2.00

34
0915910026
ref: 34
NUT
0915910026
€ 7.00

35
0944030008
ref: 35
SPRING
0944030008
€ 3.00

36
0938140003
ref: 36
CIRCLIP
0938140003
€ 5.50

37
0928330026
ref: 37
SEAL,OIL(30X40.5X5.5)
0928330026
€ 10.50

38
2710038B00
ref: 38

27100-38B01
YOKE COMP,UNIVERSAL JOINT
€ 373.00

39
2715110F00
ref: 39
SHAFT,PROPELLER
2715110F00
€ 242.50

all assemblies