×
Buy Suzuki VS Parts Online
home
VS800GL 1998 (W) (E02 E04 E17 E18 E22 E25 E34)
* COLOR CHART *
0 products
* CATALOG PREFACE *
0 products
CYLINDER HEAD (FRONT)
61 products
CARBURETOR (FRONT)
61 products
CARBURETOR (FRONT:E18)
52 products
CARBURETOR (REAR)
59 products
CARBURETOR (REAR:E18)
50 products
AIR CLEANER (FRONT)
11 products
AIR CLEANER (REAR)
15 products
MUFFLER
18 products
OIL PUMP - FUEL PUMP
22 products
WATER PUMP
25 products
RADIATOR
39 products
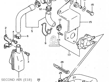
SECOND AIR (E18)
31 products
CLUTCH
30 products
CYLINDER HEAD (REAR)
56 products
TRANSMISSION
38 products
SECONDARY DRIVE GEAR
20 products
GEAR SHIFTING
41 products
PROPELLER SHAFT - FINAL DRIVE GEAR
41 products
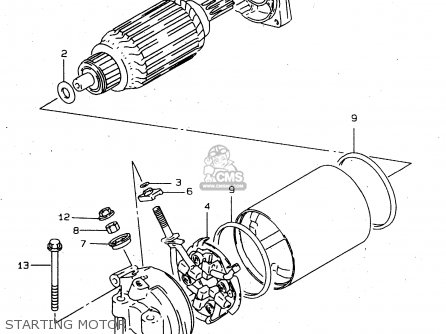
STARTING MOTOR
13 products
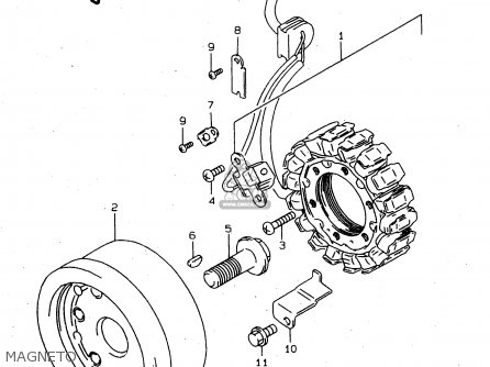
MAGNETO
11 products
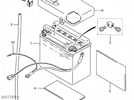
BATTERY
10 products
ELECTRICAL
22 products
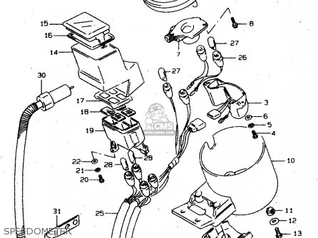
SPEEDOMETER
33 products
HEADLAMP
27 products
CYLINDER
19 products
TURN SIGNAL LAMP
29 products
REAR COMBINATION LAMP
37 products
WIRING HARNESS
25 products
HANDLE SWITCH
6 products
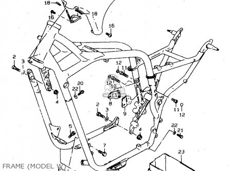
FRAME (MODEL W)
36 products
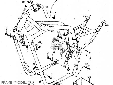
FRAME (MODEL X)
36 products
PROP STAND - REAR BRAKE
24 products
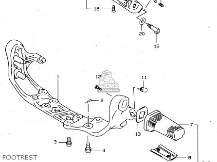
FOOTREST
22 products
FRAME HANDLE GRIP
19 products
FUEL TANK (MODEL W)
22 products
FUEL TANK (MODEL X)
22 products
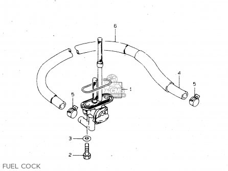
FUEL COCK
6 products
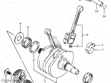
CRANKCASE
63 products
FRAME COVER
22 products
FRONT FENDER
9 products
HANDLEBAR
30 products
HANDLE LEVER
10 products
REAR FENDER
26 products
WARNING LABEL
15 products
SEAT
20 products
FRONT DAMPER
25 products
STEERING STEM
18 products
FRONT WHEEL
17 products
CRANKCASE COVER
32 products
FRONT CALIPER
16 products
FRONT MASTER CYLINDER
14 products
CLUTCH MASTER CYLINDER
14 products
REAR SWINGING ARM
41 products
REAR WHEEL
31 products
OPTIONAL
17 products
CRANKSHAFT
29 products
STARTER CLUTCH
6 products
CAMSHAFT - VALVE
34 products
CAM CHAIN
11 products
up
popular products
0918006092
SPACER(6.2X8.3X6.1)
Suzuki
4744138B00
HOLDER,TOOL FR
Suzuki
3576538A30
CUSHION
Suzuki
1284538A01
ARM,INTAKE VALVE ROCKER RR
Suzuki