×
Buy Suzuki VZ Parts Online
home
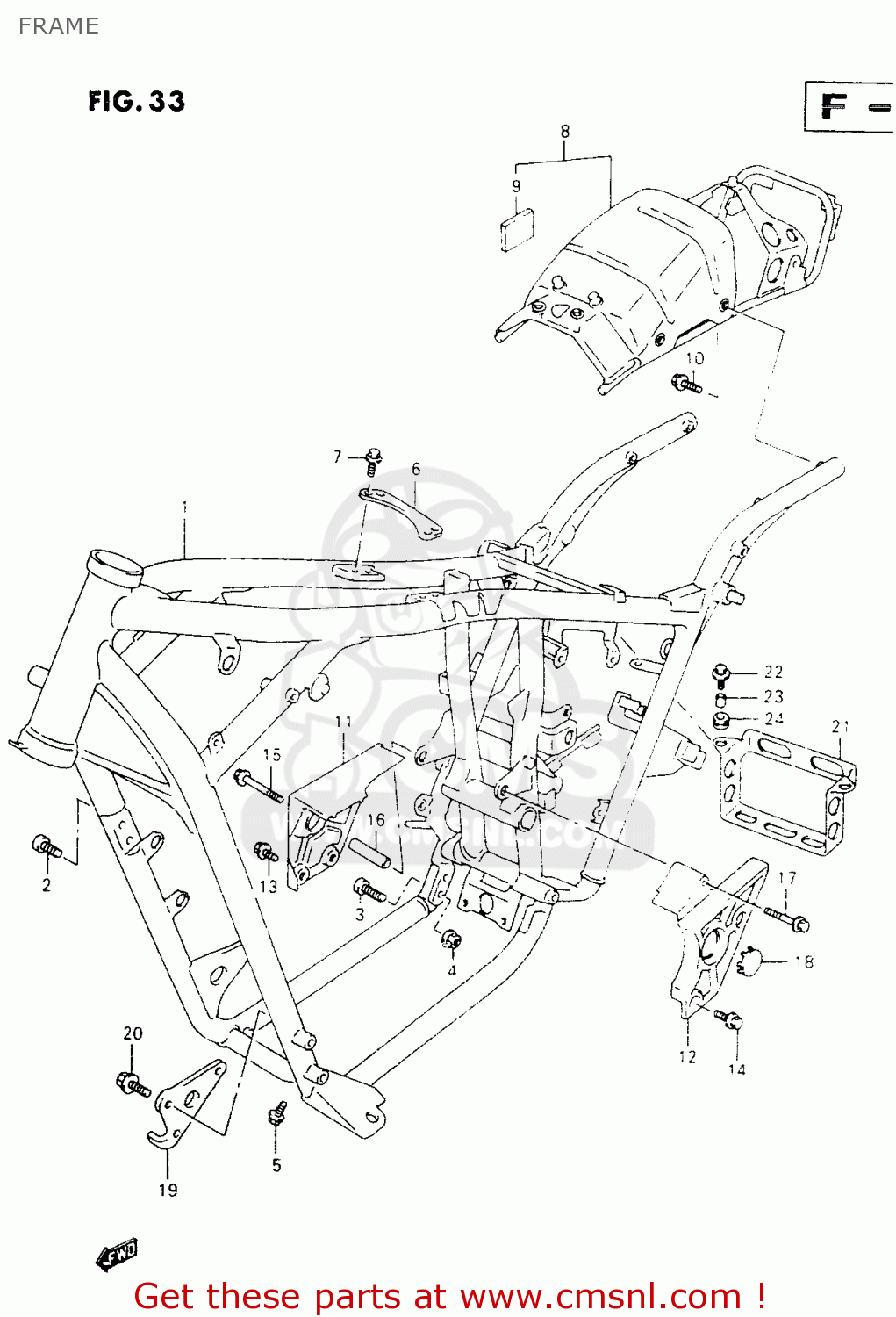
FRAME
VZ800 1999 (X)
Frame diagram VZ800 1999 (X)
FRAME VZ800 1999 (X)
×
prices are in EUR
ref
part #
description
quantity
1-1
4110048E10019
ref: 1-1
MODEL V
FRAME(BLACK)
€ 1,186.50
1-2
4110048E50019
ref: 1-2
MODEL W
FRAME(BLACK)
€ 1,186.50
2
0713010253
ref: 2
BOLT
€ 4.00
3
0713010353
ref: 3
BOLT
€ 3.50
4
0831931103
ref: 4
NUT
€ 3.50
5
0155008163
ref: 5
BOLT
€ 3.00
6
4199948E00
ref: 6
PLATE,FRAME BODY
€ 13.00
7
0155008203
ref: 7
BOLT
€ 3.50
8
4150148E00
ref: 8
BRACE ASSY,RR FRAME
€ 479.50
9
1371984150
ref: 9
PAD
€ 3.00
10
0155008203
ref: 10
BOLT
€ 3.50
11
4196148E00
ref: 11
COVER,PIVOT,R
€ 90.00
12
4196248E00
ref: 12
COVER,PIVOT,L
€ 67.50
13
4196348E00
ref: 13
4196348E00
14
4196448E00
ref: 14
BOLT,PIVOT COVER
€ 4.00
15
4196648E00
ref: 15
BOLT,PIVOT COVER FR,R
€ 11.50
16
4196748E00
ref: 16
SPACER,PIVOT COVER,R
€ 7.00
17
4196548E00
ref: 17
BOLT,PIVOT COVER UPR,L
€ 7.00
18
6122238A01
ref: 18
CAP,RR SWINGING ARM PIVOT,R
€ 7.00
19
4192148E00
ref: 19
PLATE,ENGINE MOUNT NO.1,L
€ 23.50
20
0158010303
ref: 20
BOLT
€ 3.50
21
4154048E00
ref: 21
HOLDER,BATTERY
€ 34.50
22
0911606006
ref: 22
BOLT(6X16)
€ 2.00
23-1
0918006262
ref: 23-1
MODEL V
SPACER(6.5X9X8.5)
€ 3.50
23-2
0918006261
ref: 23-2
MODEL W
SPACER(6.5X9X8)
€ 2.00
24
0932008021
ref: 24
CUSHION
€ 4.50
up
all assemblies
* COLOR CHART *
* CATALOG PREFACE *
* CATALOG PREFACE *
* CONVERSION CHART *
FRONT CYLINDER HEAD
FRONT CARBURETOR
REAR CARBURETOR
FRONT AIR CLEANER
REAR AIR CLEANER
MUFFLER
OIL PUMP / FUEL PUMP
WATER PUMP
RADIATOR
RADIATOR HOSE
2ND AIR (EXCEPT E18)
2ND AIR (E18)
REAR CYLINDER HEAD
CLUTCH
TRANSMISSION
GEAR SHIFTING
STARTING MOTOR
MAGNETO
ELECTRICAL
BATTERY
SPEEDOMETER
HEADLAMP (E2,E24)
HEADLAMP (EXCEPT E2,E24)
TURN SIGNAL LAMP
CYLINDER
REAR COMBINATION LAMP
WIRING HARNESS
HANDLE SWITCH
FRAME
STAND
FOOTREST
FUEL TANK (MODEL V)
FUEL TANK (MODEL W)
FUEL COCK
FRAME COVER
HEADLAMP HOUSING
CRANKCASE
FRONT FENDER (MODEL V)
FRONT FENDER (MODEL W)
HANDLEBAR
HANDLE LEVER
CONTROL CABLE
REAR FENDER (MODEL V)
REAR FENDER (MODEL W)
REAR BOX
LABEL
COWLING (OPTIONAL)
SEAT
FRONT DAMPER
CRANKCASE COVER
STEERING STEM
FRONT WHEEL
FRONT CALIPER
FRONT MASTER CYLINDER
REAR SWINGING ARM
REAR SHOCK ABSORBER
REAR WHEEL
OPTIONAL
CRANKSHAFT
STARTER CLUTCH
CAM SHAFT/VALVE
CAM CHAIN
up