×
Buy Suzuki DR Parts Online
home
DR125 1987 (H) USA (E03)
AIR CLEANER
18 products
CAM CHAIN
14 products
CAM SHAFT - VALVE
21 products
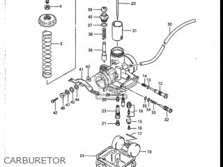
CARBURETOR
48 products
CLUTCH
25 products
CRANKCASE
15 products
CRANKCASE COVER
27 products
CRANKSHAFT
21 products
CYLINDER
8 products
CYLINDER HEAD
34 products
ELECTRICAL
11 products
FOOTREST
26 products
FRAME
33 products
FRAME COVER
22 products
FRONT BRAKE HOSE
6 products
FRONT CALIPER
22 products
FRONT FENDER
9 products
FRONT FORK
33 products
FRONT MASTER CYLINDER
8 products
FRONT WHEEL
18 products
FUEL COCK
5 products
FUEL TANK (MODEL G/H)
22 products
FUEL TANK (MODEL J)
18 products
GEAR SHIFTING
38 products
HANDLEBAR
15 products
HEADLAMP
8 products
HEADLAMP HOUSING
17 products
KICK STARTER
16 products
LIGHT HANDLE SWITCH
21 products
MAGNETO
15 products
MUFFLER
23 products
OIL PUMP
23 products
REAR COMBINATION LAMP
14 products
REAR CUSHION
27 products
REAR FENDER
40 products
REAR SWINGING ARM
33 products
REAR WHEEL
38 products
RIGHT HANDLE SWITCH
16 products
SEAT
17 products
STAND - REAR BRAKE
26 products
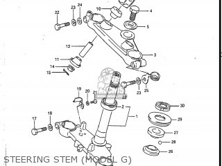
STEERING STEM (MODEL G)
31 products
STEERING STEM (MODEL H/J)
30 products
TRANSMISSION
42 products
TRIP METER
13 products
WIRING HARNESS
7 products
up
popular products
0944012030
SPRING
Suzuki
2622105200
GUIDE,KICK STARTER SFT SPRING
Suzuki
1341747070
SPRING
Suzuki
6264642A11
SPACER,CUSHION LEVER SHAFT
Suzuki