×
Buy Suzuki DR Parts Online
home
DR350SH 1993 (P) (E04 E18 E21 E22)
* COLOR CHART *
0 products
* CATALOG PREFACE *
0 products
* CONVERSION CHART *
0 products
CYLINDER HEAD
57 products
CYLINDER
10 products
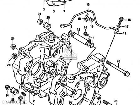
CRANKCASE
32 products
CRANKCASE COVER
49 products
CRANKSHAFT
33 products
CRANK BALANCER
14 products
CAM SHAFT-VALVE (MODEL R)
33 products
CAM CHAIN
13 products
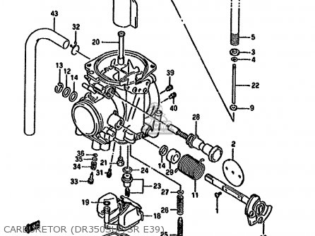
CARBURETOR (DR350SUP/SR E39)
78 products
AIR CLEANER
31 products
MUFFLER
31 products
OIL PUMP
23 products
SECOND AIR (DR350SR E18,DR350SN/SP/SUP/SR E39)
26 products
CLUTCH
22 products
TRANSMISSION
50 products
GEAR SHIFTING
41 products
KICK STARTER
19 products
MAGNETO (MODEL P/R)
13 products
BATTERY
15 products
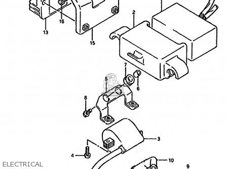
ELECTRICAL
23 products
SPEEDOMETER (DR350SHN/SHP/SHR)
54 products
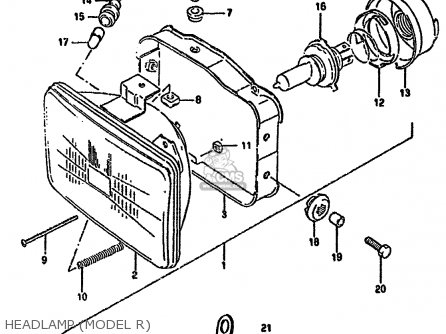
HEADLAMP (MODEL R)
32 products
TURN SIGNAL LAMP
33 products
TAIL LAMP
36 products
WIRING HARNESS
45 products
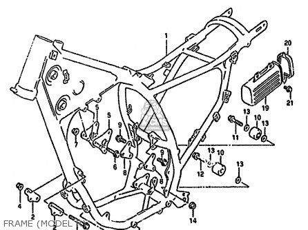
FRAME (MODEL R)
51 products
STAND-REAR BRAKE
25 products
FOOTREST
38 products
FUEL TANK (MODEL R E24)
33 products
FUEL COCK
11 products
SEAT (MODEL R)
28 products
FRAME COVER (DR350SHN/SHP/SHR)
22 products
FRONT DAMPER (DR350SR E22,E24)
38 products
STEERING STEM (DR350SHN/SHP/SHR)
27 products
HEADLAMP COVER
19 products
FRONT FENDER
10 products
FRONT WHEEL
20 products
HANDLEBAR (DR350SHN/SHP/SHR)
21 products
RIGHT HANDLE SWITCH (SEE NOTE)
25 products
LEFT HANDLE SWITCH
35 products
FRONT CALIPER
18 products
FRONT MASTER CYLINDER (DR350SHN/SHP/SHR)
18 products
REAR SWINGING ARM (MODEL R)
43 products
REAR SHOCK ABSORBER (DR350SHN/SHP/SHR)
22 products
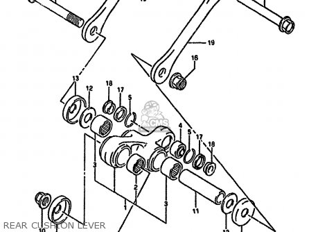
REAR CUSHION LEVER
26 products
REAR FENDER (MODEL R)
59 products
REAR WHEEL
39 products
REAR CALIPER (MODEL R)
19 products
REAR MASTER CYLINDER
35 products
OPTIONAL
22 products
up
popular products
0948200463
PLUG,SPARK(U31ETR)
Suzuki
3661014D50
HARNESS,WIRING
Suzuki
3774014D00
SWITCH ASSY,STOP LAMP
Suzuki
3560314D20
LAMP ASSY,RR TURNSIGNAL
Suzuki