×
Buy Suzuki DR Parts Online
home
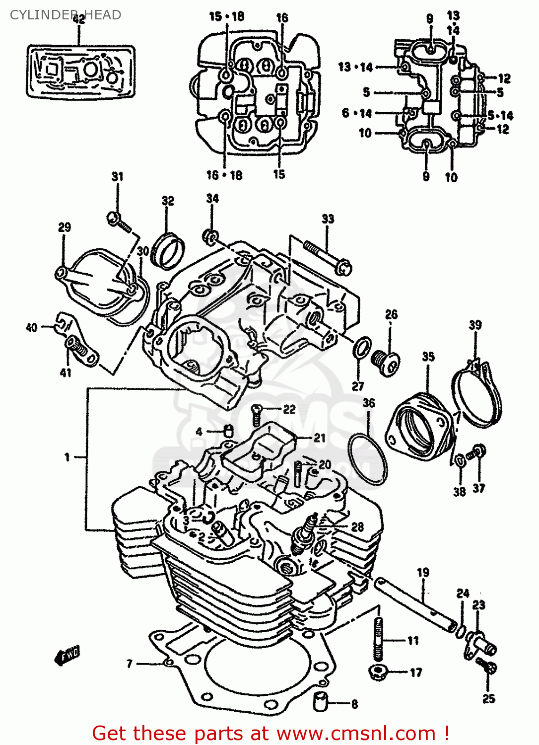
CYLINDER HEAD
DR650R 1994 (R) (E04 E21 E22 E53)
Cylinder head diagram DR650R 1994 (R) (E04 E21 E22 E53)
CYLINDER HEAD DR650R 1994 (R) (E04 E21 E22 E53)
×
prices are in EUR
ref
part #
description
quantity
1-1
1110012D60
ref: 1-1
HEAD ASSEMBLY,CYLINDER
€ 1,267.00
1-2
1110012D70
ref: 1-2
E18
HEAD ASSY,CYLINDER
€ 789.50
2
1111537470
ref: 2
GUIDE,VALVE
€ 22.00
3
0938110003
ref: 3
RING,SNAP
€ 4.50
4
0920608001
ref: 4
PIN(6.2X8X11)
€ 2.00
5
0151706608
ref: 5
BOLT (6X60)
€ 3.00
6
0910306151
ref: 6
BOLT 6X55
€ 7.00
7
1114112D00
ref: 7
GASKET,CYLINDER HEAD (NAS)
€ 48.50
8
0920613001
ref: 8
PIN
€ 2.50
9-1
0151706257
ref: 9-1
MODEL N/P
BOLT 6X25
€ 2.50
9-2
0155006253
ref: 9-2
MODEL R
BOLT
€ 2.50
10-1
0151706408
ref: 10-1
MODEL N/P
BOLT
€ 3.00
10-2
0155006403
ref: 10-2
MODEL R
BOLT
€ 2.50
11
0910808161
ref: 11
STUD
€ 4.00
12
0910306150
ref: 12
BOLT
€ 5.00
13
0151706608
ref: 13
BOLT (6X60)
€ 3.00
14
0916806028
ref: 14
GASKET (NAS)
€ 2.00
15
0910310179
ref: 15
BOLT(10X190)
€ 14.00
16
0910310181
ref: 16
BOLT(10X215)
€ 18.50
17-1
0831616088
ref: 17-1
MODEL N/P
NUT
€ 2.50
17-2
0831610083
ref: 17-2
MODEL R
NUT
€ 3.00
18
0916810017
ref: 18
GASKET(10.5X22X2) (NAS)
€ 3.50
19
1113112D00
ref: 19
PIPE,CYLINDER HEAD OIL
€ 12.00
20
0913406012
ref: 20
SCREW (L:19.5)
€ 3.00
21
1113512D00
ref: 21
PLATE,CYLINDER HEAD CHAMBER
€ 4.50
22
0211206103
ref: 22
SCREW
€ 1.50
23
1119012D01
ref: 23
UNION,CYLINDER HEAD OIL
€ 16.50
24
1114306B00
ref: 24
O RING,HEAD GASKET
€ 8.00
25-1
0711006165
ref: 25-1
MODEL N/P
BOLT
€ 3.50
25-2
0713006167
ref: 25-2
MODEL R
BOLT
€ 3.50
26
0924814010
ref: 26
PLUG
€ 2.00
27
0916814002
ref: 27
GASKET(13.8X18.8X4.8) (NAS)
€ 2.50
28-1
0948200330
ref: 28-1
PLUG,SPARK(DPR9EA-9)
€ 4.00
28-2
0948200331111
ref: 28-2
SPARK PLUG X27EPR-U9
€ 4.00
28-3
0948200328
ref: 28-3
E34
SPARK PLUG DP9EA-9
€ 4.00
28-4
0948200329111
ref: 28-4
E34
SPARK PLUG X27EP-U9
€ 4.00
29
1117512D10
ref: 29
CAP,INSPECTION
€ 16.00
30
0928060004
ref: 30
O RING(D:2.4,ID:23)
€ 5.00
31-1
0151706207
ref: 31-1
MODEL N/P
BOLT 6X20
€ 3.00
31-2
0155006203
ref: 31-2
MODEL R
BOLT
€ 2.50
32
0924130004
ref: 32
PLUG(OD:30)
€ 7.50
33
0910308290
ref: 33
BOLT 8X53
€ 3.50
34
0831931085
ref: 34
NUT
€ 3.00
35
1311012D00
ref: 35
PIPE,INTAKE
€ 32.50
36
0928046002
ref: 36
O RING(D:2.4,ID:45.7)
€ 10.00
37-1
0712006205
ref: 37-1
MODEL N/P
PLUG ,6X20
€ 4.00
37-2
0712006203
ref: 37-2
MODEL R
BOLT
€ 4.00
38-1
0832131064
ref: 38-1
MODEL N/P
WASHER
€ 2.50
38-2
0832101063
ref: 38-2
MODEL R
LOCK WASHER
€ 2.50
39
0940258207
ref: 39
CLAMP
€ 6.00
40
1294414A00
ref: 40
LEVER,DECOMP SHAFT RH
€ 6.50
41-1
0711008165
ref: 41-1
MODEL N/P
BOLT
€ 3.00
41-2
0713008167
ref: 41-2
MODEL R
BOLT
€ 3.50
42
1140012895
ref: 42
GASKET SET (NAS)
€ 146.50
up
all assemblies
* COLOR CHART *
* CATALOG PREFACE *
* CONVERSION CHART *
CYLINDER HEAD
CYLINDER
CRANKCASE
CRANKCASE COVER
CRANKSHAFT
CRANK BALANCER (MODEL P/R)
BALANCER CHAIN
CAM SHAFT-VALVE
CAM CHAIN
CARBURETOR (E18)
AIR CLEANER
MUFFLER
OIL PUMP
OIL COOLER
SECOND AIR (E18)
CLUTCH (MODEL R)
TRANSMISSION
GEAR SHIFTING
KICK STARTER
MAGNETO
BATTERY
ELECTRICAL
SPEEDOMETER-TACHOMETER
HEADLAMP (MODEL R)
TURN SIGNAL LAMP (MODEL R)
TAIL LAMP
WIRING HARNESS
FRAME
STAND-REAR BRAKE
FOOTREST
FUEL TANK (MODEL R)
FUEL COCK
SEAT
FRAME COVER (MODEL R)
FRONT FORK
STEERING STEM
HEADLAMP HOUSING
FRONT FENDER
FRONT WHEEL
HANDLEBAR
RIGHT HANDLE SWITCH
LEFT HANDLE SWITCH
FRONT CALIPER
FRONT BRAKE HOSE
FRONT MASTER CYLINDER
REAR SWINGING ARM
REAR CUSHION LEVER
REAR FENDER
REAR WHEEL
REAR CALIPER
REAR MASTER CYLINDER
OPTIONAL
up