×
Buy Suzuki DR Parts Online
home
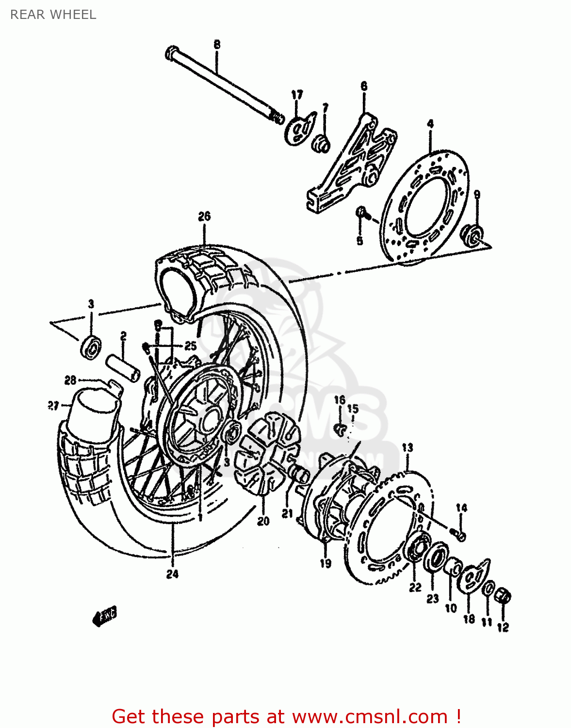
REAR WHEEL
DR650R 1994 (R) (E04 E21 E22 E53)
Rear wheel diagram DR650R 1994 (R) (E04 E21 E22 E53)
REAR WHEEL DR650R 1994 (R) (E04 E21 E22 E53)
×
prices are in EUR
ref
part #
description
quantity
1
6411044B20
ref: 1
HUB COMP,REAR WHEEL
€ 432.50
2
0918017071
ref: 2
SPACER(17.5X25X78)
€ 21.50
3
0812463037
ref: 3
BEARING
€ 20.00
4
6921144B00
ref: 4
DISC,RR BRAKE
€ 370.00
5
5942103A10
ref: 5
BOLT,BRAKE DISC
€ 4.50
6
6972144B00
ref: 6
BRACKET,RR CALIPER
€ 103.00
7
0918017096
ref: 7
SPACER (17X21X10)
€ 14.00
8-1
6471144B10
ref: 8-1
MODEL N/P-64711-44B0
AXLE,RR
€ 55.00
8-2
6471144B01
ref: 8-2
MODEL R
AXLE,REAR
€ 55.00
9
6475038211
ref: 9
SPACER,RR AXLE,L
€ 16.00
10
0918017090
ref: 10
SPACER(17X33X22.4)
€ 14.50
11
0916017013
ref: 11
WASHER (17X30X3.2)
€ 2.00
12
0915916002
ref: 12
NUT
€ 6.00
13
6451114A00
ref: 13
SPROCKET,REAR
€ 100.00
14
0912008010
ref: 14
BOLT(8X30.5)
€ 2.50
15-1
0832211088
ref: 15-1
MODEL N/P
WASHER
€ 2.50
15-2
0832201083
ref: 15-2
MODEL R
WASHER
€ 2.00
16
0831931087
ref: 16
NUT
€ 3.00
17
6141131D00
ref: 17
ADJUSTER,CHAIN,R
€ 15.00
18
6142131D00
ref: 18
ADJUSTER,CHAIN,L
€ 13.50
19
6461144B10
ref: 19
DRUM,REAR SPROCKET
€ 127.50
20
6465144B01
ref: 20
ABSORBER,RR HUB SHOCK
€ 11.50
21
6473331300
ref: 21
RETAINER,RR SPROCKET DRUM
€ 17.50
22
0926225073
ref: 22
BEARING(25X62X17)
€ 21.50
23
0928533001
ref: 23
SEAL,OIL(33X62X7)
€ 26.00
24
6531144B30
ref: 24
RIM,RR WHEEL(17XMT2.50)
€ 377.50
25
6532044B10
ref: 25
SPOKE SET,RR
€ 79.00
26
6510012E00
ref: 26
TIRE,REAR 120/90-17 64
€ 0.00
27
6520013A20
ref: 27
TUBE ASSEMBLY,WHEEL,INNER
€ 43.50
28
6526144B10
ref: 28
PROTECTOR,WHL INR TUBE
€ 4.50
up
all assemblies
* COLOR CHART *
* CATALOG PREFACE *
* CONVERSION CHART *
CYLINDER HEAD
CYLINDER
CRANKCASE
CRANKCASE COVER
CRANKSHAFT
CRANK BALANCER (MODEL P/R)
BALANCER CHAIN
CAM SHAFT-VALVE
CAM CHAIN
CARBURETOR (E18)
AIR CLEANER
MUFFLER
OIL PUMP
OIL COOLER
SECOND AIR (E18)
CLUTCH (MODEL R)
TRANSMISSION
GEAR SHIFTING
KICK STARTER
MAGNETO
BATTERY
ELECTRICAL
SPEEDOMETER-TACHOMETER
HEADLAMP (MODEL R)
TURN SIGNAL LAMP (MODEL R)
TAIL LAMP
WIRING HARNESS
FRAME
STAND-REAR BRAKE
FOOTREST
FUEL TANK (MODEL R)
FUEL COCK
SEAT
FRAME COVER (MODEL R)
FRONT FORK
STEERING STEM
HEADLAMP HOUSING
FRONT FENDER
FRONT WHEEL
HANDLEBAR
RIGHT HANDLE SWITCH
LEFT HANDLE SWITCH
FRONT CALIPER
FRONT BRAKE HOSE
FRONT MASTER CYLINDER
REAR SWINGING ARM
REAR CUSHION LEVER
REAR FENDER
REAR WHEEL
REAR CALIPER
REAR MASTER CYLINDER
OPTIONAL
up