×
Buy Suzuki DR Parts Online
home
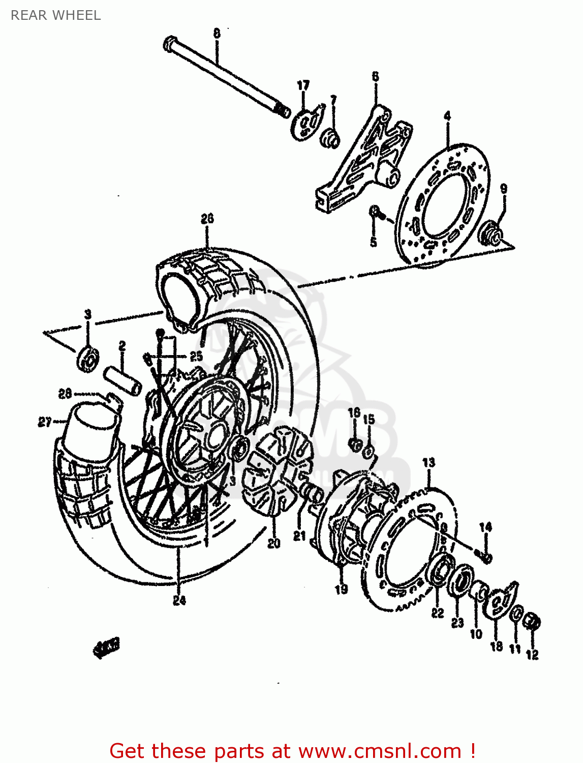
REAR WHEEL
DR650RSE 1995 (S) (E04 E18 E22 E34 E37)
Rear wheel diagram DR650RSE 1995 (S) (E04 E18 E22 E34 E37)
REAR WHEEL DR650RSE 1995 (S) (E04 E18 E22 E34 E37)
×
prices are in EUR
ref
part #
description
quantity
1-1
6411044B10
ref: 1-1
MODEL M/N/P/R/S
HUB COMP,REAR WHEEL
€ 358.00
1-2
6411131D00
ref: 1-2
MODEL T
HUB,REAR
€ 358.00
2
0918017071
ref: 2
SPACER(17.5X25X78)
€ 21.50
3
0812463037
ref: 3
BEARING
€ 20.00
4
6921144B00
ref: 4
DISC,RR BRAKE
€ 370.00
5-1
5942103A01
ref: 5-1
MODEL M/N
BOLT,BRAKE DISC
€ 4.50
5-2
5942103A10
ref: 5-2
MODEL P/R/S/T
BOLT,BRAKE DISC
€ 4.50
6
6972144B00
ref: 6
BRACKET,RR CALIPER
€ 103.00
7
0918017096
ref: 7
SPACER (17X21X10)
€ 14.00
8-1
6471144B10
ref: 8-1
MODEL M/N/P-64711-44
AXLE,RR
€ 55.00
8-2
6471144B01
ref: 8-2
MODEL R/S/T
AXLE,REAR
€ 55.00
9
6475038211
ref: 9
SPACER,RR AXLE,L
€ 16.00
10
0918017090
ref: 10
SPACER(17X33X22.4)
€ 14.50
11
0916017013
ref: 11
WASHER (17X30X3.2)
€ 2.00
12
0915916002
ref: 12
NUT
€ 6.00
13
6451114A01
ref: 13
SPROCKET,RR(NT:42)
€ 100.00
14
0912008010
ref: 14
BOLT(8X30.5)
€ 2.50
15-1
0832211088
ref: 15-1
MODEL M/N/P
WASHER
€ 2.50
15-2
0832201083
ref: 15-2
MODEL R/S/T
WASHER
€ 2.00
16
0831931087
ref: 16
NUT
€ 3.00
17-1
6141112D00
ref: 17-1
MODEL M/N-61411-31D0
ADJUSTER,CHAIN
€ 15.00
17-2
6141131D00
ref: 17-2
MODEL P/R/S/T
ADJUSTER,CHAIN,R
€ 15.00
18-1
6142112D00
ref: 18-1
MODEL M/N-61421-31D0
PLATE,CHAIN ADJUSTER
€ 13.50
18-2
6142131D00
ref: 18-2
MODEL P/R/S/T
ADJUSTER,CHAIN,L
€ 13.50
19
6461144B10
ref: 19
DRUM,REAR SPROCKET
€ 127.50
20
6465144B01
ref: 20
ABSORBER,RR HUB SHOCK
€ 11.50
21
6473331300
ref: 21
RETAINER,RR SPROCKET DRUM
€ 17.50
22
0926225073
ref: 22
BEARING(25X62X17)
€ 21.50
23
0928533001
ref: 23
SEAL,OIL(33X62X7)
€ 26.00
24
6531144B10
ref: 24
RIM,REAR WHEEL (17XMT2)
€ 377.50
25
6532044B10
ref: 25
SPOKE SET,RR
€ 79.00
26-1
6511012D00
ref: 26-1
TIRE,REAR (120/90-17 64S) (DUNLOP)
€ 220.50
26-2
6510012E00
ref: 26-2
MODEL S
TIRE,REAR 120/90-17 64
€ 0.00
27
6520049030
ref: 27
TUBE ASSY,WHEEL INNER
€ 43.50
28
6526144B10
ref: 28
PROTECTOR,WHL INR TUBE
€ 4.50
up
all assemblies
* CATALOG PREFACE *
* CONVERSION CHART *
CYLINDER HEAD
CYLINDER
CRANKCASE
CRANKCASE COVER
CRANKSHAFT
STARTER CLUTCH
CRANK BALANCER (MODEL P/R/S/T)
BALANCER CHAIN
CAM SHAFT-VALVE
CAM CHAIN
CARBURETOR (MODEL T)
AIR CLEANER
MUFFLER
OIL PUMP
OIL COOLER
SECOND AIR (E18,E39)
CLUTCH (MODEL R/S/T)
TRANSMISSION
GEAR SHIFTING
STARTING MOTOR
MAGNETO
BATTERY
ELECTRICAL
SPEED/TACHOMETER (MODEL S/T)
HEADLAMP (MODEL S/T)
TURNSIGNAL LAMP
REAR COMBINATION LAMP (MODEL T)
WIRING HARNESS
HANDLE SWITCH (MODEL T)
FRAME
STAND-REAR BRAKE
FOOTREST
CARRIER
FUEL TANK (MODEL T)
FUEL COCK
FRAME COVER (MODEL T)
FRONT FENDER (MODEL T)
HANDLEBAR (MODEL N/P/R/S/T)
RIGHT HANDLE LEVER (MODEL N/P/R/S/T)
LEFT HANDLE LEVER
REAR FENDER (MODEL T)
COWLING-LABEL (MODEL T)
SEAT (MODEL S/T)
FRONT FORK
STEERING STEM
FRONT WHEEL
FRONT CALIPER
FRONT BRAKE HOSE
FRONT MASTER CYLINDER
REAR SWINGING ARM
REAR CUSHION LEVER
REAR WHEEL
REAR CALIPER
REAR MASTER CYLINDER
OPTIONAL
up