×
Buy Suzuki DR Parts Online
home
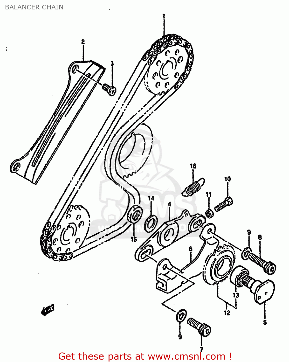
BALANCER CHAIN
DR650RSEU 1992 (N) GERMANY (E22)
Balancer chain diagram DR650RSEU 1992 (N) GERMANY (E22)
BALANCER CHAIN DR650RSEU 1992 (N) GERMANY (E22)
×
prices are in EUR
ref
part #
description
quantity
1
1267012D00
ref: 1
CHAIN,BALANCER
€ 121.50
2
1269512D00
ref: 2
GUIDE,BALANCER CHAIN
€ 20.00
3
0212206163
ref: 3
SCREW ,6X16
€ 2.50
4
1268112D00
ref: 4
BRACKET,BALANCER CHAIN
€ 48.50
5
1268214A01
ref: 5
SHAFT,BALANCER CHAIN TENSIONER
€ 29.00
6
1269612D00
ref: 6
GUIDE,BALANCER CHAIN TNSN
€ 26.00
7
0910608005
ref: 7
BOLT(8X22)
€ 2.00
8
0713008303
ref: 8
BOLT
€ 3.50
9-1
0832101087
ref: 9-1
MODEL M/N/P
WASHER,LOCK
€ 2.50
9-2
0832101083
ref: 9-2
MODEL R/S/T
LOCK WASHER
€ 2.50
10
0150005163
ref: 10
BOLT
€ 1.50
11
0914005006
ref: 11
NUT
€ 2.50
12
1268544B00
ref: 12
SPRKT,BALANCER CHAIN TENSIONER
€ 75.00
13
0926317007
ref: 13
BEARING(17X23X12)
€ 13.00
14
0916212006
ref: 14
WASHER,LOCK
€ 2.50
15
0914012021
ref: 15
NUT
€ 2.50
16
0944310040
ref: 16
SPRING
€ 2.50
up
all assemblies
* CATALOG PREFACE *
* CONVERSION CHART *
CYLINDER HEAD
CYLINDER
CRANKCASE
CRANKCASE COVER
CRANKSHAFT
STARTER CLUTCH
CRANK BALANCER (MODEL P/R/S/T)
BALANCER CHAIN
CAM SHAFT-VALVE
CAM CHAIN
CARBURETOR (MODEL T)
AIR CLEANER
MUFFLER
OIL PUMP
OIL COOLER
SECOND AIR (E18,E39)
CLUTCH (MODEL R/S/T)
TRANSMISSION
GEAR SHIFTING
STARTING MOTOR
MAGNETO
BATTERY
ELECTRICAL
SPEED/TACHOMETER (MODEL S/T)
HEADLAMP (MODEL S/T)
TURNSIGNAL LAMP
REAR COMBINATION LAMP (MODEL T)
WIRING HARNESS
HANDLE SWITCH (MODEL T)
FRAME
STAND-REAR BRAKE
FOOTREST
CARRIER
FUEL TANK (MODEL T)
FUEL COCK
FRAME COVER (MODEL T)
FRONT FENDER (MODEL T)
HANDLEBAR (MODEL N/P/R/S/T)
RIGHT HANDLE LEVER (MODEL N/P/R/S/T)
LEFT HANDLE LEVER
REAR FENDER (MODEL T)
COWLING-LABEL (MODEL T)
SEAT (MODEL S/T)
FRONT FORK
STEERING STEM
FRONT WHEEL
FRONT CALIPER
FRONT BRAKE HOSE
FRONT MASTER CYLINDER
REAR SWINGING ARM
REAR CUSHION LEVER
REAR WHEEL
REAR CALIPER
REAR MASTER CYLINDER
OPTIONAL
up