×
Buy Suzuki DR Parts Online
home
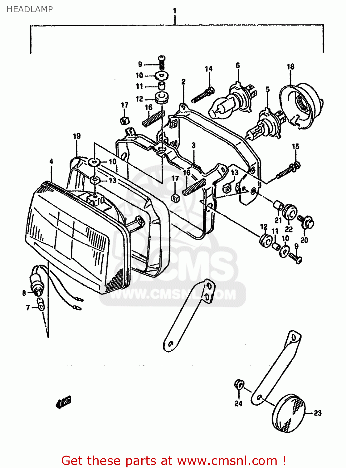
HEADLAMP
DR750SU 1989 (K) GERMANY (E22)
Headlamp diagram DR750SU 1989 (K) GERMANY (E22)
HEADLAMP DR750SU 1989 (K) GERMANY (E22)
×
prices are in EUR
ref
part #
description
quantity
1-1
3510044B10999
ref: 1-1
E4
HEADLAMP ASSY
€ 271.00
1-2
3510044B00
ref: 1-2
E15,E16,E17,E18,E21,
HEADLAMP ASSY
€ 271.00
1-3
3510044B30
ref: 1-3
E1,E2,E24,E75
HEADLAMP ASSY
€ 271.00
2
3514144B00
ref: 2
HOUSING
€ 29.00
3
3513044B00
ref: 3
RING
€ 31.00
4-1
3512144B00
ref: 4-1
E4,E15,E16,E17,E18,E
LAMP,UNIT
€ 152.50
4-2
3512144B30
ref: 4-2
E1,E75
UNIT,LAMP
€ 160.00
5
0947112060
ref: 5
E18,E22,E34,E75,E77
BULB(12V60/55W,H4)
€ 8.00
6
0947112061
ref: 6
E4,EXECUTED LOCALLY
BULB (12V, 60/55W, H4)
€ 0.00
7
0947112063
ref: 7
BULB(12V4W)
€ 6.00
8
3611844B00
ref: 8
SOCKET
€ 13.00
9
3515144B20
ref: 9
SCREW (5X18)
€ 2.00
10
3513845230
ref: 10
WASHER
€ 2.00
11
3513345230
ref: 11
SPACER
€ 2.00
12
3513945230
ref: 12
CUSHION
€ 1.50
13
3513545900
ref: 13
NUT
€ 2.50
14
3515144B00
ref: 14
SCREW
€ 2.00
15
3515144B10
ref: 15
SCREW
€ 4.00
16
3515444B00
ref: 16
SPRING
€ 4.00
17
3513544B00
ref: 17
NUT
€ 4.00
18
3517301440
ref: 18
COVER,SOCKET
€ 10.00
19
3512944B00
ref: 19
SHADE
€ 30.00
20
0911606011
ref: 20
BOLT 6X20
€ 2.00
21
0918006030
ref: 21
SPACER (6.8X10X10)
€ 2.00
22
0932009018
ref: 22
CUSHION
€ 2.00
23
3595014A00
ref: 23
E39,E77
REFLECTOR,REFLEX FR
€ 15.00
24
0831626058
ref: 24
E39,E77
NUT 5MM
€ 2.00
up
all assemblies
* COLOR CHART *
* CATALOG PREFACE *
* CONVERSION CHART *
CYLINDER HEAD
CYLINDER
CRANKCASE
CRANKCASE COVER
CRANKSHAFT
STARTER CLUTCH
CRANK BALANCER
BALANCER CHAIN
CAM SHAFT-VALVE
CAM CHAIN
CARBURETOR
AIR CLEANER
MUFFLER
OIL PUMP-FUEL PUMP
OIL COOLER
CLUTCH
TRANSMISSION
GEAR SHIFTING
STARTING MOTOR
MAGNETO
BATTERY
ELECTRICAL
SPEEDOMETER
HEADLAMP
TURN SIGNAL LAMP
REAR COMBINATION LAMP
WIRING HARNESS
FRAME
STAND-REAR BRAKE
FOOTREST
FUEL TANK (MODEL K)
FUEL TANK (MODEL J)
FUEL COCK
SEAT
FRAME COVER
FRONT FORK
STEERING STEM
FRONT FORK COVER
HEADLAMP HOUSING-FRONT FENDER
FRONT WHEEL
HANDLEBAR
RIGHT HANDLE SWITCH
LEFT HANDLE SWITCH (MODEL J)
FRONT CALIPER
FRONT BRAKE HOSE
FRONT MASTER CYLINDER
REAR SWINGING ARM
REAR CUSHION LEVER
REAR FENDER
REAR WHEEL (MODEL K)
REAR WHEEL (MODEL J)
REAR CALIPER (MODEL K)
REAR MASTER CYLINDER (MODEL K)
COWLING
OPTIONAL
up