×
Buy Suzuki DR Parts Online
home
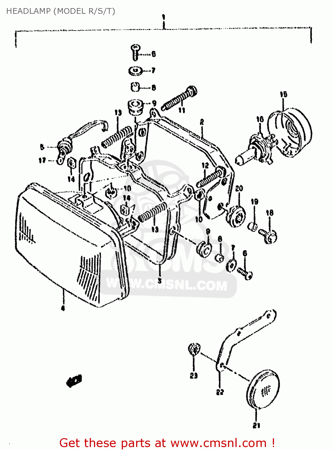
HEADLAMP (MODEL R/S/T)
DR800SU 1993 (P) GERMANY (E22)
Headlamp (model r/s/t) diagram DR800SU 1993 (P) GERMANY (E22)
HEADLAMP (MODEL R/S/T) DR800SU 1993 (P) GERMANY (E22)
×
prices are in EUR
ref
part #
description
quantity
1
3510031D50999
ref: 1
HEADLAMP ASSY
€ 243.50
2
3514144B01
ref: 2
HOUSING
€ 29.00
3
3513044B01
ref: 3
RING
€ 31.00
4
3512131D00
ref: 4
UNIT ASSY
€ 152.50
5
3611842A60
ref: 5
SOCKET
€ 0.00
6-1
3515131D00
ref: 6-1
MODEL R
SCREW,HEADLAMP ADJUST
€ 2.50
6-2
0211205163
ref: 6-2
MODEL S/T
SCREW
€ 2.50
7-1
3513845230
ref: 7-1
MODEL R
WASHER
€ 2.00
7-2
0916005003
ref: 7-2
MODEL S/T
WASHER (5.5X18X1)
€ 2.00
8
3513345230
ref: 8
SPACER
€ 2.50
9
3513945230
ref: 9
CUSHION
€ 1.50
10
3513545900
ref: 10
NUT
€ 2.50
11
0211205455
ref: 11
-35151-31D10
SCREW, 5X45
€ 4.50
12
0211206553
ref: 12
-35151-31D20
SCREW
€ 2.50
13
3515431D00
ref: 13
SPRING,ADJUSTER
€ 4.00
14
3513531D00
ref: 14
NUT
€ 4.00
15
3517301440
ref: 15
COVER,SOCKET
€ 11.00
16
0947112060
ref: 16
BULB(12V60/55W,H4)
€ 8.00
17
0947112063
ref: 17
BULB(12V4W)
€ 5.00
18-1
0911606011
ref: 18-1
MODEL R
BOLT 6X20
€ 2.50
18-2
0911606167
ref: 18-2
MODEL S/T
BOLT(6X20)
€ 2.50
19
0918006030
ref: 19
SPACER (6.8X10X10)
€ 2.50
20
0932009018
ref: 20
CUSHION
€ 2.00
21
3595014A00
ref: 21
E18
REFLECTOR,REFLEX FR
€ 16.00
22
3595631D00
ref: 22
E18
BRACKET
€ 0.00
23
0831620053
ref: 23
E18
NUT
€ 2.00
21
3595014A00
ref: 21
E18,E39
REFLECTOR,REFLEX FR
€ 16.00
22
3595631D00
ref: 22
E18,E39
BRACKET
€ 0.00
23
0831626058
ref: 23
E18,E39
NUT 5MM
€ 2.00
up
all assemblies
* COLOR CHART *
* COLOR CHART *
* CATALOG PREFACE *
* CONVERSION CHART *
CYLINDER HEAD
CYLINDER
CRANKCASE
CRANKCASE COVER
CRANKSHAFT
STARTER CLUTCH
CRANK BALANCER
BALANCER CHAIN
CAM SHAFT-VALVE
CAM CHAIN
CARBURETOR (MODEL P/R/S/T)
AIR CLEANER
MUFFLER (MODEL N/P/R/S/T)
OIL PUMP-FUEL PUMP
OIL COOLER
SECOND AIR (E18,E39)
CLUTCH
TRANSMISSION
GEAR SHIFTING
STARTING MOTOR
MAGNETO
BATTERY (MODEL T)
ELECTRICAL
SPEEDOMETER (MODEL S/T)
HEADLAMP (MODEL R/S/T)
TURN SIGNAL LAMP (MODEL T)
REAR COMBINATION LAMP (MODEL T)
WIRING HARNESS (MODEL T)
HANDLE SWITCH (MODEL T)
FRAME
STAND-REAR BRAKE
FOOTREST
SPORT CARRIER
FUEL TANK
FUEL COCK
FRAME COVER (MODEL R/S/T)
FRONT FENDER (MODEL T)
HANDLEBAR (MODEL T)
RIGHT HANDLE LEVER
LEFT HANDLE LEVER
REAR FENDER (MODEL T)
COWLING BODY (MODEL T)
COWLING FITTING SET
SEAT
FRONT FORK
STEERING STEM
FRONT WHEEL
FRONT CALIPER (MODEL T)
FRONT CALIPER (MODEL M/N/P/R/S).
FRONT BRAKE HOSE
FRONT MASTER CYLINDER
REAR SWINGING ARM
REAR CUSHION LEVER
REAR WHEEL
REAR CALIPER
REAR MASTER CYLINDER
OPTIONAL
up