×
Buy Suzuki GN Parts Online
home
GN125 1997 (V) (E01 E02 E04 E18 E21 E22)
* COLOR CHART *
0 products
* CATALOG PREFACE *
0 products
* CONVERSION CHART *
0 products
CYLINDER HEAD
42 products
AIR CLEANER
15 products
MUFFLER
8 products
OIL PUMP
24 products
CLUTCH
24 products
TRANSMISSION
45 products
GEAR SHIFTING
44 products
STARTING MOTOR
17 products
MAGNETO
6 products
BATTERY
10 products
ELECTRICAL
19 products
CYLINDER
7 products
SPEEDOMETER - TACHOMETER (GN125V/W/X)
19 products
SPEEDOMETER - TACHOMETER (GN125EV/EW/EX)
30 products
HEADLAMP (E2,E71,P9)
11 products
HEADLAMP (E4,E18,E21,E22)
19 products
HEADLAMP (GN125E E1,E30)
14 products
TURN SIGNAL LAMP (E1,E2,E4,E18,E21,E22,E71,P9)
29 products
TURN SIGNAL LAMP (GN125E E1,E30)
30 products
REAR COMBINATION LAMP (E1,E71,P9)
14 products
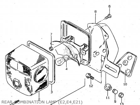
REAR COMBINATION LAMP (E2,E4,E21)
13 products
REAR COMBINATION LAMP (E18,E22)
14 products
REAR COMBINATION (GN125E E1,E30)
13 products
WIRING HARNESS (GN125V/W/X)
23 products
WIRING HARNESS (GN125EV/EW/EX)
21 products
HANDLE SWITCH
5 products
FRAME
20 products
STAND
21 products
FOOTREST
19 products
CARRIER
6 products
CRANKCASE
13 products
FUEL TANK (MODEL V/W)
25 products
FUEL TANK (MODEL X)
20 products
FUEL COCK
12 products
FRAME COVER (MODEL V/W)
22 products
FRAME COVER (MODEL X)
14 products
FRONT FENDER - HEADLAMP HOUSING
7 products
HANDLEBAR - FRONT CABLE
15 products
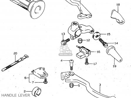
HANDLE LEVER
20 products
REAR FENDER
24 products
SEAT
12 products
FRONT DAMPER
17 products
STEERING STEM
28 products
CRANKCASE COVER
26 products
FRONT WHEEL (GN125V/W/X)
21 products
FRONT WHEEL (GN125EV/EW/EX)
18 products
FRONT CALIPER
13 products
FRONT MASTER CYLINDER
13 products
REAR SWINGING ARM
17 products
REAR SHOCK ABSOBER
12 products
REAR WHEEL (GN125V/W/X)
43 products
REAR WHEEL (GN125EV/EW/EX)
35 products
OPTIONAL
17 products
CRANKSHAFT
19 products
STARTER CLUTCH
10 products
CAM SHAFT - VALVE
22 products
CAM CHAIN
12 products
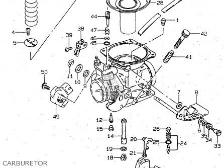
CARBURETOR
77 products
up
popular products
3386005550
WIRE,BATTERY MINUS LEAD
Suzuki
3571349130
GASKET (NAS)
Suzuki
5541147002
BALANCER,WHEEL NO.1(20G)
Suzuki
0949400370
JET,NEEDLE(P-2)
Suzuki