×
Buy Suzuki GN Parts Online
home
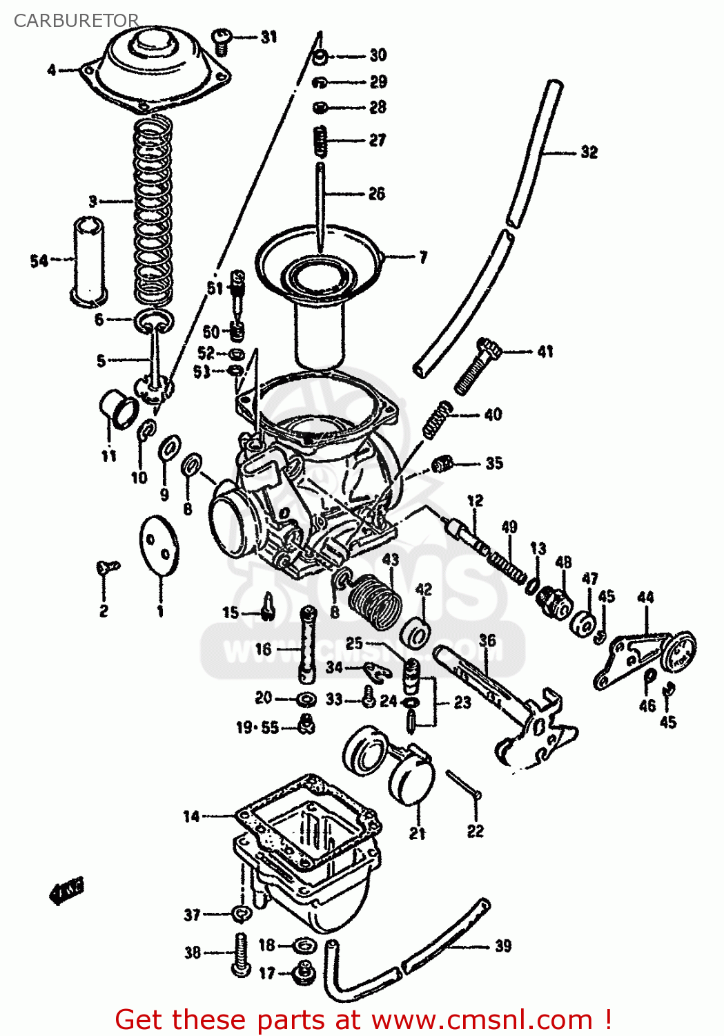
CARBURETOR
GN250E 1991 (M) GENERAL (E01)
Carburetor diagram GN250E 1991 (M) GENERAL (E01)
CARBURETOR GN250E 1991 (M) GENERAL (E01)
×
prices are in EUR
ref
part #
description
quantity
0
1320038310
ref: 0
CARBURETOR ASSY
€ 375.00
0
1320038330
ref: 0
MODEL J/K E24
CARBURETOR ASSY
€ 0.00
0
1320038350
ref: 0
E53,MODEL L E24 MODE
CARBURETOR ASSY
€ 425.00
0
1320038380
ref: 0
E39
CARBURETOR ASSY
€ 0.00
1
1355138310
ref: 1
THROTTLE VALVE (100)
€ 0.00
2
1360444080
ref: 2
SCREW
€ 4.00
3
1350337100
ref: 3
SPRING
€ 10.00
4
1350238300
ref: 4
COVER
€ 22.00
5
1338944030
ref: 5
HOLDER,GUIDE
€ 10.50
6
1358144030
ref: 6
E RING
€ 6.50
7-1
1350038310
ref: 7-1
DIAPHRAGM ASSY
€ 168.00
7-2
1350038350
ref: 7-2
E53,MODEL L E24 MODE
DIAPHRAGM ASSY
€ 184.50
8
1365151010
ref: 8
SEAL
€ 4.50
9
1355747070
ref: 9
GASKET,THROTTLE SHAFT (NAS)
€ 5.00
10
1361744080
ref: 10
E RING
€ 4.00
11
1357847070
ref: 11
CAP
€ 4.50
12
1341138300
ref: 12
PLUNGER ASSY
€ 13.50
13
1327847090
ref: 13
O RING
€ 2.50
14-1
1325137100
ref: 14-1
GASKET,FLOAT CHAMBER (NAS)
€ 9.50
14-2
1325138300
ref: 14-2
E39
GASKET,FLOAT CAHMBER (NAS)
€ 9.50
15-1
0949242010
ref: 15-1
JET,PILOT(42.5)
€ 9.50
15-2
0949235010
ref: 15-2
E39
JET,PILOT(37.5)
€ 11.50
16-1
0949400363
ref: 16-1
JET, NEEDLE (P-1)
€ 36.50
16-2
0949400756
ref: 16-2
E39
JET,NEEDLE(P-1)
€ 36.50
17
1324744080
ref: 17
PLUG,DRAIN
€ 9.50
18
1324644080
ref: 18
GASKET (NAS)
€ 4.00
19
0949126011
ref: 19
JET,MAIN(130)
€ 13.00
20
1333244080
ref: 20
WASHER,NEEDLE NOZZLE
€ 3.00
21
1325037100
ref: 21
FLOAT
€ 37.00
22
1325492311
ref: 22
PIN,FLOAT
€ 2.00
23-1
1337037400
ref: 23-1
VALVE ASSEMBLY,NEEDLE
€ 72.00
23-2
1337037100
ref: 23-2
E39
VALVE ASSEMBLY,NEEDLE
€ 68.50
24
1337444080
ref: 24
O-RING,NEEDLE VALVE
€ 6.00
25
1337684110
ref: 25
FILTER
€ 7.00
26-1
1338338310
ref: 26-1
NEEDLE,JET
€ 11.00
26-2
1338311910
ref: 26-2
E53,MODEL L E24 MODE
NEEDLE,JET
€ 15.00
26-3
1338338370
ref: 26-3
E39
NEEDLE, JET (5DF90-3)
€ 13.00
27
1338844030
ref: 27
SPRING
€ 6.50
28
1338244030
ref: 28
WASHER
€ 4.00
29
1339410010
ref: 29
CLIP
€ 5.00
30
1338747010
ref: 30
RING
€ 8.00
31
0211205106
ref: 31
SCREW 5X10
€ 2.50
32-1
1368422A00
ref: 32-1
HOSE
€ 14.00
32-2
1368405300
ref: 32-2
E39
HOSE (5X8X300)
€ 14.00
33
0211204066
ref: 33
SCREW
€ 2.00
34
1337339110
ref: 34
PLATE
€ 7.00
35
0949330003
ref: 35
JET,AIR(150)
€ 13.00
36
1355038300
ref: 36
SHAFT ASSEMBLY,THROTTLE
€ 0.00
37
0832121056
ref: 37
LOCK WASHER
€ 3.00
38
0211205166
ref: 38
SCREW
€ 2.50
39
1368337420
ref: 39
L:500 MODEL F/J/K/L/
HOSE
€ 6.50
40
1327144220
ref: 40
SPRING,THROTTLE ADJUST
€ 4.00
41
1326737100
ref: 41
SCREW,THROTTLE STOP
€ 10.00
42
1357445110
ref: 42
RING
€ 3.50
43
1357338300
ref: 43
SPRING,THROTTLE SHAFT
€ 0.00
44
1341338300
ref: 44
STARTER LEVER ASSY
€ 40.00
45
1341538300
ref: 45
E RING
€ 2.00
46
1342738300
ref: 46
WASHER
€ 1.50
47
1368231210
ref: 47
CAP,STARTER VALVE
€ 5.50
48
1341844080
ref: 48
GUIDE SCREW,PLUNGER
€ 9.00
49
1341747070
ref: 49
SPRING
€ 4.00
50-1
1326847070
ref: 50-1
SPRING
€ 5.50
50-2
1326837420
ref: 50-2
E39
SPRING,THROTTLE SCREW
€ 4.00
51
1327947080
ref: 51
SCREW,PILOT AIR
€ 12.50
52
1329129900
ref: 52
WASHER
€ 2.00
53
1329529900
ref: 53
O RING,PILOT AIR SCREW
€ 4.00
54
1348538330
ref: 54
MODEL J/K E24
RING
€ 0.00
55
0949125011
ref: 55
P95 OPT,HIGH ALTITUD
JET,MAIN(127.5)
€ 11.00
up
all assemblies
* COLOR CHART *
* CATALOG PREFACE *
* CONVERSION CHART *
CYLINDER HEAD
CYLINDER
CRANKCASE
CRANKCASE COVER
CRANKSHAFT
STARTER CLUTCH
CRANK BALANCER
CAM SHAFT-VALVE
CAM CHAIN
CARBURETOR
AIR CLEANER
MUFFLER
OIL PUMP
CLUTCH
TRANSMISSION
GEAR SHIFTING
STARTING MOTOR
MAGNETO
BATTERY
ELECTRICAL
SPEEDOMETER-TACHOMETER
HEADLAMP (E22,E25,E34,E39,E53)
HEADLAMP (E4)
TURN SIGNAL LAMP (E22)
TURN SIGNAL LAMP (E1,P95,MODEL M E24)
TURN SIGNAL LAMP (E25,E39)
REAR COMBINATION LAMP (E22)
REAR COMBINATION LAMP (E1,E2,E4,E24,E34,E53,P95)
REAR COMBINATION LAMP (E25,E39)
WIRING HARNESS
FRAME
STAND
REAR BRAKE
FOOTREST
FUEL TANK
FUEL COCK
SEAT
FRAME COVER
FRONT FORK
STEERING STEM
FRONT FENDER-HEADLAMP HOUSING
FRONT WHEEL (GN250EM/ER)
HANDLEBAR
RIGHT HANDLE SWITCH
LEFT HANDLE SWITCH
FRONT CALIPERS
FRONT BRAKE HOSE
MASTER CYLINDER (MODEL R)
REAR SWINGING ARM
CHAIN CASE-SHOCK ABSORBER
REAR FENDER
REAR WHEEL (GN250EM/ER)
OPTIONAL
up