×
Buy Suzuki GN Parts Online
home
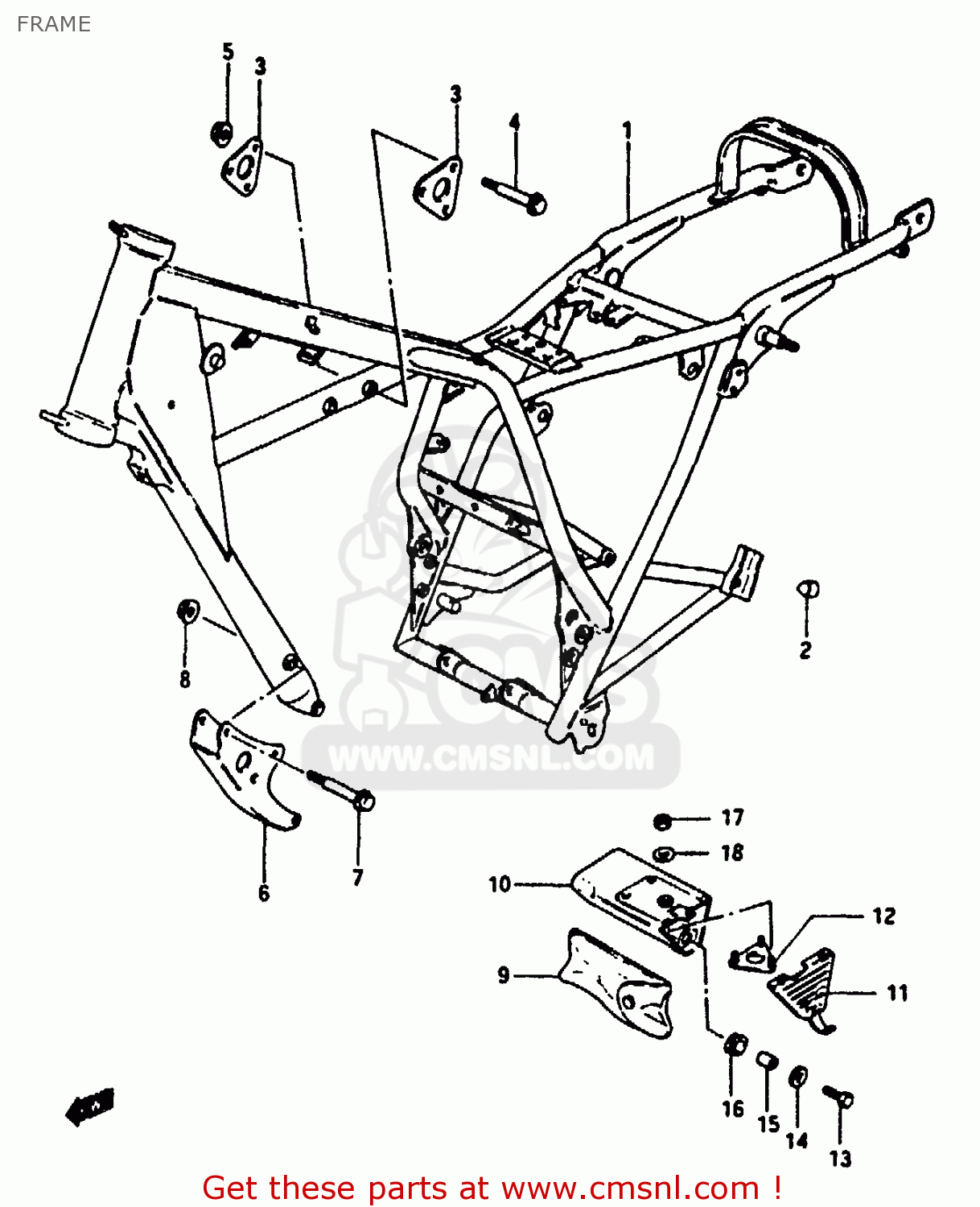
FRAME
GN250E 1991 (M) GENERAL (E01)
Frame diagram GN250E 1991 (M) GENERAL (E01)
FRAME GN250E 1991 (M) GENERAL (E01)
×
prices are in EUR
ref
part #
description
quantity
1-1
4110038330019
ref: 1-1
MODEL F E22 MODEL F
FRAME (BLACK)
€ 0.00
1-2
4110038300019
ref: 1-2
MODEL F E24,P95 MODE
FRAME
€ 357.00
1-3
4110038320019
ref: 1-3
MODEL F E2,F.NO.1067
FRAME (BLACK)
€ 0.00
1-4
4110038360019
ref: 1-4
MODEL J/M/R E22
FRAME(BLACK)
€ 940.50
1-5
4110038350019
ref: 1-5
MODEL J/M/N E2,E4,E3
FRAME(BLACK)
€ 680.50
2
0925015007
ref: 2
CAP
€ 2.00
3
4199138200
ref: 3
PLATE,ENGINE MOUNT UPR
€ 8.00
4-1
0151708508
ref: 4-1
MODEL F/J/K/L/M/N/P
BOLT
€ 4.00
4-2
0910308081
ref: 4-2
MODEL R
BOLT(8X50)
€ 4.00
5
0831931087
ref: 5
NUT
€ 3.00
6
4199238300
ref: 6
PLATE,ENGINE MOUNTING
€ 14.50
7-1
0151708658
ref: 7-1
MODEL F/J/K/L/M/N/P
BOLT 8X65
€ 3.50
7-2
0155008653
ref: 7-2
MODEL R
BOLT
€ 3.50
8
0831931087
ref: 8
NUT
€ 3.00
9
0980000245
ref: 9
TOOL SET
€ 33.00
10
4743105300
ref: 10
BOX,TOOL
€ 16.50
11
4743205300
ref: 11
CAP,TOOL BOX
€ 3.00
12
4744005301
ref: 12
PLATE,TOOL HOLDER
€ 3.50
13-1
0150006167
ref: 13-1
MODEL F/J
BOLT
€ 3.00
13-2
0911606008
ref: 13-2
MODEL K/L/M/N/P/R
BOLT 6X16
€ 2.50
14
0916006027
ref: 14
WASHER (6.5X20X1.2)
€ 2.00
15
0918006038
ref: 15
SPACER(6.1X9X7.5)
€ 2.00
16
0932008021
ref: 16
CUSHION
€ 4.50
17-1
0831022067
ref: 17-1
MODEL F/J/K/L/M/N/P
NUT 6MM
€ 2.50
17-2
0831000063
ref: 17-2
MODEL R
NUT 6MM
€ 2.50
18-1
0832201067
ref: 18-1
MODEL F/J/K/L/M/N/P
WASHER
€ 2.50
18-2
0832201063
ref: 18-2
MODEL R
WASHER
€ 2.50
up
all assemblies
* COLOR CHART *
* CATALOG PREFACE *
* CONVERSION CHART *
CYLINDER HEAD
CYLINDER
CRANKCASE
CRANKCASE COVER
CRANKSHAFT
STARTER CLUTCH
CRANK BALANCER
CAM SHAFT-VALVE
CAM CHAIN
CARBURETOR
AIR CLEANER
MUFFLER
OIL PUMP
CLUTCH
TRANSMISSION
GEAR SHIFTING
STARTING MOTOR
MAGNETO
BATTERY
ELECTRICAL
SPEEDOMETER-TACHOMETER
HEADLAMP (E22,E25,E34,E39,E53)
HEADLAMP (E4)
TURN SIGNAL LAMP (E22)
TURN SIGNAL LAMP (E1,P95,MODEL M E24)
TURN SIGNAL LAMP (E25,E39)
REAR COMBINATION LAMP (E22)
REAR COMBINATION LAMP (E1,E2,E4,E24,E34,E53,P95)
REAR COMBINATION LAMP (E25,E39)
WIRING HARNESS
FRAME
STAND
REAR BRAKE
FOOTREST
FUEL TANK
FUEL COCK
SEAT
FRAME COVER
FRONT FORK
STEERING STEM
FRONT FENDER-HEADLAMP HOUSING
FRONT WHEEL (GN250EM/ER)
HANDLEBAR
RIGHT HANDLE SWITCH
LEFT HANDLE SWITCH
FRONT CALIPERS
FRONT BRAKE HOSE
MASTER CYLINDER (MODEL R)
REAR SWINGING ARM
CHAIN CASE-SHOCK ABSORBER
REAR FENDER
REAR WHEEL (GN250EM/ER)
OPTIONAL
up