×
Buy Suzuki GS Parts Online
home
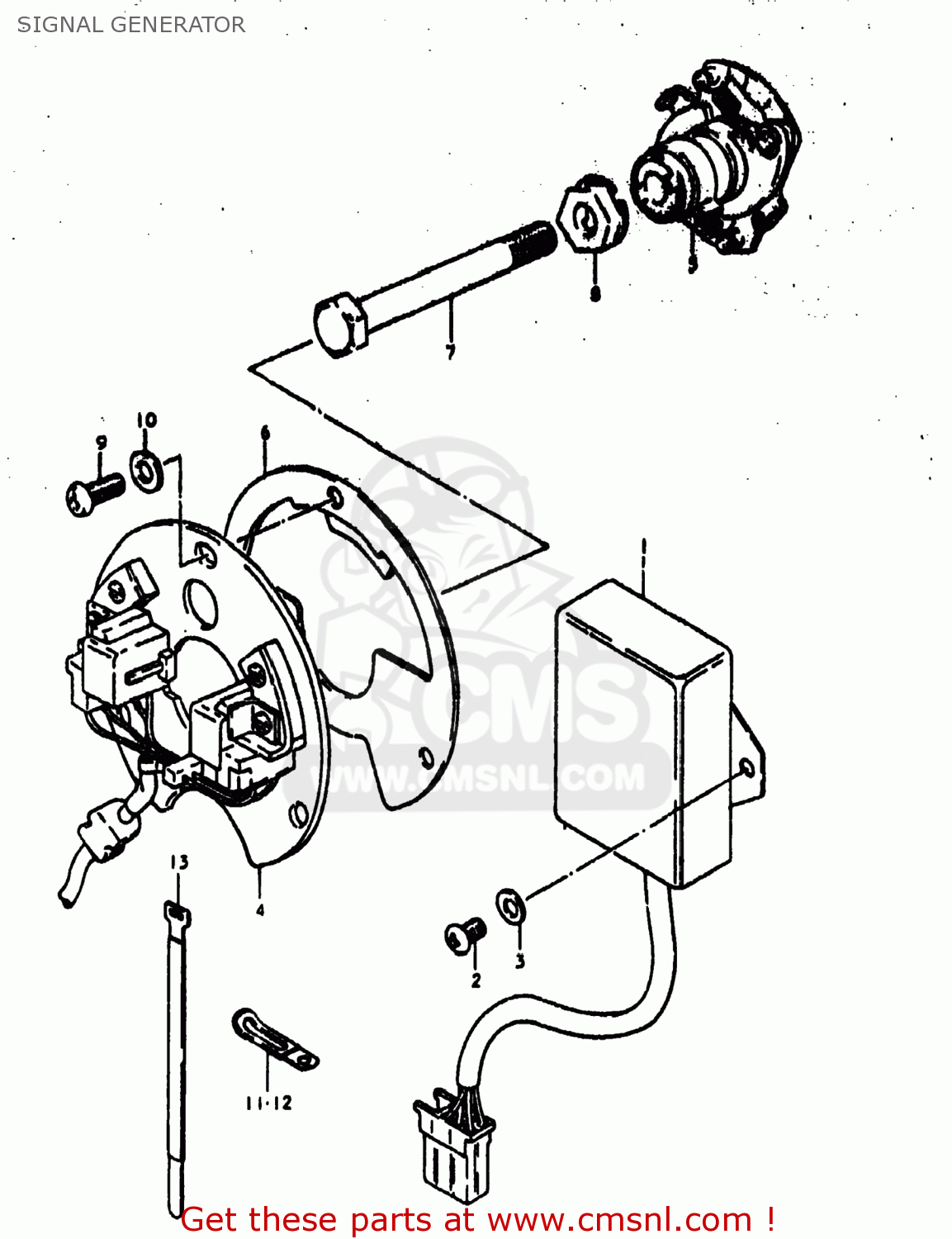
SIGNAL GENERATOR
GS1000E 1980 (T) USA (E03)
Signal generator diagram GS1000E 1980 (T) USA (E03)
SIGNAL GENERATOR GS1000E 1980 (T) USA (E03)
×
prices are in EUR
ref
part #
description
quantity
1
3290045110
ref: 1
32900-45120
IGNITER UNIT
€ 492.50
2
0211206108
ref: 2
02112-06107
SCREW
€ 1.50
3
0832221068
ref: 3
08322-01067
WASHER
€ 2.50
4
3311045110
ref: 4
33110-45410
SIGNAL GENERATOR ASSEMBLY
€ 309.50
5
3312045110
ref: 5
GOVERNOR ASSEMBLY
€ 155.50
6
3337145100
ref: 6
PLATE,TIMING
€ 10.50
7
0110708658
ref: 7
01500-0865B
BOLT
€ 3.00
8
3346547000
ref: 8
WASHER
€ 19.00
9
0912505024
ref: 9
SCREW(5X12)
€ 2.50
10
0916005027
ref: 10
08322-01057
WASHER
€ 2.50
11
0940406403
ref: 11
09404-06432
CLAMP
€ 3.00
12
0940408401
ref: 12
09404-08420
CLAMP
€ 4.00
13
0940718301
ref: 13
CLAMP
€ 7.00
up
all assemblies
AIR CLEANER
BATTERY
CAM CHAIN
CAM SHAFT - VALVE
CARBURETOR
CHAIN CASE - SHOCK ABSORBER
CLANKCASE COVER
CLUTCH
CRANKCASE
CRANKSHAFT
CYLINDER
CYLINDER HEAD
CYLINDER HEAD COVER
ELECTRICAL
FOOTREST
FRAME
FRAME COVER
FRONT BRAKE HOSE
FRONT CALIPERS
FRONT FORK
FRONT MASTER CYLINDER
FRONT WHEEL
FUEL COCK - FUEL GAUGE
FUEL TANK
GEAR SHIFTING
GENERATOR
HANDLEBAR - FRONT FENDER
HEADLAMP
LEFT HANDLE SWITCH
MUFFLER
OIL PUMP - OIL FILTER
REAR BRAKE HOSE
REAR CALIPERS
REAR COMBINATION LAMP
REAR FENDER
REAR MASTER CYLINDER
REAR SWINGING ARM
REAR WHEEL
RIGHT HANDLE SWITCH
SEAT
SIGNAL GENERATOR
SPEEDOMETER - TACHOMETER
STAND
STARTER CLUTCH
STARTING MOTOR
STEERING STEM
TRANSMISSION
TURN SIGNAL LAMP
up