×
Buy Suzuki GS Parts Online
home
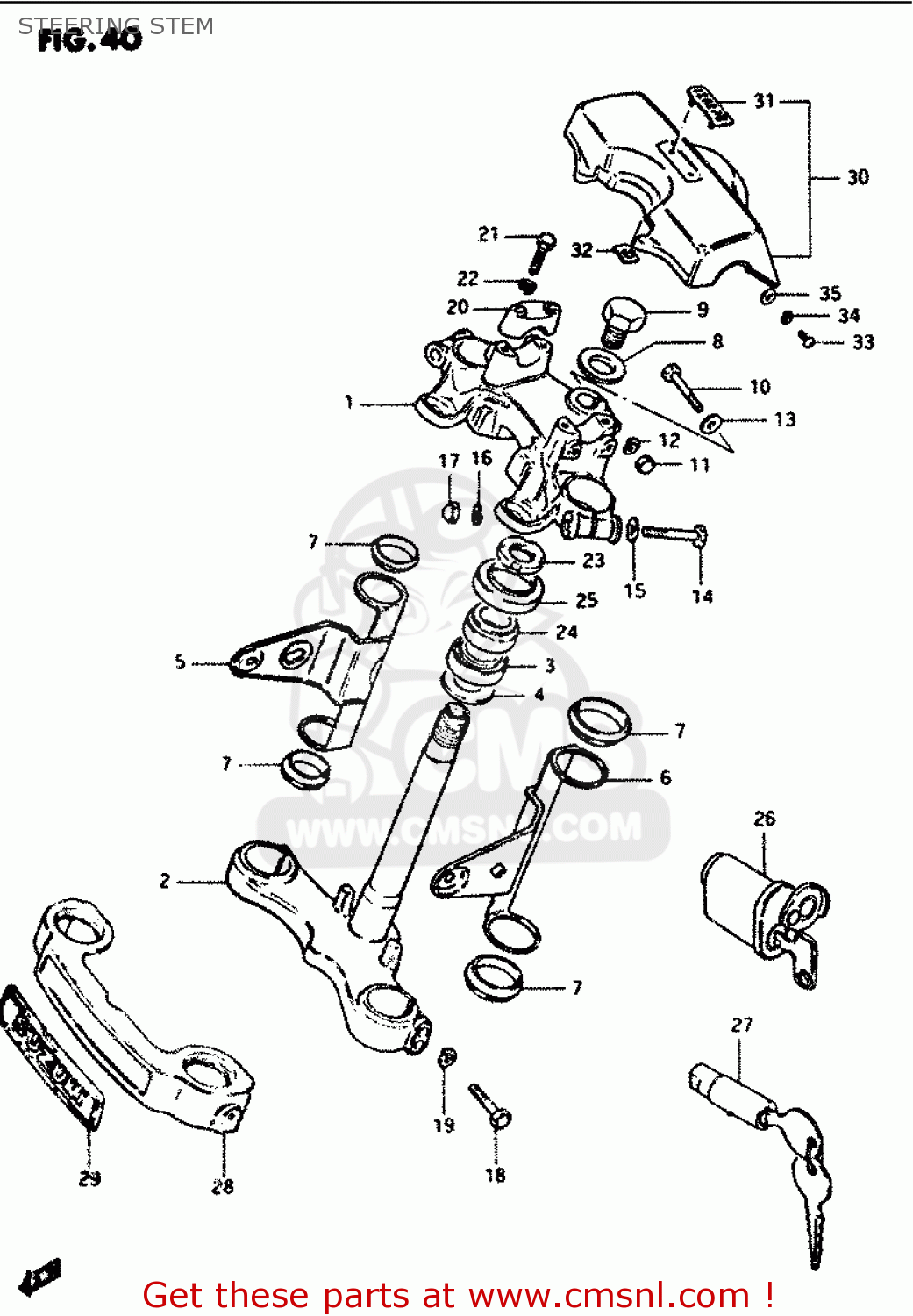
STEERING STEM
GS1100G 1986 (G) GENERAL EXPORT (E01)
Steering stem diagram GS1100G 1986 (G) GENERAL EXPORT (E01)
STEERING STEM GS1100G 1986 (G) GENERAL EXPORT (E01)
×
prices are in EUR
ref
part #
description
quantity
1
5131149400291
ref: 1
HEAD,STEERING STEM
€ 198.50
2
5141049430291
ref: 2
STEM,STEERING
€ 249.00
3
0926530005
ref: 3
BEARING
€ 53.50
4
0821130402
ref: 4
WASHER,THRUST
€ 5.00
5
5153049410
ref: 5
BRACKET,HEADLAMP,RIGHT
€ 72.50
6
5154049410
ref: 6
BRACKET,HEADLAMP,LEFT
€ 35.00
7
5155349000
ref: 7
CUSHION,HEADLAMP BRACKET
€ 5.50
8
5135649400
ref: 8
WASHER,STEERING STEM
€ 4.50
9
5135345380
ref: 9
NUT,STEM HEAD
€ 9.00
10
0110708508
ref: 10
BOLT 8X50
€ 3.00
11
0831311088
ref: 11
NUT
€ 2.50
12
0832121088
ref: 12
LOCK WASHER
€ 2.50
13
0832221088
ref: 13
WASHER
€ 2.50
14
0110710558
ref: 14
BOLT 10X55
€ 4.00
15
0832221108
ref: 15
WASHER
€ 2.50
16
0832121107
ref: 16
WASHER,LOCK,10
€ 2.50
17
0831311108
ref: 17
NUT, LOWER LH
€ 3.00
18
0110708358
ref: 18
BOLT
€ 3.50
19
0832121088
ref: 19
LOCK WASHER
€ 2.50
20
5621129320291
ref: 20
HOLDER,HANDLE(BLACK)
€ 13.50
21
0110708358
ref: 21
BOLT
€ 3.50
22
0832121088
ref: 22
LOCK WASHER
€ 2.50
23
5163134200
ref: 23
NUT,STEERING STEM
€ 23.00
24
0926525008
ref: 24
TAPER,ROLLER BEARING
€ 48.50
25
5164340502
ref: 25
DUST SEAL,STEERING UPR
€ 8.50
26
5190045400
ref: 26
E17
LOCK ASSY, STEERING (NEIMAN TYPE EXECUTE
€ 0.00
27
5190022662
ref: 27
E15,E22,E26
LOCK ASSEMBLY,STEERING (NEI
€ 178.00
28
5187149400
ref: 28
COVER,FRONT FORK
€ 20.50
29
6821149420
ref: 29
EMBLEM,FRONT FORK COVER
€ 16.50
30
5617049400
ref: 30
PAD,HANDLEBAR
€ 36.00
31
6828145100
ref: 31
EMBLEM,HANDLE COVER PAD
€ 15.50
32
0914803002
ref: 32
NUT
€ 3.00
33
0211205085
ref: 33
SCREW
€ 2.00
34
0832121055
ref: 34
WASHER,LOCK
€ 3.00
35
0832221055
ref: 35
WASHER,5MM
€ 2.50
up
all assemblies
* CATALOG PREFACE *
* CONVERSION CHART *
CYLINDER HEAD COVER
CAM CHAIN
CARBURETOR
AIR CLEANER
MUFFLER
CLUTCH
TRANSMISSION
SECONDARY DRIVE GEAR
GEAR SHIFTING
PROPELLER SHAFT - FINAL DRIVE GEAR
STARTING MOTOR (MODEL E)
CYLINDER HEAD
STARTING MOTOR (MODEL F/G)
GENERATOR
SIGNAL GENERATOR
BATTERY
ELECTRICAL
SPEEDOMETER - TACHOMETER
HEADLAMP
TURN SIGNAL LAMP (E1, E6, E24)
TURN SIGNAL LAMP (E2, E4, E15, E16, E17, E18, E22, E26)
REAR COMBINATION LAMP
CYLINDER
WIRING HARNESS
FRAME
STAND
FOOTREST
FUEL TANK
FUEL COCK
SEAT
SEAT TAIL COVER
FRAME COVER
FRONT FORK
CRANKCASE
STEERING STEM
FRONT FENDER - HEADLAMP HOUSING (MODEL E)
FRONT FENDER - HEADLAMP HOUSING (MODEL F/G)
FRONT WHEEL
HANDLEBAR
RIGHT HANDLE SWITCH
LEFT HANDLE SWITCH
FRONT CALIPERS
FRONT BRAKE HOSE
FRONT MASTER CYLINDER
CRANKCASE COVER
REAR SWINGING ARM
REAR FENDER
REAR FENDER EXTENSION
REAR WHEEL
REAR CALIPERS
REAR MASTER CYLINDER
OPTIONAL
OIL PUMP - OIL FILTER
CRANKSHAFT
STARTER CLUTCH
CAM SHAFT - VALVE
up