×
Buy Suzuki GS Parts Online
home
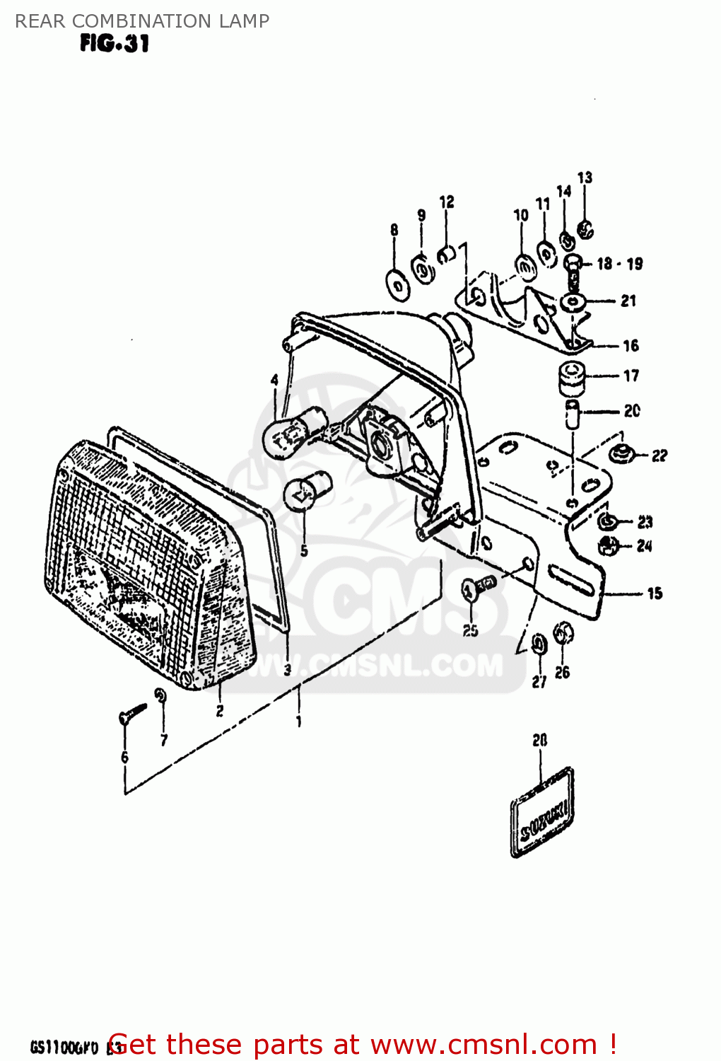
REAR COMBINATION LAMP
GS1100GK 1983 (D) USA (E03)
Rear combination lamp diagram GS1100GK 1983 (D) USA (E03)
REAR COMBINATION LAMP GS1100GK 1983 (D) USA (E03)
×
prices are in EUR
ref
part #
description
quantity
1
3571049030
ref: 1
35710-34310
LAMP ASSEMBLY,REAR COMBINATION
€ 245.00
2
3571249031
ref: 2
LENS
€ 43.50
3
3571349030
ref: 3
GASKET (NAS)
€ 13.50
4
0947112035
ref: 4
BULB(12V23W)
€ 5.50
5
0947112037
ref: 5
09471-12141
BULB
€ 7.00
6
3562749030
ref: 6
03511-0416A
SCREW,REAR COMBINATION LAMP
€ 1.50
7
3562743010
ref: 7
GASKET (NAS)
€ 2.00
8
0916006007
ref: 8
09160-06084
WASHER
€ 2.00
9
0932009004
ref: 9
CUSHION
€ 2.50
10
0932009003
ref: 10
CUSHION
€ 2.00
11
0916006012
ref: 11
09160-06054
WASHER(6,5X22X1.6)
€ 2.00
12
0918006038
ref: 12
SPACER(6.1X9X7.5)
€ 2.00
13
0831011068
ref: 13
08310-00067
NUT
€ 2.50
14
0832121068
ref: 14
08321-01067
LOCK WASHER
€ 2.50
15
3592749031
ref: 15
PLATE,REAR LICENSE
€ 17.00
16-1
3592849031
ref: 16-1
BRACKET,LICENSE PLATE
€ 6.50
16-2
3572645100
ref: 16-2
BRACKET,REAR COMBINATION LAMP
€ 0.00
17
3579449000
ref: 17
35765-30950
CUSHION, BRACKET
€ 18.00
18-1
0110706258
ref: 18-1
01500-06257
BOLT
€ 2.00
18-2
0110706128
ref: 18-2
01500-06127
BOLT
€ 2.00
19-1
0110706308
ref: 19-1
01500-06307
BOLT
€ 2.50
19-2
0110706168
ref: 19-2
01500-06167
BOLT, UPPER
€ 3.00
20
0918006087
ref: 20
09180-06269
SPACER (6.4X9X15.5)
€ 4.00
21
0916006007
ref: 21
09160-06084
WASHER
€ 2.00
22
0916906016
ref: 22
WASHER
€ 1.50
23
0832121068
ref: 23
08321-01067
LOCK WASHER
€ 2.50
24
0831011068
ref: 24
08310-00067
NUT
€ 2.50
25
0214206167
ref: 25
SCREW
€ 2.00
26
0831011068
ref: 26
08310-00067
NUT
€ 2.50
27
0832121068
ref: 27
08321-01067
LOCK WASHER
€ 2.50
28
3599549410
ref: 28
EMBLEM,SEAT TAIL COVER
€ 6.50
up
all assemblies
AIR CLEANER
BATTERY
BUMPER
CAM CHAIN (GS1100GKD)
CAM CHAIN (GS1100GKZ/GK2)
CAM SHAFT-VALVE
CARBURETOR
CLUTCH
COWLING (NO.1) (GS1100GK2/GKD)
COWLING (NO.1) (GS1100GKZ)
COWLING (NO.2)
CRANKCASE (GS1100GKD)
CRANKCASE (GS1100GKZ/GK2)
CRANKCASE COVER
CRANKSHAFT
CYLINDER
CYLINDER HEAD
CYLINDER HEAD COVER (GS1100GKJ)
CYLINDER HEAD COVER (GS1100GKZ/GK2)
ELECTRICAL (GS1100GKD)
ELECTRICAL (GS1100GKZ/GK2)
FOOTREST (GS1100GK2/GKD)
FOOTREST (GS1100GKZ)
FRAME
FRAME COVER (GS1100GK2/GKD)
FRAME COVER (GS1100GKZ)
FRONT BRAKE HOSE
FRONT CARIPERS
FRONT FORK (GS1100GK2/GKD)
FRONT FORK (GS1100GKZ)
FRONT MASTER CYLINDER
FRONT WHEEL
FUEL COCK
FUEL TANK (GS1100GK2/GKD)
FUEL TANK (GS1100GKZ)
GEAR SHIFTING
GENERATOR
HANDLEBAR
HEADLAMP
HEADLAMP HOUSING-FRONT FENDER
LEFT HANDLE SWITCH
LUGGAGE BAG (OPTIONAL)
MUFFLER
OIL PUMP-OIL FILTER
PROPELLER SHAFT-FINAL DRIVE GEAR
REAR BRAKE
REAR CARIPERS
REAR COMBINATION LAMP
REAR FENDER
REAR FENDER EXTENSION (OPTIONAL)
REAR MASTER CYLINDER
REAR SWINGING ARM
REAR WHEEL
RIGHT HANDLE SWITCH
SEAT
SEAT TAIL COVER
SECONDARY DRIVE GEAR
SIDE BAG (GS1100GK2/GKD)
SIDE BAG (GS1100GKZ)
SIGNAL GENERATOR
SPEEDOMETER-TACHOMETER
STAND
STARTER CLUTCH
STARTING MOTOR
STEERING STEM (GS1100GK2/GKD)
STEERING STEM (GS1100GKZ)
TRANSMISSION
TRAVEL TRUNK (GS1100GK2/GKD)
TRAVEL TRUNK (GS1100GKZ)
TURN SIGNAL LAMP
WIRING HARNESS
up