Buy Suzuki GS Parts Online

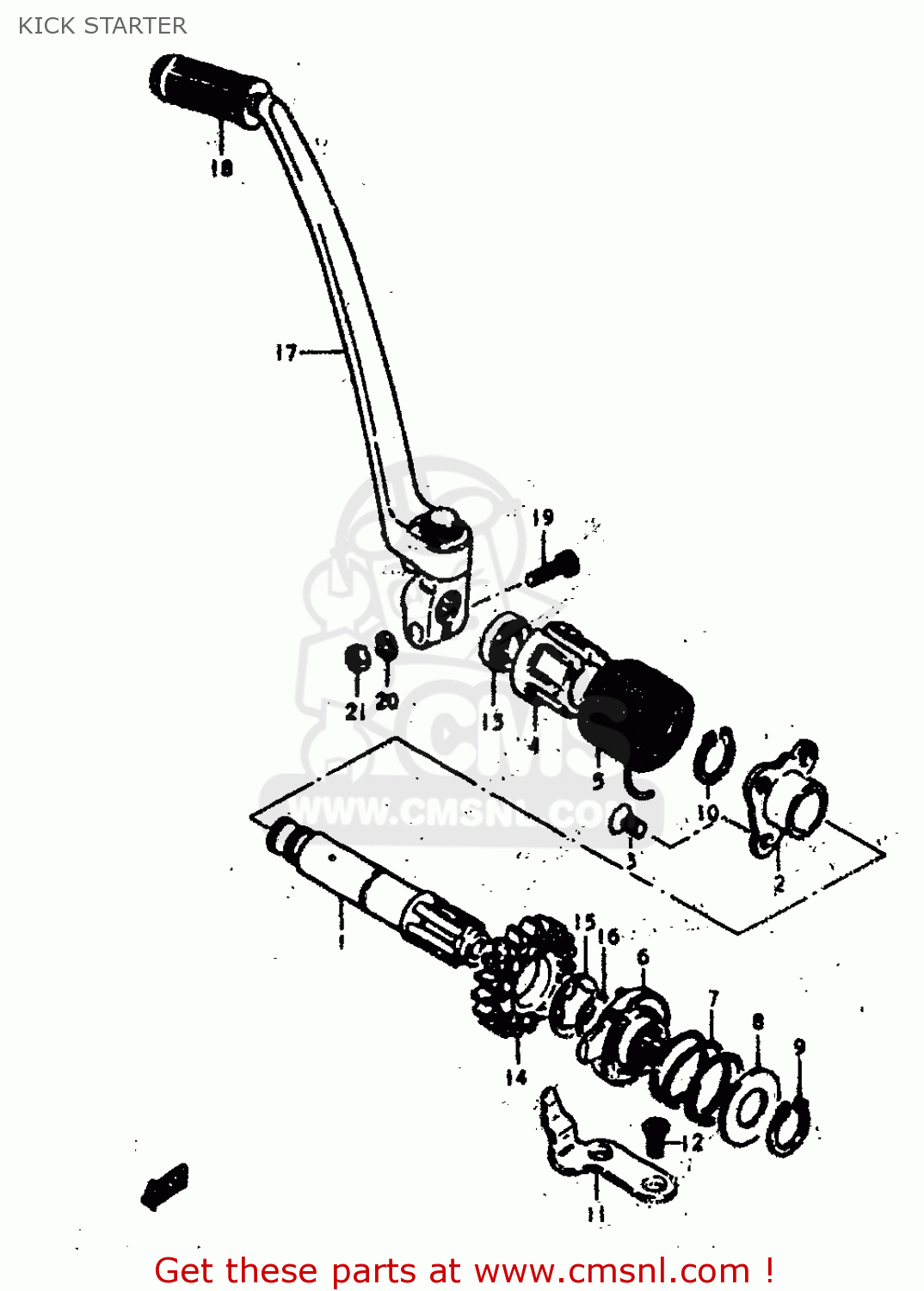
KICK STARTER

GS400E 1979 (N) (E01 E02 E04 E17 E18 E21 E22 E24 E25 E30 E34 E39

Kick starter diagram GS400E 1979 (N) (E01 E02 E04 E17 E18 E21 E22 E24 E25 E30 E34 E39

KICK STARTER GS400E 1979 (N) (E01 E02 E04 E17 E18 E21 E22 E24 E25 E30 E34 E39
KICK STARTER GS400E 1979 (N) (E01 E02 E04 E17 E18 E21 E22 E24 E25 E30 E34 E39
KICK STARTER GS400E 1979 (N) (E01 E02 E04 E17 E18 E21 E22 E24 E25 E30 E34 E39
prices are in EUR
ref
part #
description
quantity
1
2621044000
ref: 1
SHAFT,KICK STARTER
2621044000
€ 69.00

2
2621544000
ref: 2
HOLDER,KICK STARTER SHAFT
2621544000
€ 29.00

3
0212206128
ref: 3
SCREW
0212206128
€ 3.00

4
2622144000
ref: 4
GUIDE,STARTER SHAFT SPRING
2622144000
€ 27.50

5
0944845010
ref: 5
SPRING
0944845010
€ 6.50

6-1
2623130000
ref: 6-1
STARTER,KICK
2623130000
€ 47.50

7
0944032002
ref: 7
SPRING
0944032002
€ 2.00

8
0821217342
ref: 8
WASHER
€ 0.00

9
0938017001
ref: 9
CIRCLIP
0938017001
€ 2.00

10
0833111209
ref: 10
CIRCLIP
€ 2.50

11
2623244000
ref: 11
GUIDE,STARTING SPRING
2623244000
€ 5.50

12
0212206168
ref: 12
SCREW
0212206168
€ 2.00

13
0928320031
ref: 13
SEAL,OIL(20X27X5)
0928320031
€ 5.00

14
2624045000
ref: 14
GEAR,KICK STARTER DRIVE
€ 40.00

15
0916722007
ref: 15
WASHER,LOCK
0916722007
€ 3.50

16
0938022003
ref: 16
CIRCLIP
0938022003
€ 13.50

17
2630044001
ref: 17
LEVER ASSY,KICK STARTER
2630044001
€ 108.00

18
2635201000
ref: 18
RUBBER,KICK STARTER PEDAL
2635201000
€ 3.50

19
0110710358
ref: 19
BOLT,M10X1.25X
0110710358
€ 2.50

20
0832121108
ref: 20
LOCK WASHER
0832121108
€ 2.00

21
0831012108
ref: 21
NUT
0831012108
€ 2.50

all assemblies