×
Buy Suzuki GS Parts Online
home
GS450S 1988 (J) (E04 E22 E34 E77)
* COLOR CHART *
0 products
* CATALOG PREFACE *
0 products
* CONVERSION CHART *
0 products
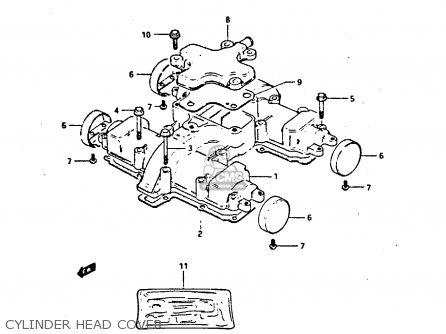
CYLINDER HEAD COVER
11 products
CYLINDER HEAD
32 products
CYLINDER
5 products
CRANKCASE
30 products
CRANKCASE COVER
30 products
FILTER - OIL PUMP
23 products
CRANKSHAFT
30 products
CRANKSHAFT BALANCER
13 products
STARTER CLUTCH
8 products
CAM SHAFT - VALVE
41 products
CAM CHAIN
21 products
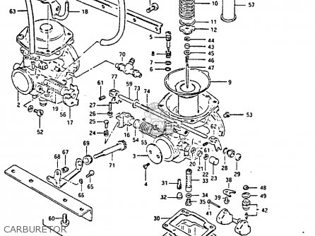
CARBURETOR
79 products
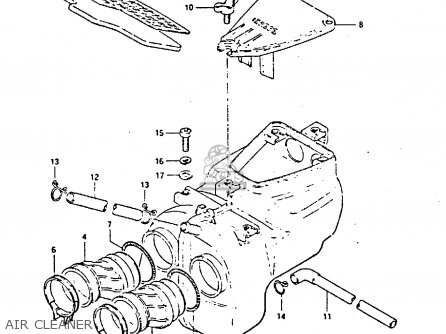
AIR CLEANER
17 products
MUFFLER
14 products
CLUTCH
29 products
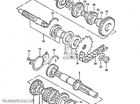
TRANSMISSION
38 products
GEAR SHIFTING
44 products
STARTING MOTOR
20 products
GENERATOR
10 products
SIGNAL GENERATOR
9 products
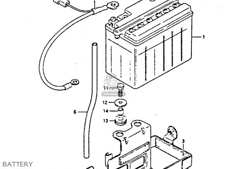
BATTERY
15 products
ELECTRICAL
26 products
SPEEDOMETER - TACHOMETER
53 products
HEADLAMP (E2, E75)
12 products
TURN SIGNAL LAMP
39 products
REAR COMBINATION LAMP (MODEL G/H/J)
36 products
WIRING HARNESS
31 products
FRAME
29 products
STAND
22 products
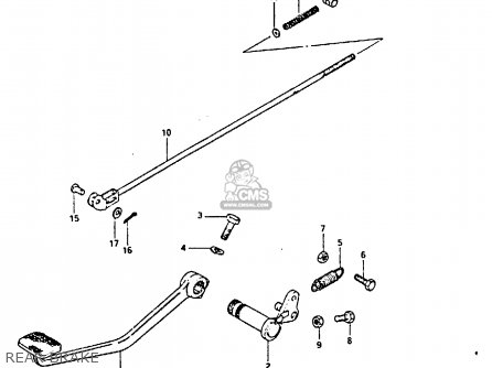
REAR BRAKE
17 products
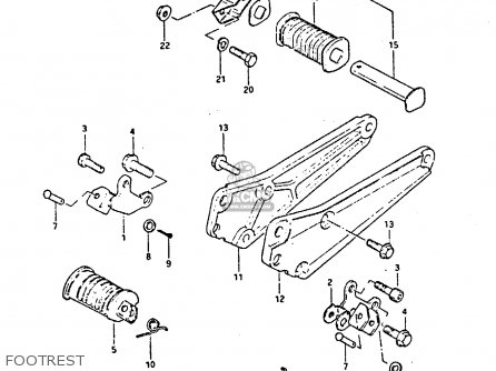
FOOTREST
25 products
FUEL TANK (MODEL H/J)
21 products
FUEL COCK
22 products
SEAT
22 products
SEAT TAIL COVER (MODEL H/J)
28 products
FRAME COVER (MODEL J)
22 products
FRONT DAMPER (MODEL J)
26 products
STEERING STEM
31 products
HEADLAMP HOUSING - FRONT FENDER
17 products
FRONT WHEEL
31 products
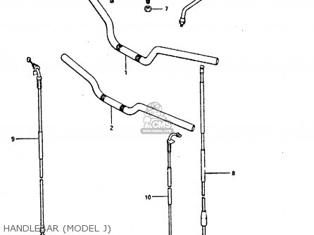
HANDLEBAR (MODEL J)
11 products
RIGHT HANDLE SWITCH (MODEL J)
11 products
LEFT HANDLE SWITCH (MODEL J)
17 products
FRONT CALIPERS (MODEL E/F/G/H, MODEL J E34, E75)
18 products
FRONT BRAKE HOSE (MODEL J)
8 products
MASTER CYLINDER
13 products
REAR SWINGING ARM
18 products
CHAIN CASE - SHOCK ABSORBER
15 products
REAR FENDER
22 products
REAR WHEEL
54 products
COWLING
40 products
OPTIONAL
33 products
up
popular products
5541200A0019T
BALANCER,WHEEL
Suzuki
1289245000265
SHIM,TAPPET(T:2.65)
Suzuki
0944317006
SPRING
Suzuki
0947112035
BULB(12V23W)
Suzuki