×
Buy Suzuki GS Parts Online
home
STARTING MOTOR
GS500E 1991 (M) USA (E03)
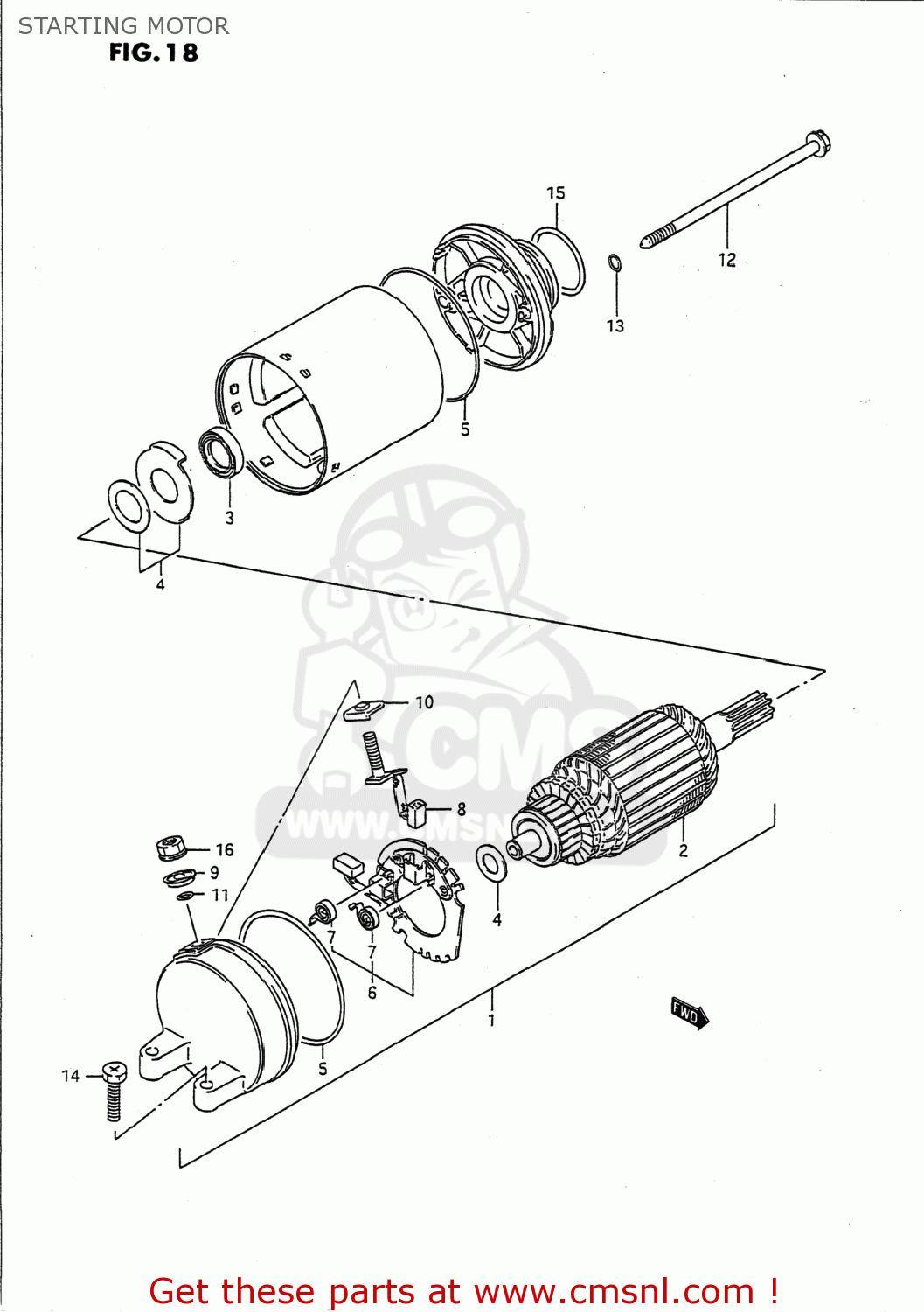
Starting motor diagram GS500E 1991 (M) USA (E03)
STARTING MOTOR GS500E 1991 (M) USA (E03)
×
prices are in EUR
ref
part #
description
quantity
1-1
3110027A01H17
ref: 1-1
31100-20C01
MOTOR ASSEMBLY,STARTING
€ 530.00
1-2
3110020C00
ref: 1-2
31100-20C01
MOTOR ASSEMBLY,STARTING
€ 530.00
2
3131027A01H17
ref: 2
ARMATURE
€ 222.00
3
3115343400
ref: 3
SEAL,OIL
€ 21.50
4
3117043400
ref: 4
SHIM SET,STARTING MOTOR
€ 4.00
5
3126444110
ref: 5
O RING
€ 8.50
6
3113227A01
ref: 6
HOLDER,BRUSH
€ 51.00
7
3113565010
ref: 7
SPRING
€ 3.50
8
3113038300
ref: 8
BRUSH SUB ASSY,STARTING MOTOR
€ 14.00
9
3117238300
ref: 9
BUSHING
€ 4.50
10
3117138300
ref: 10
BUSH,B
€ 6.50
11
3114338300
ref: 11
O RING
€ 4.00
12
3128188C00
ref: 12
BOLT
€ 9.50
13
3115638300
ref: 13
O RING
€ 3.50
14
0912806024
ref: 14
09103-06212
SCREW (6X25)
€ 3.00
15
0928024003
ref: 15
O RING(D:3,ID:24.5)
€ 2.00
16
0836135066
ref: 16
08361-3506A
NUT
€ 2.00
up
all assemblies
AIR CLEANER
BATTERY
CAM CHAIN
CAM SHAFT - VALVE
CANISTER (CALIFORNIA ONLY)
CARBURETOR
CLUTCH
COWLING (MODEL K/L OPTIONAL)
COWLING (MODEL M/N/P/R/S/T OPTIONAL)
CRANKCASE
CRANKCASE COVER
CRANKSHAFT
CRANKSHAFT BALANCER
CUSHION LEVER (MODEL K/L)
CUSHION LEVER (MODEL M/N/P/R/S/T)
CYLINDER
CYLINDER HEAD
CYLINDER HEAD COVER
ELECTRICAL
FOOTREST
FRAME
FRAME COVER (MODEL K/L/M)
FRAME COVER (MODEL N)
FRAME COVER (MODEL P)
FRAME COVER (MODEL R/S/T)
FRONT CALIPER (MODEL K/L/M/N/P/R/S)
FRONT CALIPER (MODEL T)
FRONT DAMPER
FRONT FENDER
FRONT MASTER CYLINDER
FRONT WHEEL
FUEL COCK
FUEL TANK (MODEL K/L)
FUEL TANK (MODEL M)
FUEL TANK (MODEL N/P)
FUEL TANK (MODEL R/S/T)
GEAR SHIFTING
GENERATOR
HANDLE LEVER (MODEL K)
HANDLE LEVER (MODEL L/M/N/P/R/S/T)
HANDLE SWITCH
HANDLEBAR (MODEL K)
HANDLEBAR (MODEL L/M/N/P/R/S/T)
HEADLAMP (MODEL K/L/M/N/P)
HEADLAMP (MODEL R/S/T)
HEADLAMP HOUSING (MODEL K/L/M/N/P)
HEADLAMP HOUSING (MODEL R/S/T)
MUFFLER
OIL FILTER - OIL PUMP
REAR CALIPER (MODEL K/L/M/N)
REAR CALIPER (MODEL P/R/S/T)
REAR COMBINATION LAMP
REAR FENDER
REAR MASTER CYLINDER
REAR SWINGING ARM
REAR WHEEL
SEAT
SIGNAL GENERATOR
SPEEDOMETER - TACHOMETER
STAND - REAR BRAKE
STARTER CLUTCH
STARTING MOTOR
STEERING STEM
TRANSMISSION
TURNSIGNAL LAMP
WIRING HARNESS
up