×
Buy Suzuki GS Parts Online
home
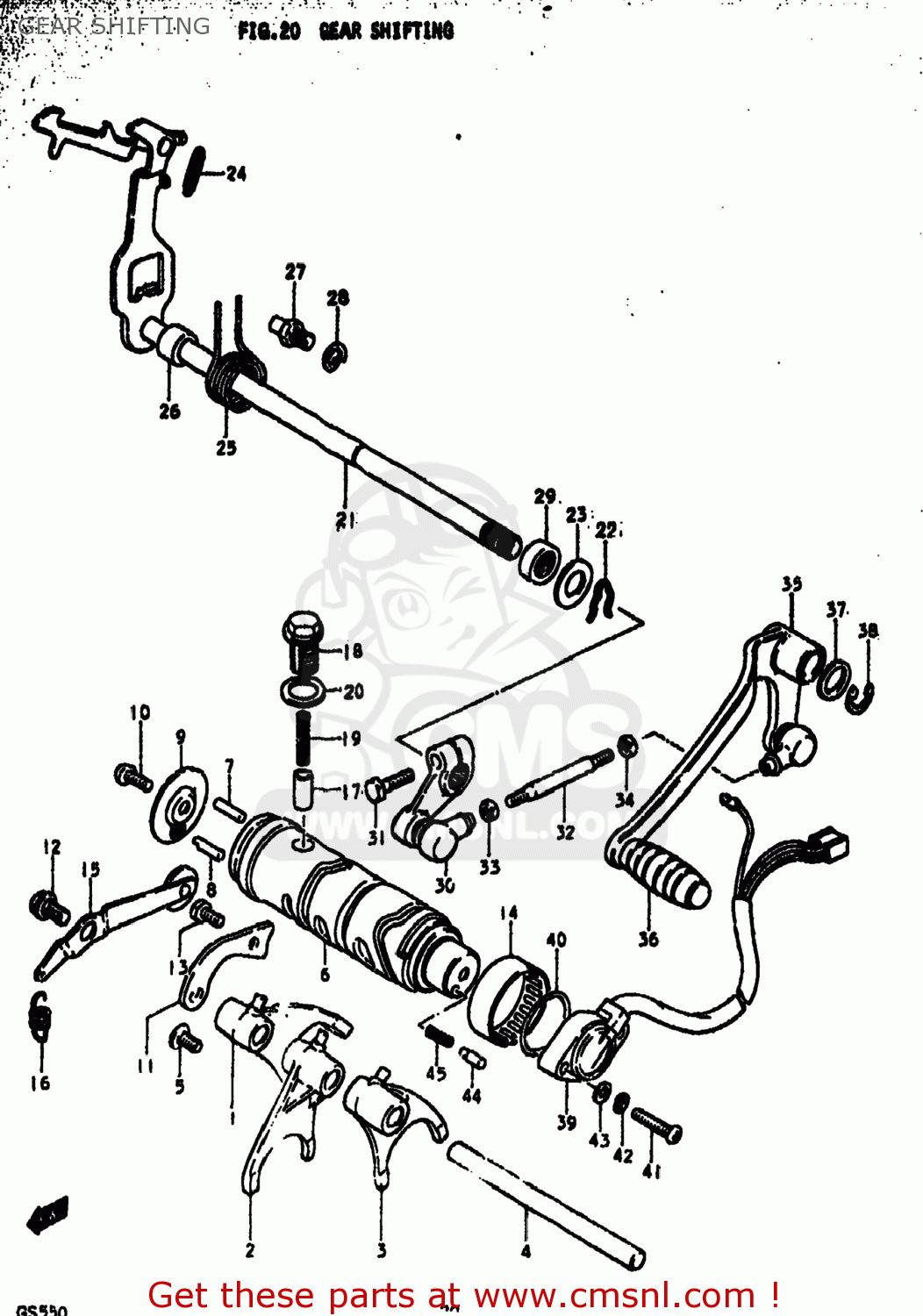
GEAR SHIFTING
GS550 1977 (B) USA (E03)
Gear shifting diagram GS550 1977 (B) USA (E03)
GEAR SHIFTING GS550 1977 (B) USA (E03)
×
prices are in EUR
ref
part #
description
quantity
1
2521144000
ref: 1
25211-44001
FORK,GEAR SHIFT NO.1
€ 70.00
2
2522144000
ref: 2
25221-44001
FORK,GEAR SHIFT NO.2
€ 80.50
3
2523144000
ref: 3
FORK,GEAR SHIFT NO.2
€ 80.50
4
2541131000
ref: 4
25411-18900
SHAFT,GEAR SHIFT FORK
€ 15.50
5
0214206108
ref: 5
02142-06107
SCREW
€ 2.00
6
2531147000
ref: 6
25311-47001
CAM,GEAR SHIFT
€ 59.00
7
0926104001
ref: 7
PIN(4X18.5)
€ 1.50
8
0920904013
ref: 8
PIN
€ 6.00
9
2532244000
ref: 9
RETAINER,GEAR SHIFT CAM DR PIN
€ 3.00
10
0211206168
ref: 10
02112-06167
SCREW
€ 2.50
11
2534144000
ref: 11
25341-33300
GUIDE,GEAR SHIFTING CABLE
€ 6.50
12
0911106019
ref: 12
09111-06054
BOLT
€ 2.00
13
0110706128
ref: 13
01500-06127
BOLT
€ 2.50
14
0926340001
ref: 14
BEARING(40X47X12)
€ 23.00
15
2535044000
ref: 15
STOPPER,GEAR SHIFT CAM NO.1
€ 11.50
16
0944309007
ref: 16
SPRING
€ 2.00
17
2535130010
ref: 17
STOPPER,GEAR SHIFT CAM NO.2
€ 7.00
18
2535430000
ref: 18
HOLDER,GEAR SHIFT CAM STOP SPR
€ 7.00
19
0944006014
ref: 19
SPRING
€ 3.00
20
0916814004
ref: 20
GASKET(14X19.2X2) (NAS)
€ 2.50
21
2551047000
ref: 21
SHAFT,GEAR SHIFT
€ 58.50
22
0938412001
ref: 22
08331-3112A
SPRING,RETAINER
€ 2.00
23
0916012020
ref: 23
09160-12089
WASHER (12.5X27X1.6)
€ 2.00
24
0944307013
ref: 24
SPRING
€ 3.00
25
0944426012
ref: 25
09444-26013
SPRING
€ 4.00
26
0918012068
ref: 26
SPACER(12X20X15.3)
€ 3.50
27
2567101000
ref: 27
25671-01011
STOPPER,GEAR SHIFT CAM
€ 3.50
28
0832121088
ref: 28
08321-01087
LOCK WASHER
€ 2.50
29
0928512002
ref: 29
09285-12006
OIL SEAL
€ 7.00
30
2552047000
ref: 30
ARM,GEAR SHIFT LINK
€ 58.50
31
0110706208
ref: 31
01500-06207
BOLT
€ 2.50
32
2552547000
ref: 32
25525-47020
ROD,GEAR SHIFT LINK
€ 9.50
33
0831011068
ref: 33
08310-00067
NUT
€ 2.50
34
0914006011
ref: 34
NUT
€ 2.00
35
2560047000
ref: 35
LEVER ASSEMBLY,GEAR SHIFTING
€ 55.50
36
2565216500
ref: 36
RUBBER,GEAR SHIFT PEDAL
€ 4.50
37
0916012011
ref: 37
WASHER(12.5X20X1)
€ 1.50
38
0833131128
ref: 38
08331-3112A
CIRCLIP
€ 2.00
39
3772045010
ref: 39
37720-45100
BASE ASSEMBLY,NEUTRAL SWITCH TERMINAL
€ 100.50
40
0928026003
ref: 40
09280-26005
O-RING (D:2.4 ID:26.2)
€ 3.00
41
0211205208
ref: 41
02112-05207
SCREW 5X20
€ 3.00
42
0832121058
ref: 42
08321-0105A
LOCK WASHER
€ 2.00
43
0832221058
ref: 43
08322-01057
WASHER
€ 2.50
44
0920905011
ref: 44
PIN(5X15.5)
€ 2.00
45
0944004010
ref: 45
SPRING
€ 2.00
up
all assemblies
AIR CLEANER
BATTERY
BRAKE HOSE
CALIPERS
CAM CHAIN
CAM SHAFT - VALVE
CARBURETOR (GS550B.C.EC)
CARBURETOR (GS550C.EC.N.EN)
CHAIN CASE - SHOCK ABSORBER
CLUTCH
CLUTCH RELEASE
CONTACT BREAKER (KOKUSAN)
CONTACT BREAKER (NIPPON DENSO)(GS550B)
CRANKCASE
CRANKCASE LH COVER
CRANKCASE RH COVER
CRANKSHAFT
CYLINDER
CYLINDER HEAD
CYLINDER HEAD COVER
ELECTRICAL
FOOTREST (GS550B
FOOTREST (GS550N
FRAME
FRAME COVER (GS550B
FRAME COVER (GS550N
FRONT FORK
FRONT WHEEL (GS5508
FRONT WHEEL (GS560EC
FUEL COCK
FUEL TANK (GS550B
FUEL TANK (GS550N
GEAR SHIFTING
GENERATOR
HANDLEBAR - FRONT FENDER
HEADLAMP (KOITO)
HEADLAMP (STANLEY)
KICK STARTER
LH HANDLE SWITCH
MASTER CYLINDER
MUFFLER
OIL PAN
OIL PUMP
REAR BRAKE (GS550B
REAR BRAKE (GS650EC
REAR BREAK HOSE (GS550EC
REAR CALIPERS (GS550EC
REAR COMBINATION LAMP
REAR FINDER
REAR MASTER CYLINDER (GS550EC
REAR SWINGING ARM (GS550B
REAR SWINGING ARN (GS560EC
REAR WHEEL (GS550B
REAR WHEEL (GS550EC
RH HANDLE SWITCH
SEAT (GS550N
SPEEDOMETER - TACHOMETER (G55508)
SPEEDOMETER - TACHOMETER (GS550N
SPEEDOMETER - TACHOMETER (GS650C
STAND
STARTER CLUTCH
STARTING MOTOR (MITSUBA ELECTRIC)
STARTING MOTOR (NIPPON DENSO)
STEERING STEM
TRANSMISSION
TURN SIGNAL LAMP
WIRING HARNESS
up