prices are in EUR
ref
part #
description
quantity
 
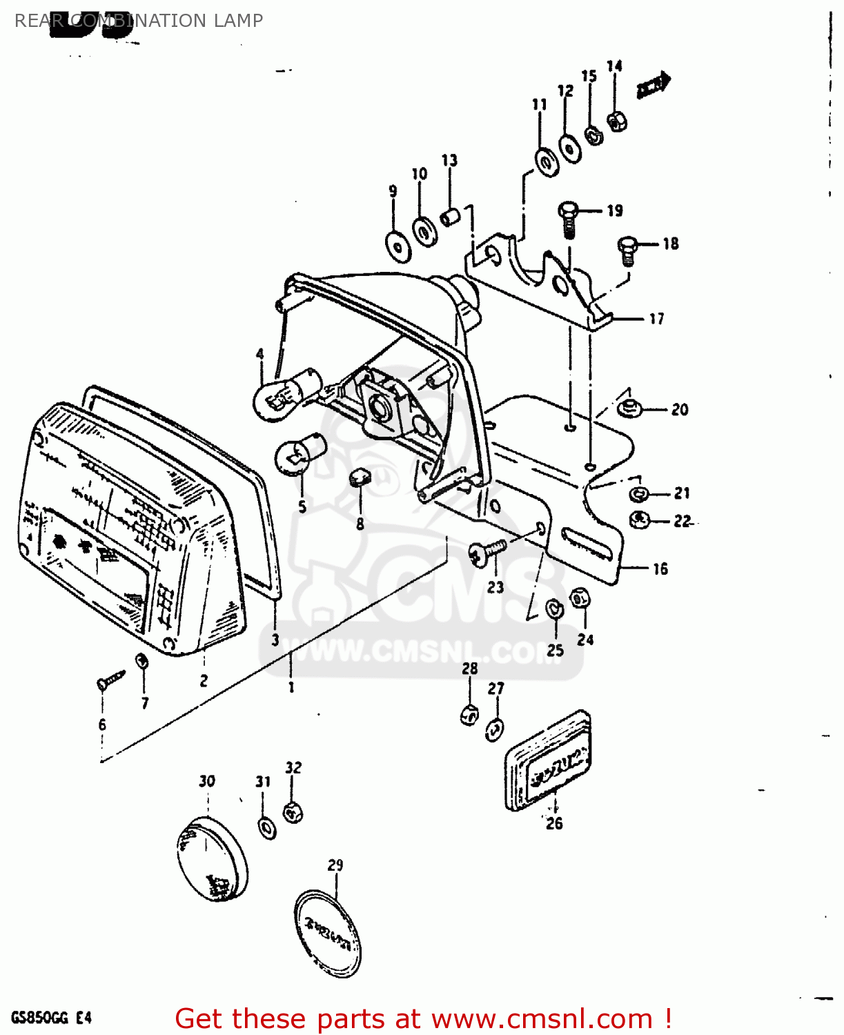
1-1
LAMP ASSEMBLY,REAR COMBINATION
 
1-2
LAMP ASSY, REAR COMBINATION
 
1-3
LAMP ASSY, REAR COMBINATION
 
1-4
LAMP ASSY, REAR COMBINATION
 
1-5
LAMP ASSY, REAR COMBINATION
 
 
 
2-1
LENS
 
 
 
2-4
LENS
 
 
 
3
GASKET (NAS)
 
 
 
4-1
BULB(12V23W)
 
 
 
4-2
BULB(12V21/5W)
 
 
 
6
SCREW,REAR COMBINATION LAMP
 
 
 
7
GASKET (NAS)
 
 
 
10
CUSHION
 
 
 
11
CUSHION
 
 
 
13
SPACER(6.1X9X7.5)
 
 
 
15
WASHER,LOCK
 
 
 
16
BRACKET, LICENCE PLATE
 
 
 
17
BRACKET,REAR COMBINATION LAMP
 
20
WASHER
 
 
 
21
WASHER,LOCK
 
 
 
23
SCREW
 
 
 
25
WASHER,LOCK
 
 
 
30-1
REFLEX REFLECTOR,RR
 
 
 
30-2
REFLEX REFLECTOR,RR
