Buy Suzuki GSX Parts Online

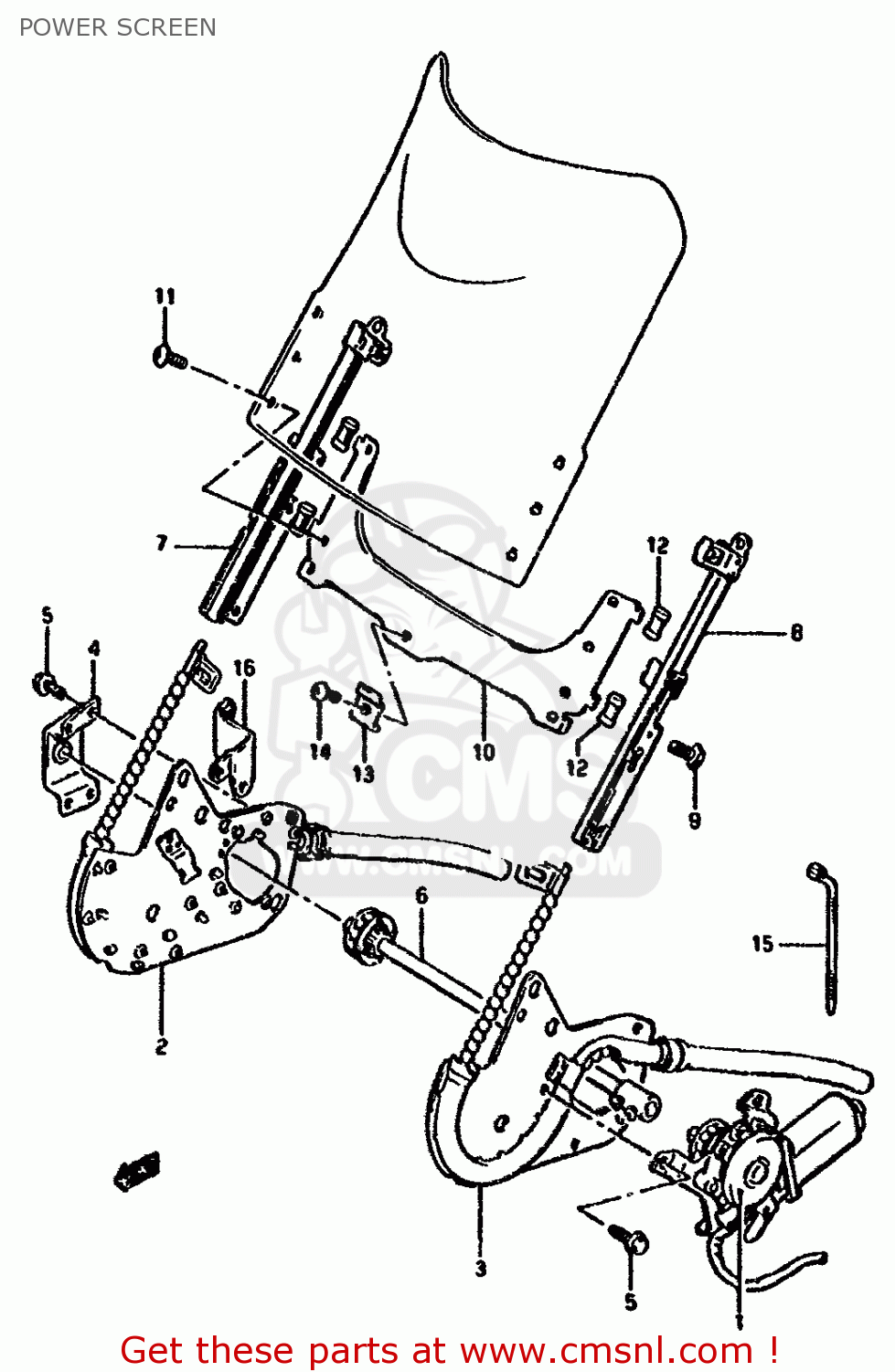
POWER SCREEN

GSX1100F 1992 (N) (E01 E02 E04 15 16 17 18 21 22 24 25 34 39 53)

Power screen diagram GSX1100F 1992 (N) (E01 E02 E04 15 16 17 18 21 22 24 25 34 39 53)

POWER SCREEN GSX1100F 1992 (N) (E01 E02 E04 15 16 17 18 21 22 24 25 34 39 53)
POWER SCREEN GSX1100F 1992 (N) (E01 E02 E04 15 16 17 18 21 22 24 25 34 39 53)
POWER SCREEN GSX1100F 1992 (N) (E01 E02 E04 15 16 17 18 21 22 24 25 34 39 53)
prices are in EUR
ref
part #
description
quantity
1
9460048810
ref: 1
MOTOR SET
€ 410.50

2
9460048820
ref: 2
FRAME SET,RIGHT
€ 124.00

3
9460048860
ref: 3
FRAME SET,L
€ 122.50

4
9460048830
ref: 4
METAL BRACKET SET
9460048830
€ 18.00

5
0151705106
ref: 5
BOLT
€ 3.00

6
9460048840
ref: 6
SHAFT SET
€ 117.00

7
9460048850
ref: 7
PIPE SET,GUIDE,R
9460048850
€ 89.00

8
9460048870
ref: 8
PIPE SET,GUIDE,L
€ 89.00

9
0151706126
ref: 9
BOLT
0151706126
€ 3.00

10
9462148B00
ref: 10
BRACKET,SCREEN
€ 34.50

11
0214205124
ref: 11
SCREW, FRONT & REAR
€ 1.50

12
9462248B00
ref: 12
RUBBER,SLIDE
9462248B00
€ 7.50

13
9462348B00
ref: 13
BRACKET,SUPPORT
9462348B00
€ 4.50

14
0211205105
ref: 14
SCREW
€ 2.50

15
0940406415
ref: 15
CLAMP
€ 3.50

16
9462648B00
ref: 16

MODEL K/L/M/N/P/R E1
BRACKET
9462648B00
€ 5.50