×
Buy Suzuki GSX Parts Online
home
GSX750F 1995 (S) (E02 E04 E18 E22 E24 E25 E34 E37)
* COLOR CHART *
0 products
* COLOR CHART *
0 products
* CATALOG PREFACE *
0 products
* CONVERSION CHART *
0 products
CYLINDER HEAD COVER
20 products
CYLINDER HEAD
34 products
CYLINDER
16 products
CRANKCASE
86 products
CRANKCASE COVER
43 products
OIL PAN
26 products
OIL PUMP
17 products
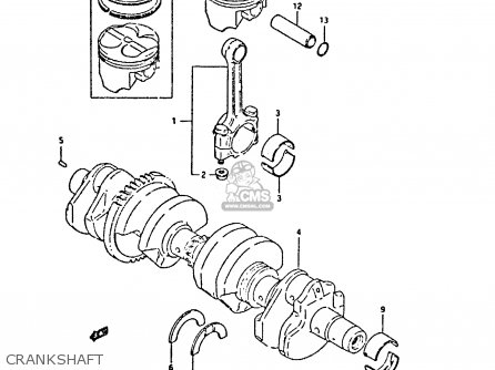
CRANKSHAFT
31 products
STARTER CLUTCH
5 products
CAM SHAFT - VALVE
21 products
CAM CHAIN
22 products
CARBURETOR FITTINGS
86 products
AIR CLEANER
16 products
MUFFLER
28 products
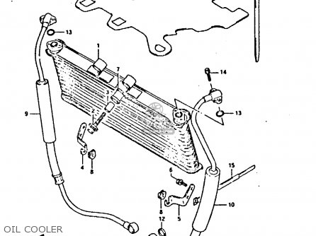
OIL COOLER
24 products
SECOND AIR (E18, MODEL N E39)
31 products
CLUTCH
31 products
TRANSMISSION
63 products
GEAR SHIFTING
53 products
STARTING MOTOR
17 products
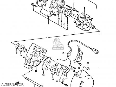
ALTERNATOR
40 products
SIGNAL GENERATOR
13 products
BATTERY
18 products
ELECTRICAL
18 products
SPEEDOMETER
53 products
HEADLAMP (MODEL S)
26 products
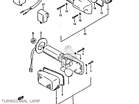
TURNSIGNAL LAMP
23 products
REAR COMBINATION LAMP
45 products
WIRING HARNESS (MODEL S)
39 products
FRAME (MODEL S)
27 products
STAND
26 products
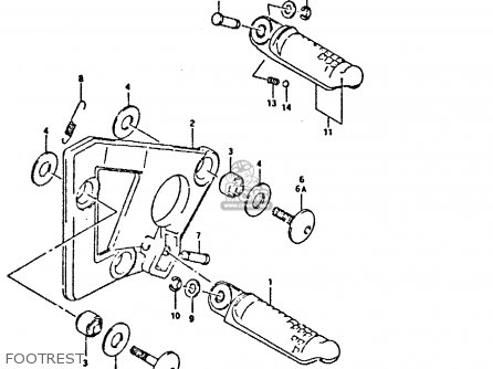
FOOTREST
25 products
FUEL TANK (MODEL P/R/S)
44 products
FUEL COCK
19 products
SEAT (MODEL S)
32 products
PILLION RIDER HANDLE
25 products
FRAME COVER (MODEL S)
70 products
FRONT DAMPER (MODEL S)
52 products
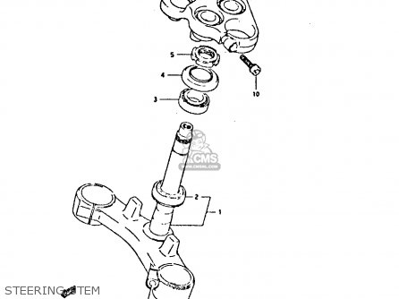
STEERING STEM
14 products
FRONT FENDER (MODEL S)
29 products
FRONT WHEEL
30 products
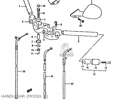
HANDLEBAR (MODEL S)
31 products
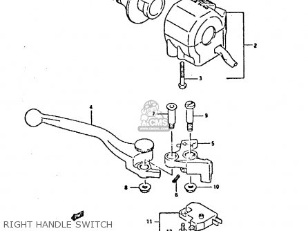
RIGHT HANDLE SWITCH
13 products
LEFT HANDLE SWITCH
19 products
FRONT CALIPERS
18 products
FRONT BRAKE HOSE
12 products
FRONT MASTER CYLINDER
10 products
REAR SWINGING ARM
26 products
REAR CUSHION LEVER (SEE NOTE)
26 products
REAR FENDER (MODEL S)
33 products
REAR WHEEL
45 products
REAR CALIPER (MODEL P/R/S)
20 products
REAR MASTER CYLINDER
33 products
COWLING BODY (MODEL S)
123 products
INSTALLATION PARTS
73 products
OPTIONAL
24 products