×
Buy Suzuki GV Parts Online
home
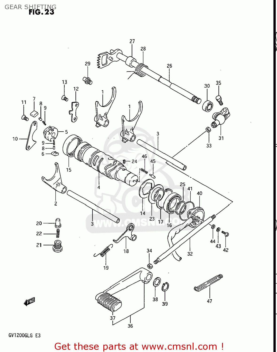
GEAR SHIFTING
GV1200GLG MADURA 1985 (F) USA (E03)
Gear shifting diagram GV1200GLG MADURA 1985 (F) USA (E03)
GEAR SHIFTING GV1200GLG MADURA 1985 (F) USA (E03)
×
prices are in EUR
ref
part #
description
quantity
1
2521105A01
ref: 1
FORK,GEAR SHIFT NO.1
€ 61.50
2
2523105A00
ref: 2
FORK,GEAR SHIFT NO.3
€ 40.50
3
2541105A00
ref: 3
25411-05A01
SHAFT,GEAR SHIFT FORK
€ 8.50
4
2531005A00
ref: 4
CAM,GEAR SHIFT
€ 128.00
5
2532231301
ref: 5
25322-31310
GEAR,GEARSHIFT CAM DRIVE
€ 15.50
6
2532334200
ref: 6
25323-34201
PAWL,GEAR SHIFT NO.1
€ 7.00
7
2532434200
ref: 7
25324-34201
PAWL,GEAR SHIFT NO.2
€ 7.00
8
0926105003
ref: 8
PIN(5X8)
€ 2.00
9
0944004003
ref: 9
SPRING
€ 2.00
10
2533105A00
ref: 10
LIFTER, PAWL
€ 0.00
11
0212206128
ref: 11
02122-06127
SCREW
€ 3.50
12
2534105A00
ref: 12
GUIDE,GEAR SHIFTING CABLE
€ 0.00
13
0212206128
ref: 13
02122-06127
SCREW
€ 3.50
14
0916730007
ref: 14
WASHER,LOCK
€ 2.50
15
0926343001
ref: 15
BEARING(43X49X12)
€ 32.50
16
0811069050
ref: 16
08113-69050
BALL BEARING
€ 42.00
17
0833141428
ref: 17
08331-4142A
CIRCLIP,42MM
€ 2.00
18
2535005A00
ref: 18
STOPPER,GEAR SHIFTING
€ 0.00
19
0944309020
ref: 19
SPRING
€ 0.00
20
2535131302
ref: 20
25351-30010
STOPPER,GEAR SHIFTING
€ 7.00
21
2535430000
ref: 21
HOLDER,GEAR SHIFT CAM STOP SPR
€ 7.00
22
0944006027
ref: 22
SPRING
€ 3.00
23
2538138400
ref: 23
PLATE,STOPPER
€ 22.00
24
0621104063
ref: 24
04221-04069
PIN 4X6
€ 2.00
25
0833131258
ref: 25
08331-3125A
CIRCLIP,25MM
€ 2.50
26-1
2551005A01
ref: 26-1
25510-05A02
SHAFT,GEAR SHIFT
€ 40.50
26-2
2551005A10
ref: 26-2
SHAFT,GEAR SHIFT
€ 29.00
27
0918012068
ref: 27
SPACER(12X20X15.3)
€ 3.50
28
0944426020
ref: 28
SPRING
€ 6.00
29
2567101000
ref: 29
25671-01011
STOPPER,GEAR SHIFT CAM
€ 3.50
30
0928512002
ref: 30
09285-12006
OIL SEAL
€ 7.00
31
2552009301
ref: 31
ARM,GEAR SHIFT SHAFT
€ 58.00
32
2552505A00
ref: 32
25525-05A10
ROD,GEAR SHIFT LINK
€ 13.00
33
0914006011
ref: 33
NUT
€ 2.00
34
0831011067
ref: 34
08310-00067
NUT 6MM
€ 2.50
35
0110706207
ref: 35
01500-06207
BOLT
€ 2.50
36
2560005A01
ref: 36
LEVER ASSEMBLY,GEAR SHIFTING
€ 48.50
37
2565249000
ref: 37
25652-20C00
RUBBER,GEAR SHIFT PEDAL
€ 8.50
38
0916012011
ref: 38
WASHER(12.5X20X1)
€ 1.50
39
0833131128
ref: 39
08331-3112A
CIRCLIP
€ 2.00
40
3772031301
ref: 40
TERMINAL BASE,NEUTRAL
€ 51.50
41
0928036001
ref: 41
O RING(D:2.4,ID:36.5)
€ 5.50
42
0912505102
ref: 42
SCREW(5X14)
€ 2.50
43
0832121057
ref: 43
08321-0105A
LOCK WASHER
€ 2.00
44
0832221057
ref: 44
08322-01057
WASHER
€ 2.50
45
0920905011
ref: 45
PIN(5X15.5)
€ 2.00
46
0944004010
ref: 46
SPRING
€ 2.00
47
0940406415
ref: 47
09404-06433
CLAMP
€ 3.50
up
all assemblies
AIR CLEANER
BATTERY
CAM CHAIN
CAMSHAFT - VALVE
CANISTER (FOR CALIFORNIA)
CARBURETOR
CARBURETOR (FOR CALIFORNIA)
CARBURETOR FITTINGS
CLUTCH
CLUTCH HOSE
CLUTCH MASTER CYLINDER
CRANKCASE
CRANKCASE COVER
CRANKSHAFT
CUSHION LEVER
CYLINDER HEAD (FRONT)
CYLINDER HEAD (REAR)
CYLINDER HEAD COVER
ELECTRICAL
FOOTREST
FRAME
FRAME COVER
FRONT BRAKE HOSE
FRONT CALIPERS
FRONT FORK
FRONT MASTER CYLINDER
FRONT WHEEL
FUEL COCK
FUEL TANK
GEAR SHIFTING
GENERATOR
HANDLEBAR - CONTROL CABLE
HEADLAMP
HEADLAMP HOUSING - FRONT FENDER
LEFT HANDLE SWITCH
MUFFLER
OIL PUMP - FUEL PUMP
PILLION RIDER HANDLE
PILOT LAMP BOX
PROPELLER SHAFT - FINAL DRIVE GEAR
RADIATOR
RADIATOR HOSE - RESERVE TANK
REAR BRAKE
REAR CALIPER
REAR COMBINATION LAMP
REAR FENDER
REAR MASTER CYLINDER
REAR SHOCK ABSORBER
REAR SWINGING ARM
REAR WHEEL
RIGHT HANDLE SWITCH
SEAT
SECONDARY DRIVE GEAR (MODEL F/F2)
SECONDARY DRIVE GEAR (MODEL G)
SPEEDOMETER - TACHOMETER
STAND
STARTING MOTOR
STEERING STEM
TRANSMISSION (MODEL F/F2)
TRANSMISSION (MODEL G)
TURN SIGNAL LAMP
WATER PUMP
WIRING HARNESS
up