Buy Suzuki GV Parts Online

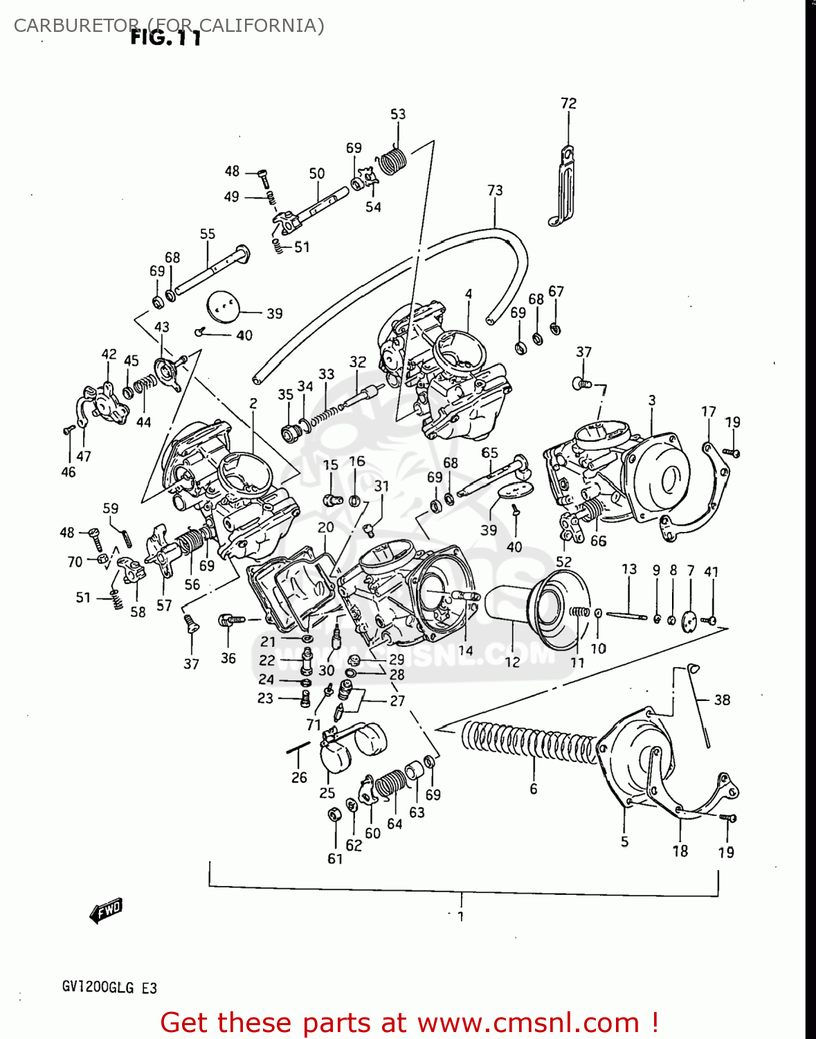
CARBURETOR (FOR CALIFORNIA)

GV1200GLG MADURA 1986 (G) USA (E03)

Carburetor (for california) diagram GV1200GLG MADURA 1986 (G) USA (E03)

CARBURETOR (FOR CALIFORNIA) GV1200GLG MADURA 1986 (G) USA (E03)
CARBURETOR (FOR CALIFORNIA) GV1200GLG MADURA 1986 (G) USA (E03)
CARBURETOR (FOR CALIFORNIA) GV1200GLG MADURA 1986 (G) USA (E03)
prices are in EUR
ref
part #
description
quantity
1
1320105A20
ref: 1
CARBURETOR ASSEMBLY
€ 241.00

2
1320205A20
ref: 2
CARBURETOR ASSEMBLY
€ 266.00

3
1320305A20
ref: 3
CARBURETOR ASSEMBLY
€ 266.00

4
1320405A20
ref: 4
CARBURETOR ASSEMBLY
€ 266.00

5
1350205A10
ref: 5
COVER
€ 18.00

6
1350305A10
ref: 6
SPRING,DIAPHRAGM
1350305A10
€ 13.00

7
1338937400
ref: 7
PLATE
1338937400
€ 6.00

8
1338744030
ref: 8
RING
1338744030
€ 5.50

9
1339431210
ref: 9
CLIP,NEEDLE
1339431210
€ 4.00

10
1338244030
ref: 10
WASHER
1338244030
€ 4.00

11
1338844030
ref: 11
SPRING
1338844030
€ 6.50

12
1350005A10
ref: 12
DIAPHRAGM,CARBURETOR
1350005A10
€ 189.00

13-1
1338305A10
ref: 13-1
NEEDLE JET
€ 0.00

13-2
1338305A20
ref: 13-2
NEEDLE JET
€ 9.00

14
0949400476
ref: 14
JET,NEEDLE
€ 9.00

15
1360505A10
ref: 15
SCREW
1360505A10
€ 9.00

16
1333244080
ref: 16

13382-03110
WASHER,NEEDLE NOZZLE
€ 3.00

17
1362705A10
ref: 17
BRACKET
€ 8.00

18
1362705A20
ref: 18
BRACKET
€ 7.00

19
0211205106
ref: 19

02112-0510A
SCREW 5X10
€ 2.50

20
1325105A10
ref: 20

13251-38A00
GASKET,FLOAT CHAMBER
€ 7.50

21
1333205A10
ref: 21
GASKET (NAS)
1333205A10
€ 4.00

22
1338505A10
ref: 22

13385-05A11
HOLDER,MAIN JET
€ 15.50

23
0949121020
ref: 23

09491-21019
JET,MAIN 107,5
0949121020
€ 12.00

24
1333235400
ref: 24

13386-04700
WASHER
€ 3.00

25
1325005A10
ref: 25
FLOAT
1325005A10
€ 34.00

26
1325420010
ref: 26
PIN,FLOAT
1325420010
€ 3.50

27
1337042A10
ref: 27

13370-44500
VALVE ASSEMBLY,NEEDLE
€ 44.00

28
1337444080
ref: 28

13374-35C00
O-RING,NEEDLE VALVE
1337444080
€ 6.00

29
1337665010
ref: 29

13376-19F00
FILTER
€ 7.00

30
0949227004
ref: 30
JET,PILOT
€ 10.50

31
0949267001
ref: 31
JET,ENRICH
0949267001
€ 10.50

32
1341105A10
ref: 32
PLUNGER
1341105A10
€ 10.00

33
1341705A10
ref: 33
SPRING,STARTER PLUNGER
€ 0.00

34
1327847090
ref: 34
O RING
1327847090
€ 2.50

35
1341805A10
ref: 35
HOLDER,GUIDE
1341805A10
€ 13.00

36
1360104148
ref: 36
SCREW
1360104148
€ 3.00

37
1360305A20
ref: 37
SCREW
€ 0.00

38
1369205A10
ref: 38
CLIP
€ 0.00

39
1355105A10
ref: 39
VALVE,THROTTLE
€ 18.50

40
1360444080
ref: 40
SCREW
1360444080
€ 4.00

41
1360103078
ref: 41

02112-0306B
SCREW
€ 2.00

42
1348437300
ref: 42

13484-38A10
COVER
€ 19.00

43
1348005A10
ref: 43
DIAPHRAGM ASSY
1348005A10
€ 59.50

44
1348105A10
ref: 44

13481-45C10
SPRING
€ 5.50

45
1348237300
ref: 45
PLATE
€ 0.00

46
1360205A40
ref: 46

02112-0412A
SCREW
1360205A40
€ 1.50

47
1362705A30
ref: 47
BRACKET
€ 4.50

48
1360505A20
ref: 48
SCREW
€ 0.00

49
1327105A10
ref: 49
SPRING
€ 0.00

50
1355005A10
ref: 50
SHAFT,THROTTLE
€ 38.00

51
1326896110
ref: 51

13268-96111
SPRING,THROTTLE SCREW
€ 5.50

52
1355005A20
ref: 52
SHAFT,THROTTLE
€ 34.50

53
1357305A10
ref: 53
SPRING,THROTTLE VALVE
€ 0.00

54
1344705A10
ref: 54
PLATE
€ 0.00

55
1355005A30
ref: 55
SHAFT,THROTTLE
€ 29.00

56
1357305A20
ref: 56
SPRING,THROTTLE VALVE
€ 0.00

57
1355305A10
ref: 57
LEVER,THROTTLE
€ 0.00

58
1355305A20
ref: 58
LEVER,THROTTLE
€ 0.00

59
1356347070
ref: 59
PIN,THROTTLE SHAFT
€ 0.00

60
1355305A30
ref: 60
LEVER,THROTTLE
€ 0.00

61
0831022088
ref: 61

08310-00087
NUT 8MM
0831022088
€ 2.50

62
1360647070
ref: 62
WASHER
1360647070
€ 3.00

63
1355705A20
ref: 63
RING
€ 3.00

64
1357305A30
ref: 64
SPRING,THROTTLE VALVE
€ 0.00

65
1355005A40
ref: 65
SHAFT,THROTTLE
€ 26.50

66
1357305A40
ref: 66
SPRING,THROTTLE VALVE
€ 0.00

67
1361744080
ref: 67
E RING
1361744080
€ 4.00

68
1355747070
ref: 68
GASKET,THROTTLE SHAFT (NAS)
1355747070
€ 5.00

69
1355605A10
ref: 69
SEAL,THROTTLE SHAFT
1355605A10
€ 4.50

70
1360705A10
ref: 70

08310-00047
NUT
€ 2.00

71
1360205A10
ref: 71
SCREW
1360205A10
€ 4.50

72
0940406401
ref: 72

09404-06432
CLAMP L:35
0940406401
€ 3.00

73
1368305A40
ref: 73
HOSE CARBURETOR
€ 9.50

73
1368305A40
ref: 73
HOSE CARBURETOR
€ 9.50